电脑桌面
添加小米粒文库到电脑桌面
安装后可以在桌面快捷访问

安全检查及隐患整改记录表

安全检查及隐患整改记录表_第1页
1/3
安全检查及隐患整改记录表_第2页
2/3
安全检查及隐患整改记录表_第3页
3/3
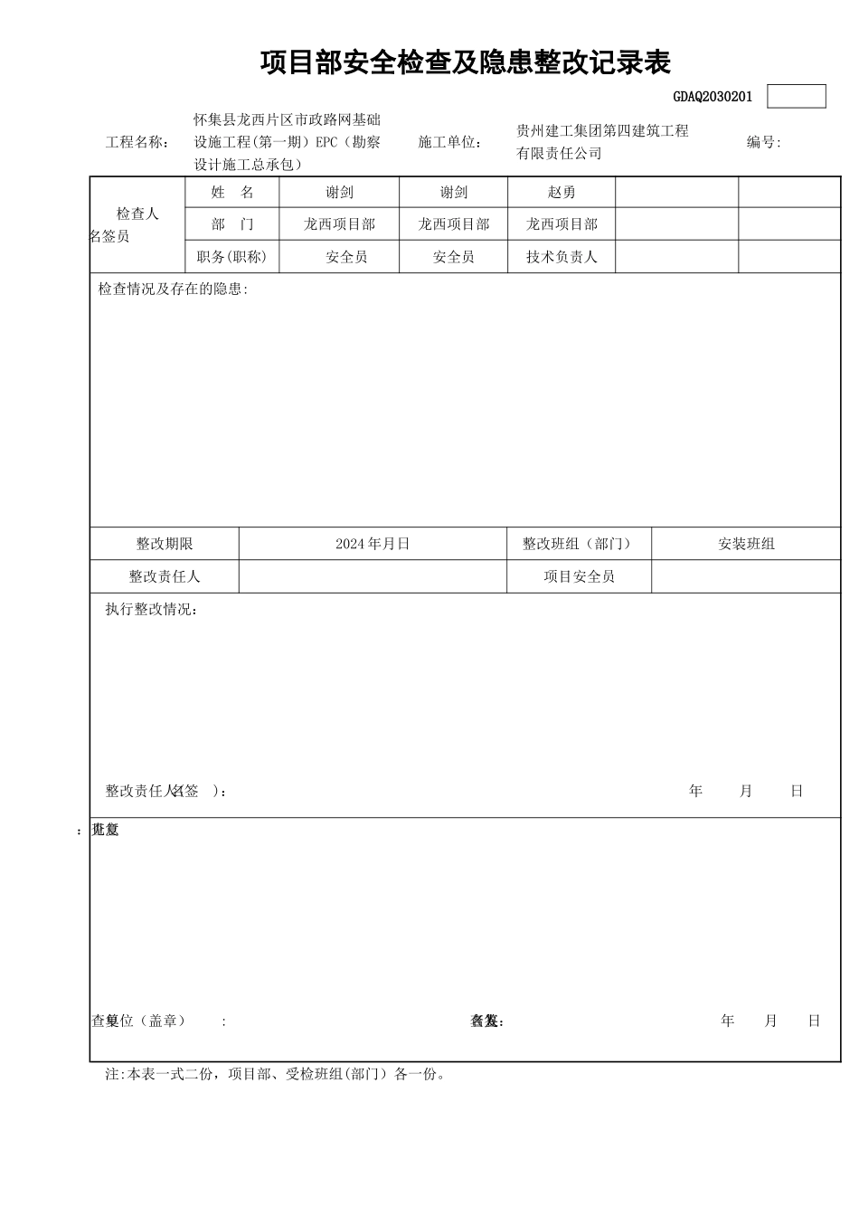
项目部 HSE 安全检查(周检)及隐患整改记录表工程名称:怀集县龙西片区市政路网基础设施工程(第一期)EPC(勘察设计施工总承包) 施工单位:贵州建工集团第四建筑工程有限责任公司编号:检查人员签名姓名部门项目部项目部职 务(职称)安全员技术员检查情况及隐患:整改要求:高空作业棚架、脚手架应常常检查,发现有松动或其他不安全隐患情况.应立即排除隐患,避开安全事故发生。 整改期限 2024 年 月整 改 班 组 ( 部门)项目组整改责任人项目安全员谢剑复 查 意 见复查人签名: 年 月 日填表说明: 《项目部 HSE 检查及隐患整改记录表》一式二份,项目部、受检班组(部门)各一份项目部安全检查及隐患整改记录表GDAQ2030201工程名称:怀集县龙西片区市政路网基础设施工程(第一期)EPC(勘察设计施工总承包)施工单位:贵州建工集团第四建筑工程有限责任公司编号:检查人员签名姓 名谢剑谢剑赵勇部 门龙西项目部龙西项目部龙西项目部 职务(职称) 安全员 安全员 技术负责人 检查情况及存在的隐患:1、 临电设施良好,电线使用时已挂高,没有拖地现象;但是配电箱里空气开关坏了,需要更换2、 当天施工完毕后,各施工点已清理好场地;3、 作业人员已按规定佩戴安全防护用品;整改期限2024 年月日 整改班组(部门)电工组 整改责任人项目安全员 执行整改情况: 整改责任人(签名): 年 月 日 复查意见: 复查单位(盖章):复查人(签名): 年 月 日 注:本表一式二份,项目部、受检班组(部门)各一份。项目部安全检查及隐患整改记录表GDAQ2030201工程名称:怀集县龙西片区市政路网基础设施工程(第一期)EPC(勘察设计施工总承包)施工单位:贵州建工集团第四建筑工程有限责任公司编号:检查人员签名姓 名谢剑谢剑赵勇部 门龙西项目部龙西项目部龙西项目部 职务(职称) 安全员 安全员 技术负责人 检查情况及存在的隐患:整改期限2024 年月日 整改班组(部门)安装班组 整改责任人项目安全员 执行整改情况: 整改责任人(签名): 年 月 日 复查意见: 复查单位(盖章):复查人(签名): 年 月 日 注:本表一式二份,项目部、受检班组(部门)各一份。

1、当您付费下载文档后,您只拥有了使用权限,并不意味着购买了版权,文档只能用于自身使用,不得用于其他商业用途(如 [转卖]进行直接盈利或[编辑后售卖]进行间接盈利)。
2、本站所有内容均由合作方或网友上传,本站不对文档的完整性、权威性及其观点立场正确性做任何保证或承诺!文档内容仅供研究参考,付费前请自行鉴别。
3、如文档内容存在违规,或者侵犯商业秘密、侵犯著作权等,请点击“违规举报”。

碎片内容

安全检查及隐患整改记录表

您可能关注的文档

领读文化+ 关注
实名认证
内容提供者

传播文化,铸就未来

确认删除?
VIP
微信客服
  • 扫码咨询
会员Q群
  • 会员专属群点击这里加入QQ群
客服邮箱
回到顶部