电脑桌面
添加小米粒文库到电脑桌面
安装后可以在桌面快捷访问

安全防护用品与职业卫生用品管理制度

安全防护用品与职业卫生用品管理制度_第1页
1/4
安全防护用品与职业卫生用品管理制度_第2页
2/4
安全防护用品与职业卫生用品管理制度_第3页
3/4
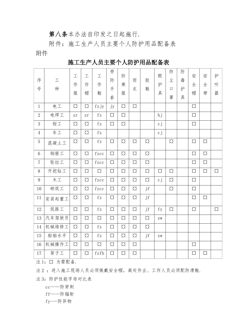
安全防护用品与职业卫生用品管理制度第一条为了保护劳动者在生产过程中的安全和健康,法律规范项目部个人职业健康安全防护用品(以下称个人防护用品)的发放、使用和管理,制订本办法。第二条 本办法适用于项目管理人员及所有施工队。第三条本办法与国家、行业、地方政府有关规定不符的从其规定。第四条 个人防护用品必须购买经国家、行业鉴定合格,取得合格标志的产品。第五条个人防护用品的发放、使用和管理的职责:(一)安全监督部门负责根据有关规定和个人防护需要,制定个人防护用品发放标准;(二)人力资源部门负责根据标准进行采购、发放和登记,保证在人员上岗工作、作业前,将个人防护用品发放到人,并做好发放登记,留存作业人员签认的发放记录;(三)工作、作业人员要自觉爱护和保管好个人防护用品。人力资源部门负责根据现场实际情况,制定更新时限标准,在保证个人防护用品能够切实起到防护作用的基础上,对因人为损毁、损坏而需更换的做出赔偿等规定;(四)作业人员要在上岗前对自己使用的个人防护用品的质量进行检查,确保安全可靠.现场负责人、安全监督部门也要常常检查现场作业人员个人防护用品的质量,发现问题,及时解决;第六条 个人防护用品发放的基本标准(一)进入施工现场的人员都要发给安全帽。在非施工现场,需要防烫、防尘、防晒的人员应当根据需要分别发给工作帽和草帽;(二)从事高处作业的人员应当发给安全带、防滑鞋;(三)在操作中易于烧手、烫手、刺手和严重磨手的工种人员应当发给防护手套(布手套、线手套、刷胶手套、胶手指套);从事带电作业的人员应当发给绝缘手套;用手直接接触腐蚀性液体和剧毒物质的人员应当发给胶手套;(四)在操作中足部需要防烫、防刺割、防触电、防火或防腐蚀的人员应当发给防护用鞋,并根据需要分别发给高温、登山鞋、绝缘鞋和防水防腐蚀的胶鞋。对足部有火花烧伤危险的或足部常常接触腐蚀性粉尘的人员应当发给鞋盖;(五)从事以下作业的人员应当发给防护服(工作服):1。有强烈辐射热的或者有灼伤危险的作业人员;2。有刺激、绞辗危险或因钩挂磨损衣服而可能引起外伤的作业人员;3。接触有毒、有放射性物质的或有可能皮肤感染的作业人员;4.常常接触腐蚀性物质的或在特别肮脏环境下工作的作业人员.(六)在操作中颈部需要防烧灼以及从事比较脏和一些重体力劳动的人员应当发给防护用毛巾; (七)在操作中面部有烧灼危险和喷砂损害的人员应当发给防护面具;有吸入毒气危险的人员应当发给...

1、当您付费下载文档后,您只拥有了使用权限,并不意味着购买了版权,文档只能用于自身使用,不得用于其他商业用途(如 [转卖]进行直接盈利或[编辑后售卖]进行间接盈利)。
2、本站所有内容均由合作方或网友上传,本站不对文档的完整性、权威性及其观点立场正确性做任何保证或承诺!文档内容仅供研究参考,付费前请自行鉴别。
3、如文档内容存在违规,或者侵犯商业秘密、侵犯著作权等,请点击“违规举报”。

碎片内容

安全防护用品与职业卫生用品管理制度

您可能关注的文档

确认删除?
VIP
微信客服
  • 扫码咨询
会员Q群
  • 会员专属群点击这里加入QQ群
客服邮箱
回到顶部