电脑桌面
添加小米粒文库到电脑桌面
安装后可以在桌面快捷访问

安蒲正线管线保护方案

安蒲正线管线保护方案_第1页
1/8
安蒲正线管线保护方案_第2页
2/8
安蒲正线管线保护方案_第3页
3/8
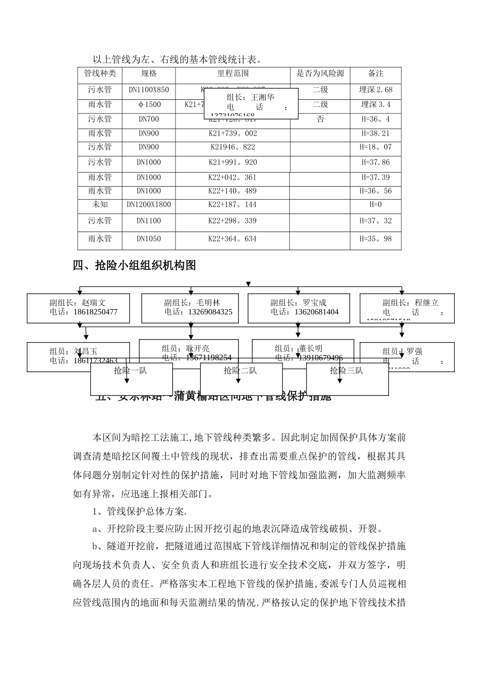
太原轨道交通 2 号线一期工程214 标车站围护结构与尖草坪桥桩基承台工 筹 计 划中铁隆工程集团有限公司太原轨道交通 2 号线一期工程太原地铁项目部二 O 一六年三月目 录一、编制依据 1二、工程概况 0 三、安乐林站至蒲黄榆站区间管线概况 0 四、抢险小组组织机构图 1 五、安乐林站 ~ 蒲黄榆站区间地下管线保护措施 1 六、事故的预警及响应和处理措施 3 七、管线保护制度 5 八、管线破坏保护制度 6 九、各管线产权单位联系方式 6 十、附件 6 一、编制依据1、《北京地铁 14 号线 10 标段安乐林站至蒲黄榆站区间设计总平面图》。2、安蒲区间地下管线风险源明细表及管线分布平面图。3、现场雷达探测报告。4、国家现行标准,行业标准法律规范.二、 工程概况安蒲区间位于北京地铁十四号线工程南段,线路自安乐林站出发后,下穿景泰路、蒲黄榆五巷、蒲黄榆二巷及蒲黄榆路,并下穿既有 5 号线蒲黄榆站,到达 14 号线蒲黄榆站。线路基本位于安乐林路正下方,安乐林路规划道路红线宽 30m,现状道路与南二环路基本平行.区间左线设计里程范围为 K21+644.800~K22+449。595,左线全长 804.795m;区间右线设计里程范围为 K21+644.800~K22+449.200,左线全长 804。400m。区间线间距 10~17m,线路纵向呈单面坡.三、安乐林站至蒲黄榆站区间管线概况本区间下穿景泰路、蒲黄榆五巷、蒲黄榆二巷及蒲黄榆路,并下穿既有 5号线,上方管线包括上水管、通信管、路灯管、雨水管、污水管、电力及天然气管等。其中区间平行下穿一根埋深 3.4m 的 φ1500 的雨水管,管线材质为混凝 土 , 区 间 结 构 顶 距 雨 水 管 底 16.15m , 为 二 级 风 险 源 , 起 始 里 程 为K21+754.000~K22+324。000;区间平行下穿一根埋深 2。68m 的 1100X850 污水管,区间结构顶距 15。38m 为二级风险源,起始里程为 K22+380~K22+387。若地面沉降过大,将引起上水、排水、雨水、污水等管线变形过大发生事故,所以必须实行相应措施加以保护。本区间管线分布详见安蒲区间设计图地质纵剖面图。管线分布表以上管线为左、右线的基本管线统计表。四、抢险小组组织机构图五、安乐林站~蒲黄榆站区间地下管线保护措施本区间为暗挖工法施工,地下管线种类繁多。因此制定加固保护具体方案前调查清楚暗挖区间覆土中管线的现状,排查出需要重点保护的管线,根据其具体问题分别制定针对性的保护措施,同时对地下管线加强监...

1、当您付费下载文档后,您只拥有了使用权限,并不意味着购买了版权,文档只能用于自身使用,不得用于其他商业用途(如 [转卖]进行直接盈利或[编辑后售卖]进行间接盈利)。
2、本站所有内容均由合作方或网友上传,本站不对文档的完整性、权威性及其观点立场正确性做任何保证或承诺!文档内容仅供研究参考,付费前请自行鉴别。
3、如文档内容存在违规,或者侵犯商业秘密、侵犯著作权等,请点击“违规举报”。

碎片内容

安蒲正线管线保护方案

确认删除?
VIP
微信客服
  • 扫码咨询
会员Q群
  • 会员专属群点击这里加入QQ群
客服邮箱
回到顶部