电脑桌面
添加小米粒文库到电脑桌面
安装后可以在桌面快捷访问

富士达电梯工程模式详解

富士达电梯工程模式详解_第1页
1/4
富士达电梯工程模式详解_第2页
2/4
富士达电梯工程模式详解_第3页
3/4
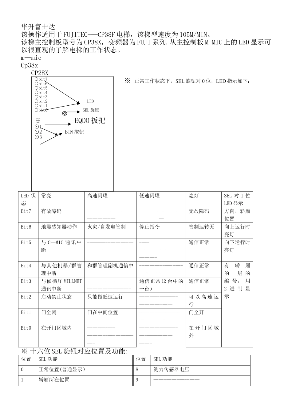
华升富士达该操作适用于 FUJITEC-—CP38F 电梯,该梯型速度为 105M/MIN。该梯主控制板型号为 CP38X,变频器为 FUJI 系列,从主控制板 M-MIC 上的 LED 显示可以很直观的了解电梯的工作状态。m—micCp38x CP28X※ 正常工作状态下,SEL 旋钮对 0 位,LED 指示如下:LED 状态常亮高速闪耀低速闪耀熄灯SEL 对 1 位LED 显示Bit7有故障码-———————---————-————-—-——---—无故障码方向,轿厢位置Bit6地震感知器动作火灾/自发电管制停止指令管制运转无向上运行时亮灯Bit5与 C—MIC 通讯中断-———--—--—---————--—-——————--—-———-通信正常向下运行时亮灯Bit4与其他机器/群管理中断和群管理副机通信中--———--—--—-—-——-—通信正常有 轿 厢 的 层 的 编 号, 用 2 进 制 显 示Bit3与候梯厅 MILLNET通讯中断-——--——--————————-通信正常(2 台中的一台)通信正常Bit2启动禁止状态只能做低速运行—---—-———-————-—--可 以 高 速 运行Bit1门全闭门在中间位置--—--————--——-—----门全开Bit0在开门区域内——-—-—-———--—-———-—-———————-—-————--——-在 开 门 区 域外※ 十六位 SEL 旋钮对应位置及功能:位置SEL 功能位置SEL 功能0正常位置(普通显示)8测力传感器电压1轿厢所在位置9——-——-—--—--○bit7○bit6○bit5○bit4○bit3○bit2 LED○bit1○bit0 SEL 旋钮⊕ EQDO 扳把⊙1⊙2 BTN 按钮⊙32运行模拟A呼叫电脑输入32IR 输入B输入4输入C输出5输出D指定地址6速度阶段EPMC 同步模拟7-—-—--——-—-F故障码※ SEL 旋钮对 F 位,LED 显示故障代码:LED十位个位Bit78Bit64Bit52Bit41Bit38Bit24Bit12Bit01该故障码为十六进制,采纳的是 BCD 码,具体如下:例,显示 bit7 与 bit1,读作 82显示 bit7,bit6 与 bit3,读作 C8注:清除故障码的方法将 SEL 旋钮对 F 位,按住 BTN3 持续 4 秒以上,显示 bit0————bit7 闪耀即可。※ 当 SEL 旋钮对 F 位,按 BTN1 显示故障码,每按一次显示一个故障代码,当按住BTN1 时,则显示楼层数,此楼层数代表故障发生时电梯所在的楼层.※ 机房之检修运行方法:1、在按住 BTN3(下)的同时,将 EQDO 的扳把向上,放松开 BTN(下)。2、按住 BTN1(上)时,电梯上升。按住 BTN3(下)时,电梯下降.3、放下 EQDO 的扳把,完成操作LE...

1、当您付费下载文档后,您只拥有了使用权限,并不意味着购买了版权,文档只能用于自身使用,不得用于其他商业用途(如 [转卖]进行直接盈利或[编辑后售卖]进行间接盈利)。
2、本站所有内容均由合作方或网友上传,本站不对文档的完整性、权威性及其观点立场正确性做任何保证或承诺!文档内容仅供研究参考,付费前请自行鉴别。
3、如文档内容存在违规,或者侵犯商业秘密、侵犯著作权等,请点击“违规举报”。

碎片内容

富士达电梯工程模式详解

元素商铺+ 关注
实名认证
内容提供者

欢迎挑选合适的文档

确认删除?
VIP
微信客服
  • 扫码咨询
会员Q群
  • 会员专属群点击这里加入QQ群
客服邮箱
回到顶部