电脑桌面
添加小米粒文库到电脑桌面
安装后可以在桌面快捷访问

工程安保体系

工程安保体系_第1页
1/18
工程安保体系_第2页
2/18
工程安保体系_第3页
3/18
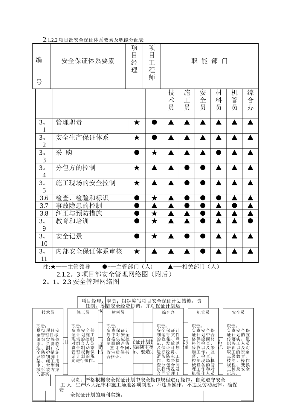
一、工程概况 1。1 工程概况杭州大江东产业集聚区管理委员会拟在杭州市大江东区新建杭州大江东市民中心;该工程位于杭州市大江东区,江东大道与规划义蓬东二路的东北面;本工程建筑占地面积 8588m2,由 1 幢高 52。6米的 11 层塔楼和高 24。8 米 5 层裙房及 1 层地下室组成,总建筑面积约 23254m2,其中:地上建筑面积约 19766m2,地下总建筑面积3488.m2;科创中心结构形式为钢结构组合式楼板框架结构,基础设计等级为甲级,单柱设计最大轴力为 20000kN,市民服务中心结构形式为钢结构组合式楼板框架结构,基础设计等级为甲级,单柱设计最大轴力为 10000kN,地下室结构形式为混凝土、钢框架结构,单柱设计最大柱荷载为 2500kN,最大挖深约 5。0m;本工程拟采纳桩基础。本工程由上海联创建筑设计有限公司设计;我单位受杭州大江东产业集聚区管理委员会的委托,承担杭州大江东市民中心工程施工.1。2 工程难点分析1。2.1 本工程工期紧,结构复杂,施工有一定难度。1。2。2 在施工后期,涉及到的工种多,施工用电方面的控制十分重要。 1.3 工程重点部位1.3。1 现场临时施工用电。1.3.2 框架钢结构配合施工。1。3。3“四口、五临边”的防护。二、安全保证体系要求 1、根据本工程特点,安全保证体系计划对现场施工过程中一切人、机、物、环境的状态强化管理和控制,完善过程记录,实行文件化管理. 2、确定整个施工过程中的重点内容、关键点、危险部位的控制手段和措施以及检查手段。3、将安全生产保证体系的 11 个要素全面覆盖到施工管理的各个过程、各个环节,做到设岗定人,职责到位。2。1 管理职责目的:通过制定项目部安全保证计划,确保施工生产现场处有效地安全控制状态,为职工提供一个安全健康、文明卫生的工作环境。明确项目部各级人员的责任和义务,各级人员的安全生产职责、权限和相互关系.范围:涉及到项目部与安全有关的管理部门和全体职工,特别是独立行使权利开展检查和监督部门和人员的职责、权限的规定体系运行中的各个管理要素的接口工作,相互之间明确,并形成必要的文件.2.1。1 安全管理目标(1)实现无重大伤亡事故,无重大机械设备事故,事故负伤频率控制在 1。5‰以内。(2)杜绝重大交通、火灾、中毒、管线事故。2。1。2 安全管理组织工程项目部安全保证体系是建筑企业安全管理体系的重要组成部分,工程项目部建立以项目经理为现场生产第一责任人的安全生产领导小组,负责实施全过程的安全控制,确保工程现场...

1、当您付费下载文档后,您只拥有了使用权限,并不意味着购买了版权,文档只能用于自身使用,不得用于其他商业用途(如 [转卖]进行直接盈利或[编辑后售卖]进行间接盈利)。
2、本站所有内容均由合作方或网友上传,本站不对文档的完整性、权威性及其观点立场正确性做任何保证或承诺!文档内容仅供研究参考,付费前请自行鉴别。
3、如文档内容存在违规,或者侵犯商业秘密、侵犯著作权等,请点击“违规举报”。

碎片内容

工程安保体系

人从众+ 关注
实名认证
内容提供者

欢迎光临小店,本店以公文和教育为主,希望符合您的需求。

确认删除?
VIP
微信客服
  • 扫码咨询
会员Q群
  • 会员专属群点击这里加入QQ群
客服邮箱
回到顶部