电脑桌面
添加小米粒文库到电脑桌面
安装后可以在桌面快捷访问

工程机械结构件焊接标准

工程机械结构件焊接标准_第1页
1/10
工程机械结构件焊接标准_第2页
2/10
工程机械结构件焊接标准_第3页
3/10
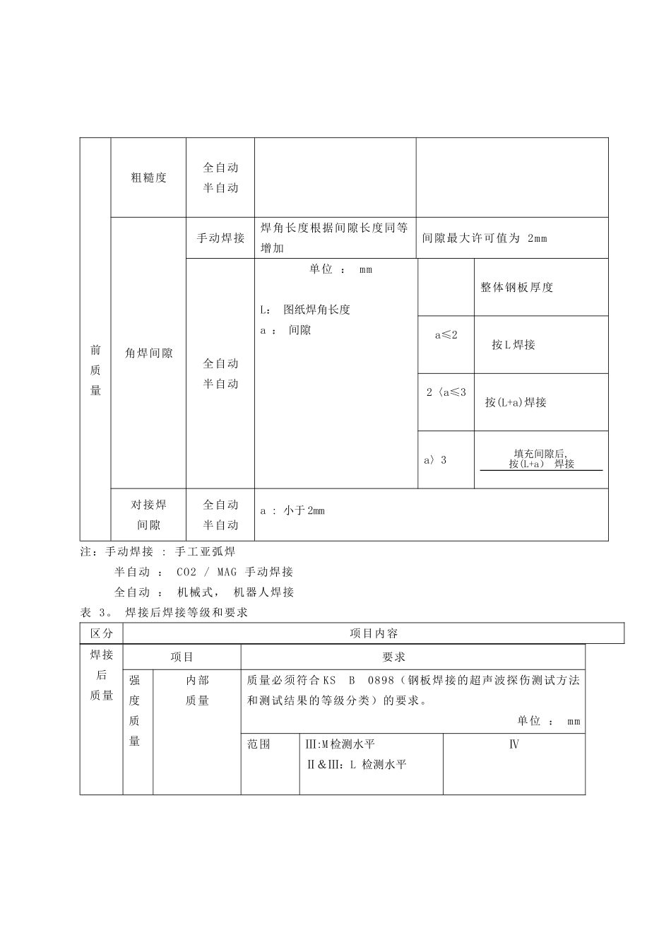
焊接质量WELDING QUALITY适用组织范围, Volvo Construction Equipment LTD。修订版内容对于焊接焊缝宽度 和返修焊缝处(包括焊坑处理) ,按各等级许可范围调整。目录1。 适用范围2.焊接质量区分3. 焊接质量等级4。 品质5。 图纸标识6.检查 / 试验方法7。 附件1. 适用范围本标准适用于 volvo 建筑设备(中国)有限公司设计的焊接件的质量评价.但是, 有明确技术性标准的可以不以此为参考。 2. 焊接质量区分焊接品的质量区分。(1) 焊接前质量: 焊接工序中涉及到的尺寸质量。(2) 焊接后质量: 分为强度质量和外观质量。 强度质量是为了确保可靠性和耐久性;外观质量是对商品价值有影响的质量项目.3. 3。 焊接质量等级表 1. 焊接质量等级分类。质量等级适用部位备注焊接前质量没有不规定*焊接等级缩写 1.强度质量(WS) 2.外观质量(WV)(例) WS1,WS2, WS3WV1,WV2, WV3焊接后质量强度质量1 级非常重要的焊接线:安全部件2 级强度要求高的焊接线3 级1,2 级以外的焊接线外观质量1 级外观特别重视的 Main frame,Boom,Arm,Bucket,Cab 等的焊接线2 级3 级外观不太重要的焊接线.4. 焊接质量要求和等级 表 2 。焊接前质量要求区分内容焊接前质量项目要求备注坡口角度手动焊接 单位 : (°)直线时±2°C全自动半自动图纸角度许可误差〈60°+5 / —390°0 / -8根部表面手动焊接小于图纸标示尺寸直线时±1mm全自动半自动图纸标示尺寸±1mm根部间隙除第一类坡口外手动焊接 单位 : mm图纸尺寸许可误差1+2/0大于 1+1.5 / —0。5全自动半自动 单位 : mm图纸尺寸许可误差0—2+1 / 0大于 3+2 / -1第一类坡口手动焊接图纸标示尺寸 +2/0mm全自动半自动 单位 : mm图纸尺寸许可误差5+2/—17表 2。 焊接前质量要求区分内容焊接项目要求备注坡口表面手动焊接 小于 0。5mm 前质量粗糙度全自动半自动角焊间隙手动焊接焊角长度根据间隙长度同等增加间隙最大许可值为 2mm全自动半自动单位 : mmL: 图纸焊角长度a : 间隙整体钢板厚度a≤2按 L 焊接2〈a≤3按(L+a)焊接a〉3填充间隙后,按(L+a) 焊接对接焊间隙全自动半自动a : 小于 2mm 注:手动焊接 : 手工亚弧焊 半自动 : CO2 / MAG 手动焊接 全自动 : 机械式, 机器人焊接表 3。 焊接后焊接等级和要求区分项目内容焊接后质量项目 要求强度质量内部质量质量必须符合 KS B 0898(钢板焊接的超声波探伤测试...

1、当您付费下载文档后,您只拥有了使用权限,并不意味着购买了版权,文档只能用于自身使用,不得用于其他商业用途(如 [转卖]进行直接盈利或[编辑后售卖]进行间接盈利)。
2、本站所有内容均由合作方或网友上传,本站不对文档的完整性、权威性及其观点立场正确性做任何保证或承诺!文档内容仅供研究参考,付费前请自行鉴别。
3、如文档内容存在违规,或者侵犯商业秘密、侵犯著作权等,请点击“违规举报”。

碎片内容

工程机械结构件焊接标准

您可能关注的文档

确认删除?
VIP
微信客服
  • 扫码咨询
会员Q群
  • 会员专属群点击这里加入QQ群
客服邮箱
回到顶部