电脑桌面
添加小米粒文库到电脑桌面
安装后可以在桌面快捷访问

工程检验批质量验收记录表

工程检验批质量验收记录表_第1页
1/15
工程检验批质量验收记录表_第2页
2/15
工程检验批质量验收记录表_第3页
3/15
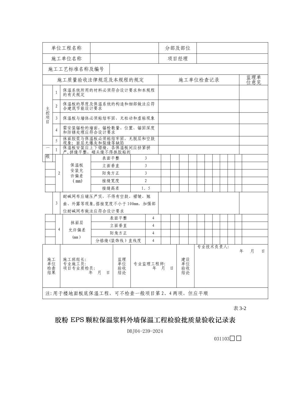
附件 1表 1建筑节能施工方案报审表工程名称:编号:致: (监理单位)我方已根据施工合同的有关规定完成了工程节能施方案的编制,并经我单位上级技术负责人审查批准,请予以审查。附:1、建筑节能专项施工方案承包单位(章)项目经理日期专业监理工程师审查意见: 专业监理工程师 日 期总监理工程师审核意见:项目监理机构总监理工程师日期表 2建筑节能工程材料/构配件/设备报审表工程名称:编号:致: (监理单位)我方于年月日进场的工程材料/构配件/设备数量如下(见附件)。现将质量证明文件及自检结果报上,拟用于下述部位:请予以审核。附件:1、数量清单 2、质量证明文件 3、自检结果 4、山西省建筑节能技术(产品)认定标识证书(复印件)项目部(章)项目经理日期审核意见:经检查上述工程材料/构配件/设备,符合/不符合设计文件及法律规范的要求,准许/不准许进场,同意/不同意使用于拟定部位.项目监理机构总/专业监理工程师日期表 3-1居住建筑节能工程检验批质量验收记录EPS 板或 XPS 板薄抹灰外墙保温工程检验批质量验收记录表DBJ04-239—2024 031101 031102 030120 030121表 3-2胶粉 EPS 颗粒保温浆料外墙保温工程检验批质量验收记录表DBJ04-239-2024 031103 单位工程名称分部及部位施工单位名称项目经理施工工艺标准名称及编号施工质量验收法律规范及本规程的规定施工单位检查记录监理单位意见主控项目1保温系统所用的材料必须符合设计要求和本规程的有关规定2保温板的厚度及保温系统的构造和细部做法应符合建筑节能设计要求3保温板与墙体必须粘结牢固,无松动和虚粘现象4需安装锚栓的墙面,锚栓数量、位置、锚固深度和防锈处理应符合设计要求5抹面胶浆与保温板必须粘结牢固,无脱层和空鼓现象;面层无爆灰和裂缝等缺陷一 般 1保温板安装应上下错缝,各保温板间应挤紧拼严,拼缝平整,碰头缝不得抹胶粘剂2保温板安装允许偏差(mm)表面平整3立面垂直3阳角方正3接缝宽度2接缝高差1。53耐碱网布应铺压严实,不得有空鼓、褶皱、翘曲、外露等现象,搭接宽度不小于 100mm,加强部位耐碱网布做法应符合设计要求4抹面层允许偏差(mm)表面平整4立面垂直4阳角方正4分格缝(装饰线)直线度4施工单位检查结果施工班组长:专业施工员:项目专业质检员:年 月 日监理单位验收结论专业监理工程师:年 月 日建设单位验收结论专业技术负责人:年 月 日注:用于楼地面板底保温工程,可不检查一般项目第 2、4 两项,但应平顺表 3...

1、当您付费下载文档后,您只拥有了使用权限,并不意味着购买了版权,文档只能用于自身使用,不得用于其他商业用途(如 [转卖]进行直接盈利或[编辑后售卖]进行间接盈利)。
2、本站所有内容均由合作方或网友上传,本站不对文档的完整性、权威性及其观点立场正确性做任何保证或承诺!文档内容仅供研究参考,付费前请自行鉴别。
3、如文档内容存在违规,或者侵犯商业秘密、侵犯著作权等,请点击“违规举报”。

碎片内容

工程检验批质量验收记录表

您可能关注的文档

津创媒+ 关注
实名认证
内容提供者

欢迎交流文创,小店资料希望满足您的需要。

确认删除?
VIP
微信客服
  • 扫码咨询
会员Q群
  • 会员专属群点击这里加入QQ群
客服邮箱
回到顶部