电脑桌面
添加小米粒文库到电脑桌面
安装后可以在桌面快捷访问

工程部工作流程图-VIP专享

工程部工作流程图-_第1页
1/16
工程部工作流程图-_第2页
2/16
工程部工作流程图-_第3页
3/16
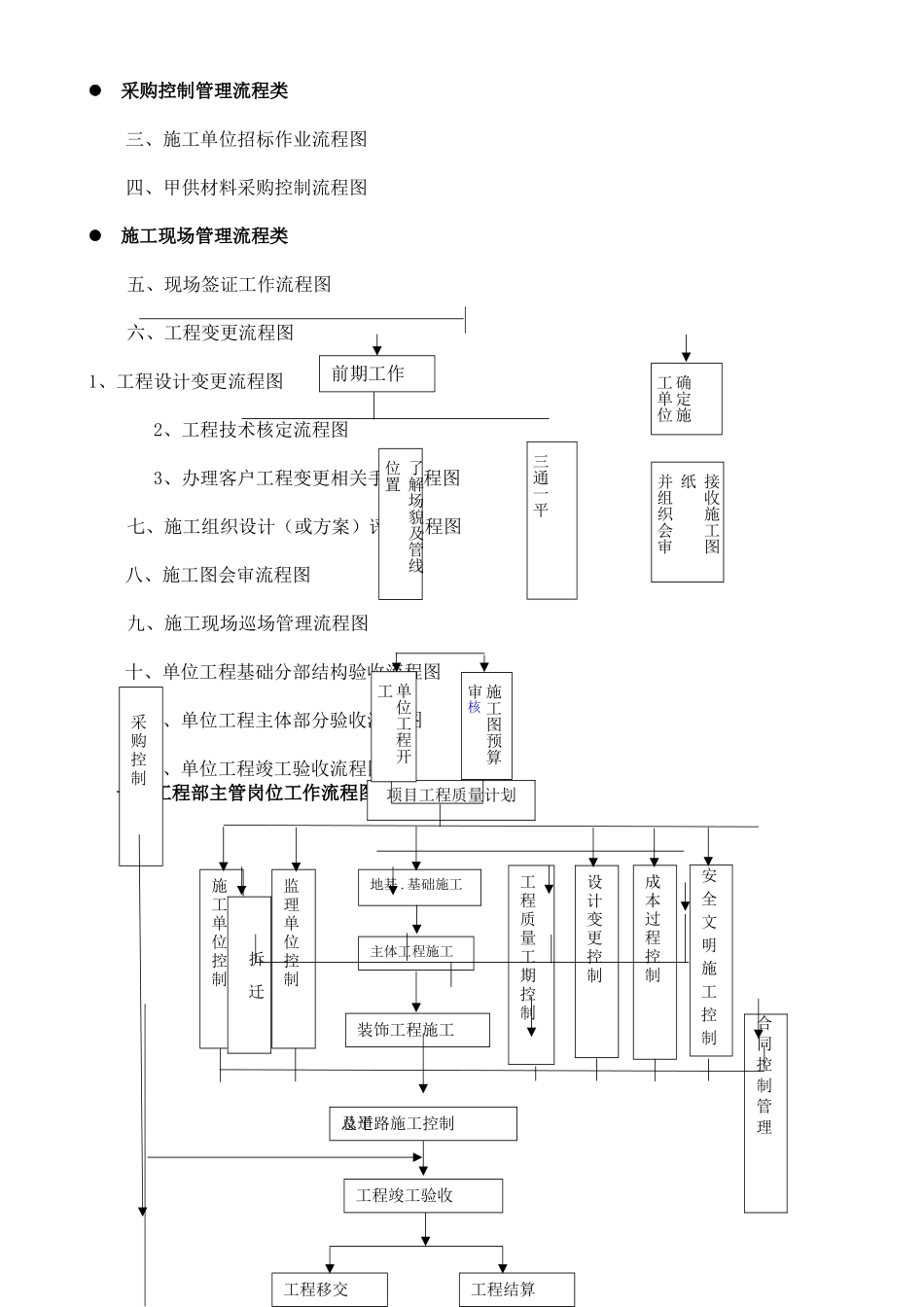
项目工程部标准工程部工作流程图工程部工作流程图目录岗位工作流程类一、工程部主管岗位工作流程图二、工程部监理及内业工作流程图采购控制管理流程类三、施工单位招标作业流程图四、甲供材料采购控制流程图施工现场管理流程类五、现场签证工作流程图六、工程变更流程图1、工程设计变更流程图 2、工程技术核定流程图 3、办理客户工程变更相关手续流程图七、施工组织设计(或方案)评审流程图八、施工图会审流程图九、施工现场巡场管理流程图十、单位工程基础分部结构验收流程图十一、单位工程主体部分验收流程图十二、单位工程竣工验收流程图一、工程部主管岗位工作流程图 项目工程质量计划前期工作接收施工图纸并组织会审确定施工单位了解场貌及管线位置三通一平单位工程开工施工图预算审核总平及道路施工控制工程竣工验收工程移交工程结算主体工程施工成本过程控制施工单位控制地基 . 基础施工装饰工程施工工程质量工期控制安全文明施工控制监理单位控制设计变更控制采购控制拆 迁合同控制管理选择装饰施工单位或专业施工单位进场材料检验隐蔽验收无渗漏试验特别结构质量成品保护装饰质量检查质量通病整改质量通病复查沉降观测工序配合协调设备调试技术核定单二 、工程部员工岗位管理流程图`装饰工程招投标(采购)流程装饰材料考察及确定填充墙施工屋面施工外墙抹灰施工外墙装饰面层窗施工室内抹灰施工楼地面施工栏杆施工腻子施工室内饰面施工防水施工门施工公共区域施工装饰构件施工水电安装施工精装修施工设备安装施工室外散水施工相关专项施工组织设计阶段进度计划每月进度计划每周进度计划实际完成情况计划调整修改主体结构验收文明施工检查安全检查设备安全检查夜间施工脚手架检查脚手架拆除安全签证实物量记录大型设备退场安全水电费扣款工程罚款扣款生活区检查场地内建筑垃圾清理甲供材用量管理通过 竣 工验收内 业 完 成竣工资料工程移交竣 工 资 料移交质量保修图纸会审进场通知单施工组织设计红线交接质监、安监备案现场临时设施搭建场地原始标高测量水、电表原始读数记录现场用电安全验收、大型机械设备安全验开工报告基础工程桩基础工程承台基础工程地下室工程地基处理工程基坑开挖控制原材料、混凝土配合比控制试桩;桩验收;地基验槽;基础钢筋验收;基础验收;基础回填;其它验收、隐蔽验收防水工程定位放线定位复线其它基础工程技术方案控制基坑围护周边建筑沉降观测安全检查文明施工夜间施工签证实物量记...

1、当您付费下载文档后,您只拥有了使用权限,并不意味着购买了版权,文档只能用于自身使用,不得用于其他商业用途(如 [转卖]进行直接盈利或[编辑后售卖]进行间接盈利)。
2、本站所有内容均由合作方或网友上传,本站不对文档的完整性、权威性及其观点立场正确性做任何保证或承诺!文档内容仅供研究参考,付费前请自行鉴别。
3、如文档内容存在违规,或者侵犯商业秘密、侵犯著作权等,请点击“违规举报”。

碎片内容

工程部工作流程图-

确认删除?
VIP
微信客服
  • 扫码咨询
会员Q群
  • 会员专属群点击这里加入QQ群
客服邮箱
回到顶部