电脑桌面
添加小米粒文库到电脑桌面
安装后可以在桌面快捷访问

市政土方工程量计算规则

市政土方工程量计算规则_第1页
1/2
市政土方工程量计算规则_第2页
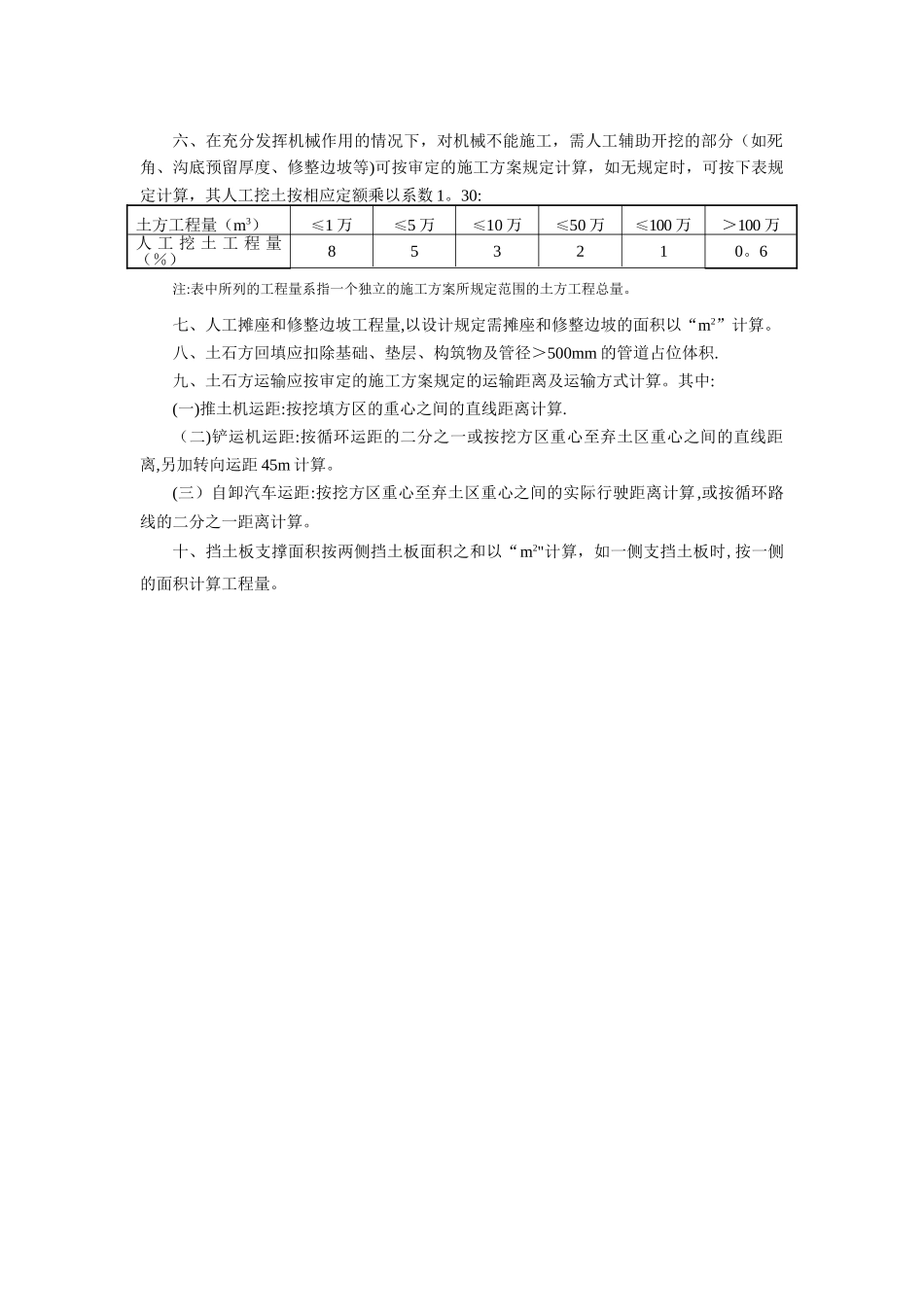
2/2
市政土方工程量计算规则一、本定额的土石方挖、运按天然密实体积(自然方)计算,夯填方按夯实后体积计算,松填方按松填后的体积计算。如需体积折算,应按下表系数计算.土石方体积折算系数表天然密实度体积虚方体积夯实后体积松填体积1。000。771。150.931。301.001.491。200。870。671。000.811。080。831.241.00二、平整场地工程量按实际平整面积,以“m2”计算。三、土方工程量按施工方案图示尺寸计算,修建机械上下坡时便道土方量并入土方工程量内.石方工程量:人工、机械凿石按施工方案图示尺寸计算,石方爆破可按设计图示尺寸加允许超挖量计算,设计无规定时允许超挖量可参考:松、次坚石 20cm,普、特坚石15cm.四、管道沟槽工程量计算规则:(一)管道沟槽长度:主管按管道的设计轴线长度计算,支管按支管沟槽的净长线计算。(二)管道沟槽的深度:管道沟槽的深度按基础的形式和埋深分别计算。带基按原地面高程减设计管道基础底面高程计算,设计有垫层的,还应加上垫层的厚度;枕基按原地面高程减设计管底高程加管壁厚度计算。(三)管道沟槽的底宽:沟槽的底宽按施工方案计算,如施工方案无规定,排水管道底宽按其管道基础宽度加两侧工作面宽度计算;给水燃气管道沟槽底宽按其管道外径加两侧工作面宽度计算;支挡土板的沟槽底宽除按以上规定计算外,每边另加 0.1m.每侧工作面增加宽度按下表计算:管径(mm)非金属管道(m)金属管道(m)构筑物(m)无防潮层有防潮层100~5000.200.150.250.40600~10000。250。21100~15000。300.251600~26000。400。35(四)管道沟槽的放坡:管道沟槽的放坡应根据施工方案要求的坡度计算,如施工方案无规定且挖土深度超过或等于 1.5m 时,可按下表规定计算:人工开挖机械开挖在沟槽坑底在沟槽坑边1∶0。301∶0.251∶0.67五、沟槽放坡挖土边坡交接处产生的重复土方不扣除,但井位加宽、枕基基坑、集水坑挖土等不再计算。排水管道沟槽为直槽时的井位加宽按直槽挖方总量的 1。5%计算,给水、燃气管道的井位加宽、接头坑、支墩、支座等土方,按该部分土方总量的 2。5%计算.六、在充分发挥机械作用的情况下,对机械不能施工,需人工辅助开挖的部分(如死角、沟底预留厚度、修整边坡等)可按审定的施工方案规定计算,如无规定时,可按下表规定计算,其人工挖土按相应定额乘以系数 1。30:土方工程量(m3)≤1 万≤5 万≤10 万≤50 万≤100 万>100 万人 工 挖 土 工 程 量(%)853210。6注:表中所列的工...

1、当您付费下载文档后,您只拥有了使用权限,并不意味着购买了版权,文档只能用于自身使用,不得用于其他商业用途(如 [转卖]进行直接盈利或[编辑后售卖]进行间接盈利)。
2、本站所有内容均由合作方或网友上传,本站不对文档的完整性、权威性及其观点立场正确性做任何保证或承诺!文档内容仅供研究参考,付费前请自行鉴别。
3、如文档内容存在违规,或者侵犯商业秘密、侵犯著作权等,请点击“违规举报”。

碎片内容

市政土方工程量计算规则

您可能关注的文档

文森传品+ 关注
实名认证
内容提供者

一家传播文化教育的小店,资料丰富,随意挑选。

确认删除?
VIP
微信客服
  • 扫码咨询
会员Q群
  • 会员专属群点击这里加入QQ群
客服邮箱
回到顶部