电脑桌面
添加小米粒文库到电脑桌面
安装后可以在桌面快捷访问

市政工程施工危险源识别与风险评价表

市政工程施工危险源识别与风险评价表_第1页
1/8
市政工程施工危险源识别与风险评价表_第2页
2/8
市政工程施工危险源识别与风险评价表_第3页
3/8
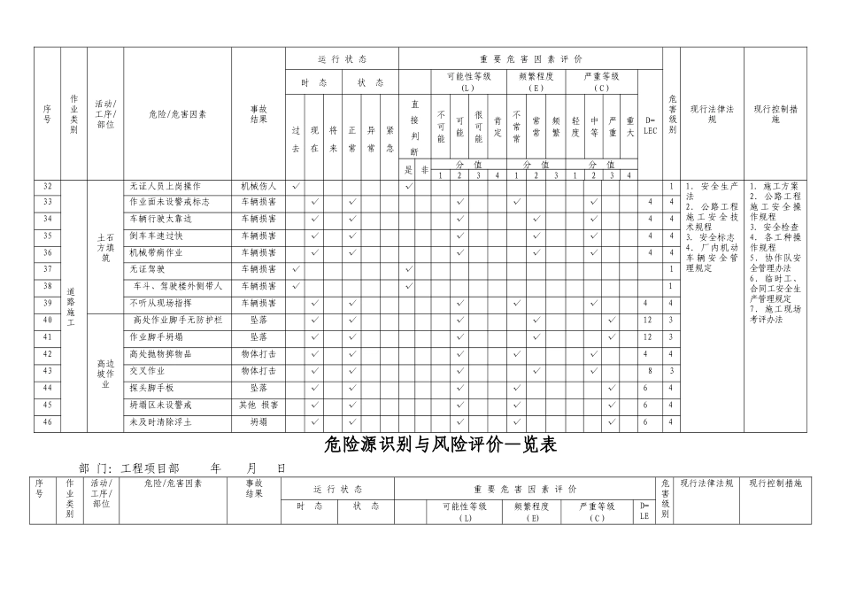
危险源识别与风险评价—览表部 门:工程项目部 年 月 日 序号作业类别活动/工序/部位危险/危害因素事故结果运 行 状 态重 要 危 害 因 素 评 价危害级别现行法律法规现行控制措施时 态状 态可能性等级(L)频繁程度(E)严重等级(C)D=LEC过去现在将来正常异常紧急直 接判 断不可能可能很可能肯定不常常常常频繁轻度中等严重重大是 非分 值分 值分 值123412312341道路施工施工准备在陡坡上测量其他损害√√√√√441.公路工程 施 工 安全 技 术 规程2、安全生产法3.安全标志4.厂内机动 车 辆 安全 管 理 规定1.施工方案2.公路工程施 工 安 全 操作规程 3.安全检查4.各工种操作规程5.协作队安全管理办法6.临时工、合同工安全生产管理规定7.施工现场考评办法2在公路上测量车辆损害√√√√√443在险要处测量高空坠落√√√√√444土方开挖推土机倾翻车辆损害√√√√√445道路宽度不够车辆损害√√√√√446坡度过陡车辆损害√√√√√447未设排水沟坍塌√√√√√248弯度太小车辆损害√√√√√449急弯处未警示车辆损害√√√√√6410路面沆洼严重车辆损害√√√√√6411滑坡地段开挖坍塌√√√√√9312岩溶地区开挖坍塌√√√√√9313推土机在大于 30°坡度作业车辆损害√√√√√9314多台推土机同时操作,相间小于 1。5 米车辆损害√√√√√2415轮胎式挖掘机未顶好支腿车辆损害√√√√√6316照明不足车辆损害√√√√√122危险源识别与风险评价—览表部 门:工程项目部 年 月 日 序号作业类别活动/工序/部位危险/危害因素事故结果运 行 状 态重 要 危 害 因 素 评 价危害级别现行法律法规现行控制措施时 态状 态可能性等级(L)频繁程度(E)严重等级(C)D=LEC过去现在将来正常异常紧急直 接判 断不可能可能很可能肯定不常常常常频繁轻度中等严重重大是 非分 值分 值分 值1234123123417道路施工取土场机械掏没挖土坍塌√√√√√931.公路工程 施 工 安全 技 术 规程2.安全标志3.厂内机动 车 辆 安全 管 理 规定1.施工方案2.公路工程施工安全操作规程 3.安全检查4.各工种操作规程5.协作队安全管理办法6.临时工、合同工安全生产管理规定7.施工现场考评办法18雨天作业坍塌√√√√√2419不及时处理松动土坍塌√√√√√6420坍塌区未设警示人员误入其他损害√√√√√6421作业无专人指挥车辆损害√√√√√6422多台铲运机作业相间距离小于 2 米...

1、当您付费下载文档后,您只拥有了使用权限,并不意味着购买了版权,文档只能用于自身使用,不得用于其他商业用途(如 [转卖]进行直接盈利或[编辑后售卖]进行间接盈利)。
2、本站所有内容均由合作方或网友上传,本站不对文档的完整性、权威性及其观点立场正确性做任何保证或承诺!文档内容仅供研究参考,付费前请自行鉴别。
3、如文档内容存在违规,或者侵犯商业秘密、侵犯著作权等,请点击“违规举报”。

碎片内容

市政工程施工危险源识别与风险评价表

您可能关注的文档

人从众+ 关注
实名认证
内容提供者

欢迎光临小店,本店以公文和教育为主,希望符合您的需求。

确认删除?
VIP
微信客服
  • 扫码咨询
会员Q群
  • 会员专属群点击这里加入QQ群
客服邮箱
回到顶部