电脑桌面
添加小米粒文库到电脑桌面
安装后可以在桌面快捷访问

市政工程监理资料内业指导书李恒

市政工程监理资料内业指导书李恒_第1页
1/104
市政工程监理资料内业指导书李恒_第2页
2/104
市政工程监理资料内业指导书李恒_第3页
3/104
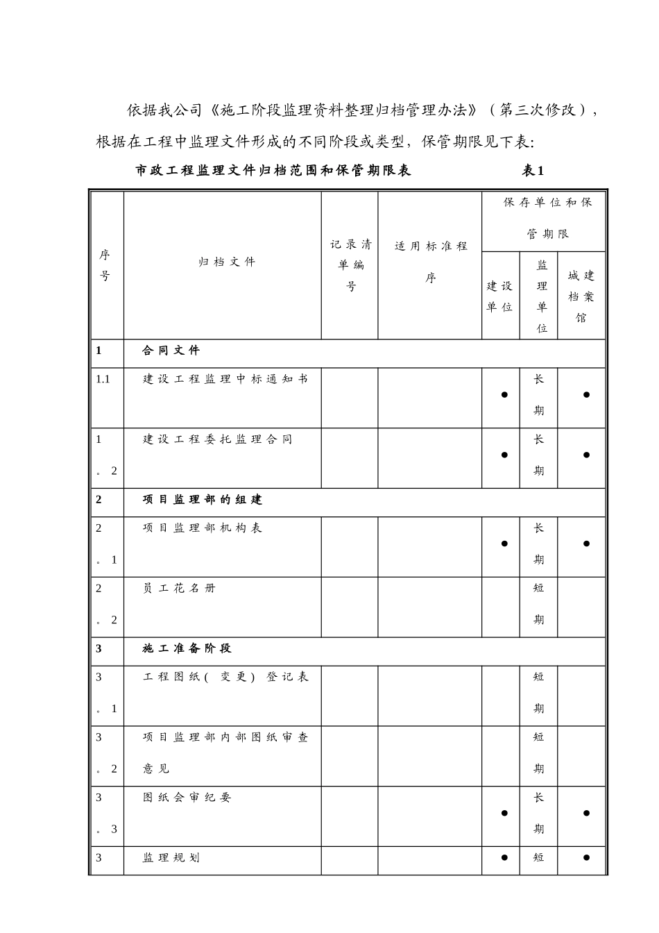
市 政 工 程 监 理 资 料 整 理归 档作 业 指 导 书 (初 稿 )** *****有限责任公司前 言根据《建设工程文件归档整理法律规范》(GB/T50328-2001) 规定,对于工程建设有关的重要活动、记载工程建设主要过程与现状、具有保存价值的各项载体的文件,均应收集齐全,整理立卷后归档。归档文件必须完整、准确、系统,能够反映工程建设活动的全过程.并须经过分类整理、按要求组成案卷。本文中所采纳的表式有些来自《建设工程监理法律规范》的ABC表,还有些来自公司制定的程序表式,均是在各项目部整理、编制监理资料时会使用的表格, 但由于各项目各有特点, 填写的内容也会不同, 考虑到目前各项目部均配备计算机,办公自动化, 因此可以根据各自特点对表式进行调整或创新。依据我公司《施工阶段监理资料整理归档管理办法》(第三次修改),根据在工程中监理文件形成的不同阶段或类型,保管期限见下表:市 政 工 程 监 理 文 件 归 档 范 围 和 保 管 期 限 表 表 1序号归 档 文 件记 录 清单 编 号适 用 标 准 程序保 存 单 位 和 保管 期 限建 设单 位监理单位城 建档 案馆1合 同 文 件1.1建 设 工 程 监 理 中 标 通 知 书●长期●1。 2建 设 工 程 委 托 监 理 合 同●长期●2项 目 监 理 部 的 组 建2。 1项 目 监 理 部 机 构 表●长期●2。 2员 工 花 名 册短期3施 工 准 备 阶 段3。 1工 程 图 纸 (变 更 )登 记 表短期3。 2项 目 监 理 部 内 部 图 纸 审 查意 见短期3。 3图 纸 会 审 纪 要●长期●3监 理 规 划●短●。 4期3.5第 一 次 施 工 场 地 会 议 纪 要及 签 到 表短期3.6监 理 工 作 交 底 会 议 纪 要 及签 到 表短期3。 7工 程 基 本 概 况短期3。 8承 包 单 位 资 质 情 况 表短期3.9分 包 单 位 资 质 报 审 表●短期3。 10鉴 证 试 验 室 评 审 表●短期3。 11建 筑 材 料 送 试 单 ( 见 证 记录 )短期序号归 档 文 件记 录 清单 编 号适 用 标 准 程序保 存 单 位 和 保管 期 限建 设单位监理单位城 建档 案馆3。 12《 施 工 组 织 设 计 (方 案 )报 审 表 》●短期3《 工 程 进 度 计 划 报 验 申 请短。 13表 》期3。 14 《 施 工 测 量...

1、当您付费下载文档后,您只拥有了使用权限,并不意味着购买了版权,文档只能用于自身使用,不得用于其他商业用途(如 [转卖]进行直接盈利或[编辑后售卖]进行间接盈利)。
2、本站所有内容均由合作方或网友上传,本站不对文档的完整性、权威性及其观点立场正确性做任何保证或承诺!文档内容仅供研究参考,付费前请自行鉴别。
3、如文档内容存在违规,或者侵犯商业秘密、侵犯著作权等,请点击“违规举报”。

碎片内容

市政工程监理资料内业指导书李恒

您可能关注的文档

津创媒+ 关注
实名认证
内容提供者

欢迎交流文创,小店资料希望满足您的需要。

确认删除?
VIP
微信客服
  • 扫码咨询
会员Q群
  • 会员专属群点击这里加入QQ群
客服邮箱
回到顶部