电脑桌面
添加小米粒文库到电脑桌面
安装后可以在桌面快捷访问

市政给水管道工程监理细则

市政给水管道工程监理细则_第1页
1/15
市政给水管道工程监理细则_第2页
2/15
市政给水管道工程监理细则_第3页
3/15
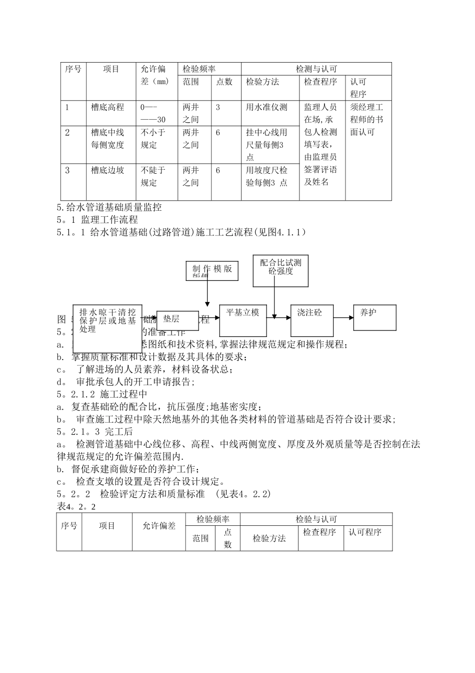
赣榆港区给水管道安装及消火栓给水管道工程监理细则建设单位:连云港市金东方港口投资有限公司市政给水管道工程监理细则一、专业工程概况(编制人员根据所监理的工程特点填写)二、细则编制依据(编制人员根据工程具体情况补充)1.《建筑工程监理法律规范》 GB50319-2000;2.《建筑工程施工质量验收统一标准》 GB50300-2001;3. 本工程的给排水专业施工图纸;4. 已批准的本工程的《监理规划》5。《建筑给水排水及采暖工程施工质量验收法律规范》 GB50242-2024;6。 国家有关法律规范与验收标准7、本工程的施工组织设计三、监理工作流程(见附表)四、监理工作的控制目标值及控制要点(一). 质量控制1、质量控制目标值根据业主要求及施工合同,根据工程要求确定.2、质量控制要点及方法2、给水管道工程施工监理工作:2。 1 给水管道施工工艺流程(见图1。1。1)准备工作测量放线沟槽开挖 作垫层和管基下管装管图2。1.1 施工工艺流程图2. 2 给水管道工程质量监理工作流程(见图1.2。1)3。 给水管道测量放样质量监理3。1。 监理工作流程3。1。1 测量放样工艺流程图(见图2。1。1) 图 3。1。1 给水管道测量放样工艺流程3.2. 监理工作内容: 3.2。1 要求3。2。1。1 要求承包人,测量人员熟悉图纸,掌握测量的有关数据,做好内业的准备工作。进场测量放线须经监理工程师审查同意方可进行。3.2。1.2 监理人员核测临时水准点闭合差及导线方位角闭合差是否在允许误差范围内;检验管道中线、附属构筑位置、沟槽长度;检查坡度设置位置、高程是否与另一水准点闭合。3。2.1.3 检测管道中心线控制点、中心桩位置、中心桩高程;检查接入原有管道高程和开挖沟槽边线、交通、排水等是否妥善,坡度桩埋设是否准确.4.2 监理工作内容4.2.1 监理工作的要点4.2.1.1 监理工程师根据承包人开挖沟槽的施工组织设计、施工工艺、施工措施、工人、技术管理人员、机具、材料进场情况和现场施工条件等,监理工程师审批承建商申请的开工报告。4.2.1.2 工程完工时,监理工程师复查合格后签认交工证书4.2.1.3 监理人员在沟槽开挖前的准备工作是复查沟槽断面形式是否安全,施工过程中随机复查沟槽中线位置、宽度、高程,严防超挖和扰动破坏原状土。4.2.1.4 监理工程师在沟槽开挖过程中承建商要求应做到的几点要求:a。 检查沟槽高程、中线两侧宽度;b。 选用支撑(浅槽可不用支撑);c。 审查机械开挖的安全应符合安全操作规程;d。 ...

1、当您付费下载文档后,您只拥有了使用权限,并不意味着购买了版权,文档只能用于自身使用,不得用于其他商业用途(如 [转卖]进行直接盈利或[编辑后售卖]进行间接盈利)。
2、本站所有内容均由合作方或网友上传,本站不对文档的完整性、权威性及其观点立场正确性做任何保证或承诺!文档内容仅供研究参考,付费前请自行鉴别。
3、如文档内容存在违规,或者侵犯商业秘密、侵犯著作权等,请点击“违规举报”。

碎片内容

市政给水管道工程监理细则

您可能关注的文档

一帆文传+ 关注
实名认证
内容提供者

欢迎光临店铺,各类公文供您挑选。

确认删除?
VIP
微信客服
  • 扫码咨询
会员Q群
  • 会员专属群点击这里加入QQ群
客服邮箱
回到顶部