电脑桌面
添加小米粒文库到电脑桌面
安装后可以在桌面快捷访问

市政预算工程量计算规则

市政预算工程量计算规则_第1页
1/9
市政预算工程量计算规则_第2页
2/9
市政预算工程量计算规则_第3页
3/9
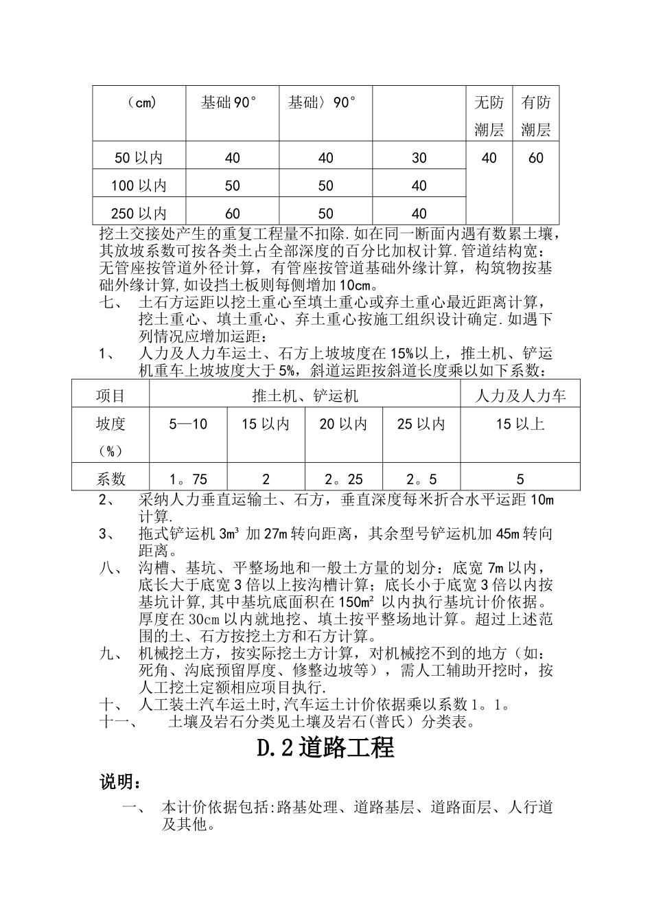
D1 土石方工程说明:一、 土石方工程定额除各章另有说明外,使用于市政工程项目其他章。二、 干、湿土的划分首先以地质勘查资料为准,含水量≧25%为湿土;或以地下常水位为准,常水位以上为干土,以下为湿土.挖湿土时,人工和机械乘以系数 1.18,干、湿土工程量分别计算。采纳井点降水的土方应按干土计算。三、 人工夯实土堤,机械夯实土堤执行本章人工填土夯实平地、机械填土夯实平地子目。四、 挖土机在垫板上作业,人工和机械乘以系数 1。25,搭拆垫板的人工、材料和辅机摊销费另行计算。五、 推土机推土或铲运机铲土的平均土层厚度〈30cm 时,其推土机台班乘以系数 1。25,铲运机台班乘以系数 1.17。六、 在支撑下挖土,按实挖体积人工乘以系数 1。43,机械乘以系数 1。20.先开挖后支撑的不属于支撑下挖土。七、 挖密实的钢碴,按挖四类土人工乘以系数 2。50,机械乘以系数 1。50。八、 0。2m³ 抓斗挖土机挖土、淤泥、流沙按 0。5m³ 抓铲挖掘机挖土、淤泥、流沙项目消耗量乘以系数 2。50 计算。九、 自卸汽车运土,如系反铲挖掘机装车,则自卸汽车运土台班数量乘以系数 1。10;拉铲挖掘机装车,自卸汽车运土台班数量乘以系数 1。20。十、 石方爆破按炮眼法松动爆破和无地下渗水积水考虑,防水和覆盖材料未在项目内。采纳火雷管可以换算,雷管数量不变,扣除胶质导线用量,增加导火索用量,导火索长度按每个雷管2。12m 计算。抛掷和定向爆破另行处理。打眼爆破若要达到石料粒径要求,则增加的费用另算.十一、本定额不包括现场障碍物清理,障碍物清理费用另行计算。弃土、石方的场地占用费按当地法律规范处理。十二、本章定额中为满足环保要求而配备了洒水车在施工现场降尘,若实际施工中未采纳洒水汽车降尘的,在结算中应扣除洒水汽车和水的费用。十三、人工挖槽、基坑内淤泥、流沙的深度超过 2m,其垂直运输按下表增加日工(工程量按超过 2m 深度部分工程量).项目单位挖土深度(m 以内)增 加工日工日3456789106。959。7312.51 15.29 18。0720.58 23。6326.41十四、清单编码 040101004 竖井挖土方、040101005 暗挖土方执行 D.4 隧道工程中相应项目工程量计算规则:一、 本章定额的土、石方体积均以天然密实体积(自然方)计算,回填土按碾压后的体积(实方)计算。土方体积换算见下表:表格 1 土方量换算表虚方量天然密度体积夯实后体积松填体积1。001。301。501。200。771。001.150.920。670.871。000。800...

1、当您付费下载文档后,您只拥有了使用权限,并不意味着购买了版权,文档只能用于自身使用,不得用于其他商业用途(如 [转卖]进行直接盈利或[编辑后售卖]进行间接盈利)。
2、本站所有内容均由合作方或网友上传,本站不对文档的完整性、权威性及其观点立场正确性做任何保证或承诺!文档内容仅供研究参考,付费前请自行鉴别。
3、如文档内容存在违规,或者侵犯商业秘密、侵犯著作权等,请点击“违规举报”。

碎片内容

市政预算工程量计算规则

一帆文传+ 关注
实名认证
内容提供者

欢迎光临店铺,各类公文供您挑选。

相关文档

确认删除?
VIP
微信客服
  • 扫码咨询
会员Q群
  • 会员专属群点击这里加入QQ群
客服邮箱
回到顶部