电脑桌面
添加小米粒文库到电脑桌面
安装后可以在桌面快捷访问

平改坡施工方案

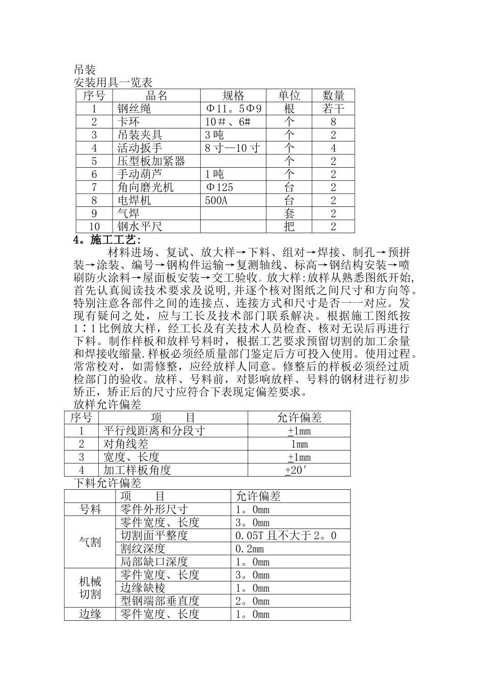
平改坡施工方案_第1页
1/8
平改坡施工方案_第2页
2/8
平改坡施工方案_第3页
3/8
1.平改坡施工组织方案1.工艺流程支搭外脚手架→清理屋面、放屋架支撑墩位置线→沿线、剔凿屋面砼到圈梁、清理浮土→打眼、植筋、支模、浇砼墩→养护→钢屋架吊装定位、电焊、满焊→上檩条→接砌烟道、封砌柁档→钉望板、新做老虎窗→粘贴德高瓦→刷外墙涂料→验收屋面→拆除外脚手架。2.主要施工方法在原平顶上安装角钢焊接的人字屋架,四坡顶在钢屋架上安10 Χ 12 cm 的木檩,用 M 16螺栓与钢屋架连接,上铺胶合板,胶合板上下错档,上铺防水层,再钉德高瓦。钢屋架与原结构连接,用24 Χ 30 Χ 20 cm 的钢筋砼柱墩做再原结构圈梁上,柱墩的竖向用6 Φ 12的主筋与固定钢屋架的2 M20 的螺栓深化圈梁内20cm 深,用化学注浆法锚固。然后绑轧钢筋套子,支模板,打砼,养护。柁档用加气块封砌,檐口用水泥纤维板加高,新做找平层,刷聚胺脂防水,利用原雨水口和雨水管。挑檐立面和底面刷外墙涂料.外用脚手架:采纳支搭双排钢管脚手架。2。构造要求:立杆:横距 1。2 米,纵距 1。5 米.内立杆距建筑物外墙 0.5 米。相邻立杆的接头位置错开布置在不同步距内,与相邻大横杆的距离不大于步距的三分之一。立杆与大横杆必须用直角扣件扣紧,大横杆对立杆起约束作用,对确保立杆承载能力的关系很大,不得隔步设置或遗漏。立杆的垂直偏差应不大于架高 1/300,并同时控制其绝对偏差值小于 50mm。大横杆:步距 1.8米。上下横杆的接槎位置应错开布置在不同的立杆纵距中,与相邻立杆的距离不大于纵距的三分之一。小横杆:相邻立杆布置,搭于大横杆上并用直角扣件扣紧。剪刀撑:在每面脚手架的两端设置,并在中间每隔 12—15 米设一道。剪刀撑应联系 3—4 根立杆,斜杆与地面夹角为 45-60 度角。剪刀撑沿架高连续布置。连墙件:按三步三跨设置,垂直间距小于 6 米,固定在楼到窗口.护栏和挡脚板:在操作层满铺脚手板,设 2 道护栏和挡脚板。上栏高度大于 1.1 米.安全网:在施工部位挂密眼安全网。与建筑物拉接:有楼梯间的一面,架子与楼梯间窗口用钢管拉接.没有楼梯间的面,1—3 层支顶斜支撑,4—6 层在墙上打孔,下 Ф16 的膨胀螺栓,用双股 8 号铅丝与脚手架拉接,并用钢管反顶,保证架子的稳定.3。安全管理:脚手架搭设人员必须是专业架子工.工作时戴安全帽、安全带,穿防滑鞋。操作层上的施工荷载不得超载。六级以上大风和雨天停止脚手架作业。大风和大雨后对脚手架进行检查和保修,检查地基是否积水,底座...

1、当您付费下载文档后,您只拥有了使用权限,并不意味着购买了版权,文档只能用于自身使用,不得用于其他商业用途(如 [转卖]进行直接盈利或[编辑后售卖]进行间接盈利)。
2、本站所有内容均由合作方或网友上传,本站不对文档的完整性、权威性及其观点立场正确性做任何保证或承诺!文档内容仅供研究参考,付费前请自行鉴别。
3、如文档内容存在违规,或者侵犯商业秘密、侵犯著作权等,请点击“违规举报”。

碎片内容

平改坡施工方案

确认删除?
VIP
微信客服
  • 扫码咨询
会员Q群
  • 会员专属群点击这里加入QQ群
客服邮箱
回到顶部