电脑桌面
添加小米粒文库到电脑桌面
安装后可以在桌面快捷访问

应急预案演练记录表

应急预案演练记录表_第1页
1/3
应急预案演练记录表_第2页
2/3
应急预案演练记录表_第3页
3/3
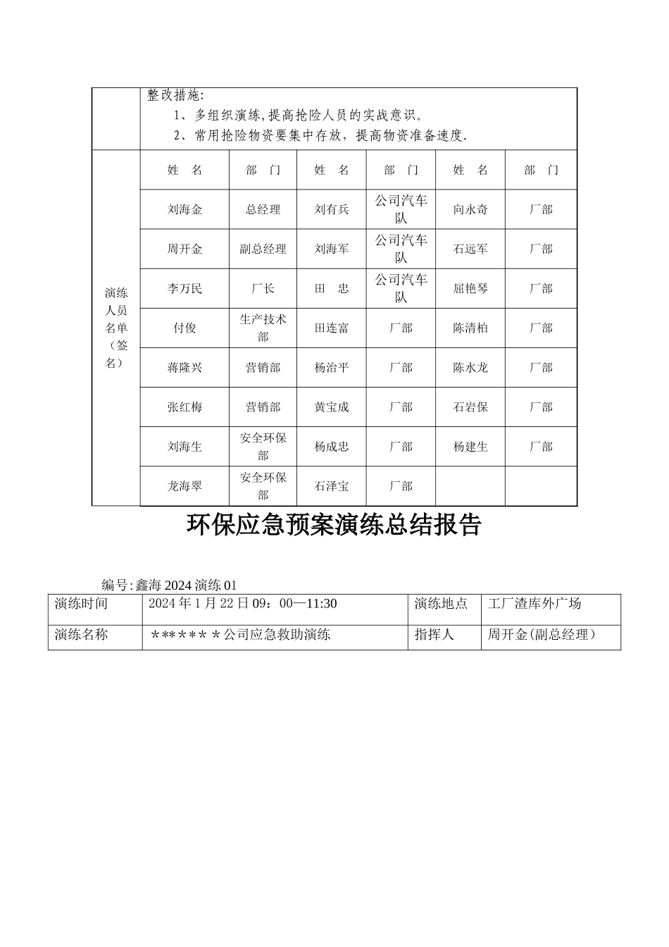
应急预案演练记录表演练组织部门安全环保部演练时间2024 年 1 月 22 日演练的地点 公司工厂渣场演练目的为全面贯彻落实国家和省、市环境应急的各项措施要求,确保危险废物在厂区内环境污染事故突发时,能够快速响应,有序行动,高效处置,降低危害,实现防止污染,保护环境的目的演练主要内容演练名称:*******公司危险废物暴雨应急抢救演练演练过程:1 月 22 日 8 时 30 分生产技术部调度接到工厂办公室报告:因持续暴雨,工厂危险物品酸浸渣、铜镉渣发生垮塌渗漏,进出道路已淹没。8 时 30 分调度值班人将信息公司应急指挥办公室,公司应急指挥办公室随即向公司应急领导小组组长刘海金进行了汇报,公司应急指挥领导小组组长根据气象的进展,要求公司应急指挥办公室立即启动人员应急救助预案,并同时将信息向公司应急指挥中心办公室进行了汇报。8 时 35 分,公司应急指挥办公室发出应急救援准备指令:1、材料人员做好救援器材物资的准备;2、汽车队准备 2 辆应急越野车在大楼前待命;3、应急救援人员 8 时 35 分在大楼大厅集合。8 时 40 分应急救援人员穿戴齐全救生设备集合完毕,应急指挥领导小组组长刘海金下令由周克金、钟杰 2 人组成现场应急指挥小组,带领 6名救援人员到现场救援,并简短的发布了命令、要求、注意事项。8 时 50 分两辆乘载 8 名现场应急人员和设备的应急车出发,前往工厂,后勤保障小组及时与工厂取得了联系,请求做好人员检查、抢救准备.9 时 10 分现场应急救助小组到达酸浸渣、铜镉渣的仓库旁,在现场公司领导周克金负责带领 26 人、两台汽车、一台铲车进行酸浸渣应急抢救,工厂厂长钟杰负责带领 12 人、一台汽车、一台铲车负责铜镉渣应急抢救。现场应急抢救中,搬运的搬运,上汽车的上汽车,盖棚的盖棚,清沟的清沟.演练抢救无效废物时间大约进行 2 个小时左右。11 时 30 分现场应急抢救全部完毕,应急指挥领导小组组长刘海金宣布******有限公司人员应急救演练终止,并对本次应急演练进行了讲评.演练存在的问题及整改措施:存在的问题1、实战意识不强、抢险气氛不浓厚,没有达到紧张有序的演练要求.2、抢险物资准备不太充分,物资存放不集中,装车速度慢.整改措施:1、多组织演练,提高抢险人员的实战意识。2、常用抢险物资要集中存放,提高物资准备速度.演练人员名单(签名)姓 名部 门姓 名部 门姓 名部 门刘海金总经理刘有兵公司汽车队向永奇厂部周开金副总经理刘海...

1、当您付费下载文档后,您只拥有了使用权限,并不意味着购买了版权,文档只能用于自身使用,不得用于其他商业用途(如 [转卖]进行直接盈利或[编辑后售卖]进行间接盈利)。
2、本站所有内容均由合作方或网友上传,本站不对文档的完整性、权威性及其观点立场正确性做任何保证或承诺!文档内容仅供研究参考,付费前请自行鉴别。
3、如文档内容存在违规,或者侵犯商业秘密、侵犯著作权等,请点击“违规举报”。

碎片内容

应急预案演练记录表

雏圣文化+ 关注
实名认证
内容提供者

欢迎光临,大量办公文档供您挑选。

确认删除?
VIP
微信客服
  • 扫码咨询
会员Q群
  • 会员专属群点击这里加入QQ群
客服邮箱
回到顶部