电脑桌面
添加小米粒文库到电脑桌面
安装后可以在桌面快捷访问

建筑垃圾清理工作施工方案设计

建筑垃圾清理工作施工方案设计_第1页
1/6
建筑垃圾清理工作施工方案设计_第2页
2/6
建筑垃圾清理工作施工方案设计_第3页
3/6
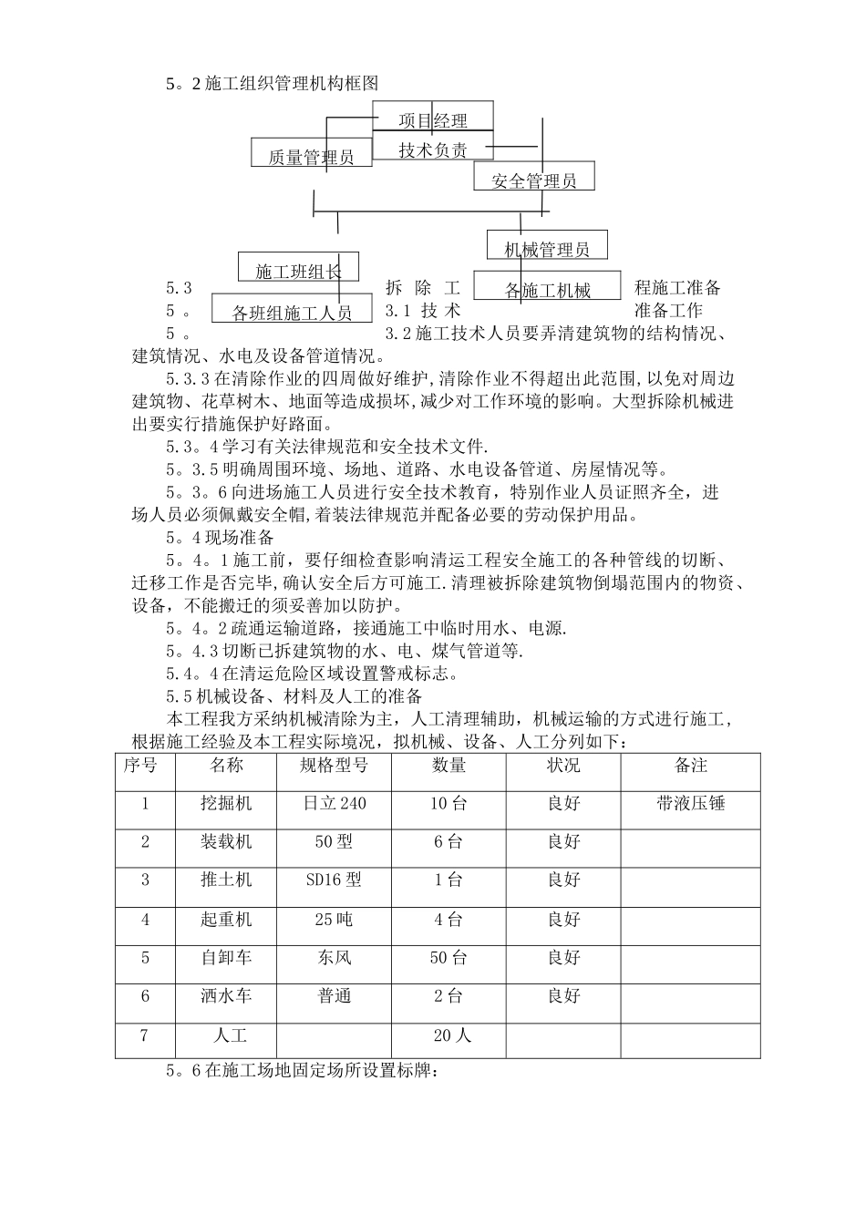
山东亚太森博浆纸有限公司建筑垃圾清理工作施工方案日照祥盛建设工程有限公司2012 年 6 月 6 日目录1.编制说明………………………………………………………………32.编制依据………………………………………………………………33.工程概况……………………………………………………………34.工程管理目标………………………………………………………34。1 质量管理目标………………………………………………………34。2 工期目标…………………………………………………………34。3 安全生产目标………………………………………………………34。4 文明施工场地目标………………………………………………………35.施工方案……………………………………………………… 35.1 施工组织机构的建立………………………………………………35.2 施工组织管理机构框图………………………………………45。3 拆除工程施工准备…………………………………………………45.4 现场准备…………………………………………………………45.5 机械设备、材料及人工的准备……………………………………45。6 在施工场地固定场所设置标牌…………………………………………55.7 施工影响范围内的建筑物和有关管线……………………………56。防尘措施………………………………………………………………57。垃圾清运方法……………………………………………………58。清运工程安全措施……………………………………………………59。清运工程文明施工管理………………………………………………710。确保工期组织措施…………………………………………………81.编制说明经过现场踏勘,综合考虑施工安全、施工进度等要求,结合我公司多年来从事此类工程的施工经验,编制此施工方案。2。编制依据2.1 甲方提供的山东亚太森博浆纸有限公司建筑垃圾清理工作;2。2 由甲方提供的建筑垃圾的范围示意图;2.3 其它相关专业法律规范及行业标准。3.工程概况3.1 项目名称山东亚太森博浆纸有限公司建筑垃圾清理工作3。2 项目概况本工程位于山东亚太森博浆纸有限公司西侧,原日照市成家村及八里庄,经征地动迁后,动迁所遗留的建筑垃圾等地表物需要清理外运及表土清理3。3 清理范围地表建筑垃圾清理外运、建筑物基础清理外运、地表杂草、腐殖土清理外运、灌木和树根挖除外运、原道路混凝土层及路基清理外运、原有排水沟清理回填、废旧电线杆等清理外运。3。4 清理说...

1、当您付费下载文档后,您只拥有了使用权限,并不意味着购买了版权,文档只能用于自身使用,不得用于其他商业用途(如 [转卖]进行直接盈利或[编辑后售卖]进行间接盈利)。
2、本站所有内容均由合作方或网友上传,本站不对文档的完整性、权威性及其观点立场正确性做任何保证或承诺!文档内容仅供研究参考,付费前请自行鉴别。
3、如文档内容存在违规,或者侵犯商业秘密、侵犯著作权等,请点击“违规举报”。

碎片内容

建筑垃圾清理工作施工方案设计

您可能关注的文档

确认删除?
VIP
微信客服
  • 扫码咨询
会员Q群
  • 会员专属群点击这里加入QQ群
客服邮箱
回到顶部