电脑桌面
添加小米粒文库到电脑桌面
安装后可以在桌面快捷访问

建筑工程安全资料完整版

建筑工程安全资料完整版_第1页
1/64
建筑工程安全资料完整版_第2页
2/64
建筑工程安全资料完整版_第3页
3/64
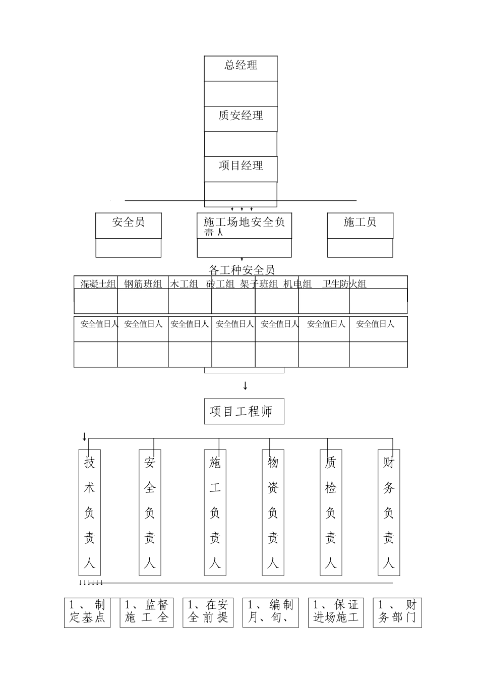
单 位 工 程 概 况工程名称工程地点建筑面积3-15#:11552㎡3-16#:11399㎡幼儿园:2085㎡结构形式框剪层次3-15#:十一层3-16#:二层幼儿园:三层建筑高度3—15#:7。40M3-16#:32.60M幼儿园:10.80M纵向长度3-15#:105200M3-16#:101200M幼儿园: M宽度3-15#:24200M3-16#:24200M幼儿园: M工程总造价1148 万元施工许可证批准文号开工日期2024 年 月 日计划竣工日期20 年 月 日建设单位名称甲方代表勘察单位名称资质等级乙级设计单位名称资质等级甲级监理单位名称联系电话监理单位资质监理工程师安全监督单位安全监督员质量监督单位质量监督员施工单位法人代表施工单位地址联系电话施工单位资质经济类型项目经理岗位证书编号质检员岗位证书编号施工员岗位证书编号安全员岗位证书编号预算员岗位证书编号安全责任目标分解示意图↓↓↓↓↓↓↓↓↓↓↓各工种安全员↓↓↓↓↓↓↓项目部质量、安全管理网络项目经理↓项目工程师↓技术负责人安全负责人施工负责人物资负责人质检负责人财务负责人↓↓↓↓↓↓1 、 制定基点1、监督施 工 全1、在安全 前 提1 、编制月、旬、1 、保证进场施工1 、 财务部门总经理质安经理项目经理安全员施工场地安全负责人施工员混凝土组 钢筋班组 木工组 砖工组 架子班组 机电组 卫生防火组安全值日人 安全值日人 安全值日人 安全值日人 安全值日人 安全值日人 安全值日人质量保证措施和分期工程施工方案2 、 督促质量保证措施落实3 、 解决施工中的技术问题过 程 的安 全 检查 生 产纠 正 违章。2、配 合 有关 部 门排 除 安全障碍。3、全 员 安全 活 动和 安 全教育。4、监 督 蓉用 品 质量。下 合 理安 排 生产计划,2、组 织 施工 技 术措 施 的实施,3、保 证 施工 人 员数 量 确保工期.周进度计划制定人员 、 设备、材料的供应计划,2、监督操作人员按计划生产。人员技术素养 ,2 、对每个分部分项工程进行跟踪检查,3、及时发现和解决问题并作好记录。保证材料工具及进到位的经费 , 2、卫生、行政部门,确保工人生活基本条件,确保工人待遇.工程项目部作业班组安全生产责任状甲方:工程项目部乙方: 电工班组 因甲方施工生产的需要,甲方以包工不包料的方式委托乙方承建工程_____________分部施工任务,为保证施工过程中的安全,甲方与乙方特签订如下责任状,在合同期内乙方保证做到:一、各操作人员应认真学好弄通各...

1、当您付费下载文档后,您只拥有了使用权限,并不意味着购买了版权,文档只能用于自身使用,不得用于其他商业用途(如 [转卖]进行直接盈利或[编辑后售卖]进行间接盈利)。
2、本站所有内容均由合作方或网友上传,本站不对文档的完整性、权威性及其观点立场正确性做任何保证或承诺!文档内容仅供研究参考,付费前请自行鉴别。
3、如文档内容存在违规,或者侵犯商业秘密、侵犯著作权等,请点击“违规举报”。

碎片内容

建筑工程安全资料完整版

您可能关注的文档

确认删除?
VIP
微信客服
  • 扫码咨询
会员Q群
  • 会员专属群点击这里加入QQ群
客服邮箱
回到顶部