电脑桌面
添加小米粒文库到电脑桌面
安装后可以在桌面快捷访问

建筑工程工地复工检查表

建筑工程工地复工检查表_第1页
1/2
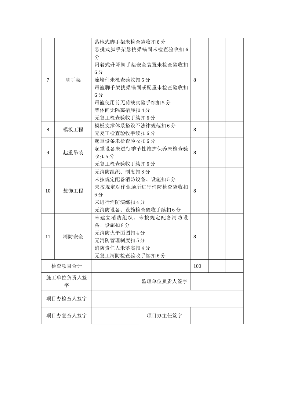
建筑工程工地复工检查表_第2页
2/2
施工场地复工检查表工程名称施工单位项目经理监理单位项目总监序号检查项目扣分标准应得分数扣减分数实得分数1安全基础管理未建立安全组织机构,未按规定配备专职安全人员扣 12 分项目经理,项目总监,专职安全人员不到岗的扣 8 分未编制安全资金投入计划扣 6 分特别作业人员未经安全教育或安全教育不合格上岗的,不持有效证件上岗操作的扣 4分无复工检查验收手续扣 6 分122临时用电外电线路防护未检查验收扣 6 分场内架空线路未检查验收扣 6 分总箱、分箱、开关箱未检查验收扣 6 分漏电保护器失灵扣 5 分生活用电未检查验收扣 4 分无复工检查验收手续扣 6 分123安全防护设施未制定年度安全防护方案扣 8 分安全带、帽、网未检查验收扣 4 分临边、洞口防护设施不法律规范未检查验收扣 4 分安全通道防护棚搭设不法律规范未检查验收扣 5 分无复工检查验收手续扣 6 分104起重机械起重机械垂直度未检查验收扣 6 分起重机械附着装置未检查验收扣 8 分起重机械安全保险装置不合格的扣 6 分起重机械未进行季节性维护保养的扣 4 分复工无检查验收手续扣 6 分105施工机具施工机具未检查验收扣 6 分无复工检查验收手续扣 6 分86深基坑无近期基坑支护变形监测记录扣 6 分无近期基坑周边环境沉降观察记录扣 6 分基坑积水超标准扣 4 分无复工检查验收手续扣 6 分87脚手架落地式脚手架未检查验收扣 6 分悬挑式脚手架悬挑梁锚固未检查验收扣 6分附着式升降脚手架安全装置未检查验收扣6 分连墙件未检查验收扣 6 分吊篮脚手架挑梁锚固或配重未检查验收扣6 分吊篮使用前无荷载实验手续扣 5 分架体间无隔离措施扣 4 分无复工检查验收手续扣 6 分88模板工程模板支撑体系搭设不法律规范扣 6 分无复工检查验收手续扣 6 分89起重吊装起重设备未检查验收扣 6 分起重设备未进行季节性维护保养未检查验收扣 5 分无复工检查验收手续扣 6 分810装饰工程无消防组织、制度扣 8 分未按规定配备消防设备、设施扣 5 分未按规定对作业场所进行消防检查验收扣6 分未进行消防演练扣 4 分无消防设备、设施检查验收手续扣 6 分811消防安全未建立消防组织、未按规定配备消防设备、设施扣 8 分无消防火平面图扣 4 分无消防管理制度扣 5 分消防责任人未落实扣 4 分无复工消防检查验收手续扣 6 分8检查项目合计100施工单位负责人签字监理单位负责人签字项目办检查人签字项目办复查人签字项目办主任签字

1、当您付费下载文档后,您只拥有了使用权限,并不意味着购买了版权,文档只能用于自身使用,不得用于其他商业用途(如 [转卖]进行直接盈利或[编辑后售卖]进行间接盈利)。
2、本站所有内容均由合作方或网友上传,本站不对文档的完整性、权威性及其观点立场正确性做任何保证或承诺!文档内容仅供研究参考,付费前请自行鉴别。
3、如文档内容存在违规,或者侵犯商业秘密、侵犯著作权等,请点击“违规举报”。

碎片内容

建筑工程工地复工检查表

确认删除?
VIP
微信客服
  • 扫码咨询
会员Q群
  • 会员专属群点击这里加入QQ群
客服邮箱
回到顶部