电脑桌面
添加小米粒文库到电脑桌面
安装后可以在桌面快捷访问

建筑工程施工图审查要点、提示清单

建筑工程施工图审查要点、提示清单_第1页
1/4
建筑工程施工图审查要点、提示清单_第2页
2/4
建筑工程施工图审查要点、提示清单_第3页
3/4
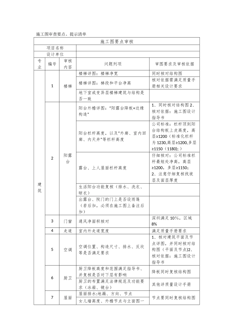
施工图审查要点、提示清单施工图要点审核项目名称设计单位专业编号审核内容问题列项审图要求及审核依据建筑1楼梯楼梯详图:楼梯净宽同时核对结构图楼梯详图:梯段和平台净高核对依据需满足质量手册相关设计要求地下室或变异层楼梯建筑与结构是否一致2阳露台阳台外檐详图:“阳露台降板+边缘构造”1、同时核对结构图 2、核对依据:施工图设计指导书阳台栏杆高度,以及“外廊、室内回廊、内天井”等栏杆高度公司标准:栏杆顶到阳台结构板上皮高度,高层≥1200(标准化栏杆为 1230,高层≥1200,多层≥1150(1180); )露台、上人屋面栏杆高度仔细核对:公司标准栏杆最短处净高,高层≥1200,多层≥1150;2、注意仔细复核找坡层及面层厚度生活阳台功能复核(排水、洗衣、晾衣)出露台、院门的门上是否设雨篷(若后加,必须在施工图上备注后加)3门窗通风净面积核对深圳满足 10%,区域8%4走道室内外走道宽度满足质量手册要求5空调空调位置、构造尺寸、排水、反坎等是否满足要求1、核对建筑平面及节点详图,并同时核对结构图(平面及节点)2、核对依据:施工图设计指导书6厨卫厨卫降板高度和范围满足指导书、并复核是否对下层有影响降板同时复核结构图厨卫的布置满足法律规范及功能要求(冰箱、镜台)其他详质量设计手册7屋面屋面排水:地漏、方向、节点节点要同时复核结构图女儿墙高度、外檐节点与立面图一致出屋面烟道、排水管孔底距最不利上人屋面完成面不小于 1.8 米8地下室方案是否合理经济:出入口、停车数量、设备房;无效面积是否过多(非转换结构)结构1基础桩的布置合理及成本最低2地下室混凝土墙柱与建筑一致(位置及定位大小)结构布置应满足停车最多和成本最低原则挡土墙墙厚、配筋及计算模型合适3计算书1、计算模型的输入条件和计算指标应符合合适的标准 2、施工图的配筋应与计算书结果相符4柱墙1、墙柱的布置方案最优 2、墙柱定位及尺寸与建筑一致5梁1、梁的布置在建筑图上复核,满足建筑要求(重点复核顶层、变异层)2、方案最优6板厚板和异型板的配筋应符合计算模型的计算结果降板应满足建筑要求7楼梯楼梯详图:楼梯净宽、净高;地下室或变异层楼梯建筑与结构是否一致详建筑备注8屋面防水和节点大样同时核对建筑外檐详图给排水1系统问题给水、排水、消防系统是否正确(特别是消防)1、市政压力利用状况,给水分区合理 2、消火栓分区合理,消防级别正确2给排水总图给排水总图布置是否合理(给排水管管径、化粪池、检查井)1、给水引...

1、当您付费下载文档后,您只拥有了使用权限,并不意味着购买了版权,文档只能用于自身使用,不得用于其他商业用途(如 [转卖]进行直接盈利或[编辑后售卖]进行间接盈利)。
2、本站所有内容均由合作方或网友上传,本站不对文档的完整性、权威性及其观点立场正确性做任何保证或承诺!文档内容仅供研究参考,付费前请自行鉴别。
3、如文档内容存在违规,或者侵犯商业秘密、侵犯著作权等,请点击“违规举报”。

碎片内容

建筑工程施工图审查要点、提示清单

确认删除?
VIP
微信客服
  • 扫码咨询
会员Q群
  • 会员专属群点击这里加入QQ群
客服邮箱
回到顶部