电脑桌面
添加小米粒文库到电脑桌面
安装后可以在桌面快捷访问

建筑工程标准体系概述

建筑工程标准体系概述_第1页
1/22
建筑工程标准体系概述_第2页
2/22
建筑工程标准体系概述_第3页
3/22
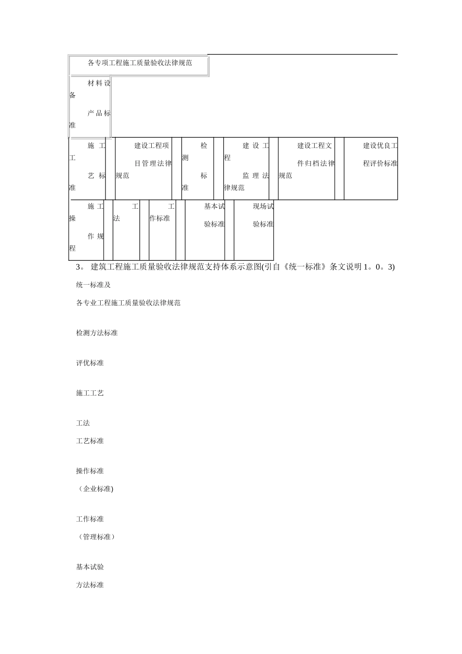
引用 建筑工程(质量)标准体系概述本文引用自奥汶世玉《建筑工程(质量)标准体系概述》奥汶世玉 的 建筑工程(质量)标准体系概述建筑工程(质量)标准体系概述(一)工程标准简介我国工程标准有两种性质、四个级别与十种类型(按功能分)1.我国工程标准的两种性质我国标准按性质分为两类:强制性标准和推举性标准.强制性标准对推举性标准有指导和制约作用(1)GB/50300—2001 《建筑工程施工质量验收统一标准》为强制性标准、条文强制; GB/T19001———2000 《质量管理体系》为推举性标准。(2 ) DL/5009.1—2024 《 电 力 建 设 安 全 工 作 规 程 ( 火 力 发 电 厂 部 分 ) 》 为 强 制 性 标 准 、 全 文 强 制 ; DL/T5161。1-5161.17-—-2024《电气装置安装工程质量检验及评定规程》为推举性标准、条文强制。●讨论:强制性标准和推举性标准的区别和联系a.强制性条文与强制性标准的其它条款都应仔细执行(a)对违反强制性条文规定者,无论其行为是否一定导致事故的发生,都将依据《建设工程质量管理条例》和建设部 81 号令的规定进行处罚,即平常所说的“事前查处”。(b)在无充分理由且未经规定程序评定时,强制性标准中的非强制性条文内容也应仔细执行,不得突破。当发生质量安全问题后,强制性标准中的非强制性条文也将作为判定责任的依据,即所谓的“事后处理”。b。现行强制性标准条文并不能覆盖工程建设领域的各个环节,一些推举性标准所覆盖的领域、环节中可能也有直接涉及质量、安全、环保人身健康和公众利益的技术要求。所以,作为工程技术人员,要确保工程质量安全,除必须严格执行强制性条文和强制性标准外,还应积极采纳国家推举性标准。推举性标准一但写进合同,就成为合同要求,就必须严格遵守.2。我国工程标准的四个等级(1)国家标准:GB/×××××--××××。(2)行业标准:部标准+专业标准=行业标准,如 DL/T××××——-××××,JGJ(建设部标准),CECS(中国工程建设标准化协会标准,绿皮书)如:火电专业《电力建设施工质量验收及评定规程 DL/T 5210》,该系列标准分如下九个部分:①DL/T 5210.1—2024《电力建设施工质量验收及评定规程 第 1 部分:土建工程》;② 锅炉;③ 汽轮机;④热工仪表及控制装置;⑤ 管道;⑥水处理及制氢装置;⑦ 焊接;⑧加工配制;⑨ DL/T 5161。1—5161。17—2024《电气装置安装工程质量检验及评定规程》。再如:《普通混凝土用砂、石...

1、当您付费下载文档后,您只拥有了使用权限,并不意味着购买了版权,文档只能用于自身使用,不得用于其他商业用途(如 [转卖]进行直接盈利或[编辑后售卖]进行间接盈利)。
2、本站所有内容均由合作方或网友上传,本站不对文档的完整性、权威性及其观点立场正确性做任何保证或承诺!文档内容仅供研究参考,付费前请自行鉴别。
3、如文档内容存在违规,或者侵犯商业秘密、侵犯著作权等,请点击“违规举报”。

碎片内容

建筑工程标准体系概述

确认删除?
VIP
微信客服
  • 扫码咨询
会员Q群
  • 会员专属群点击这里加入QQ群
客服邮箱
回到顶部