电脑桌面
添加小米粒文库到电脑桌面
安装后可以在桌面快捷访问

建筑施工企业的重大危险源清单

建筑施工企业的重大危险源清单_第1页
1/8
建筑施工企业的重大危险源清单_第2页
2/8
建筑施工企业的重大危险源清单_第3页
3/8
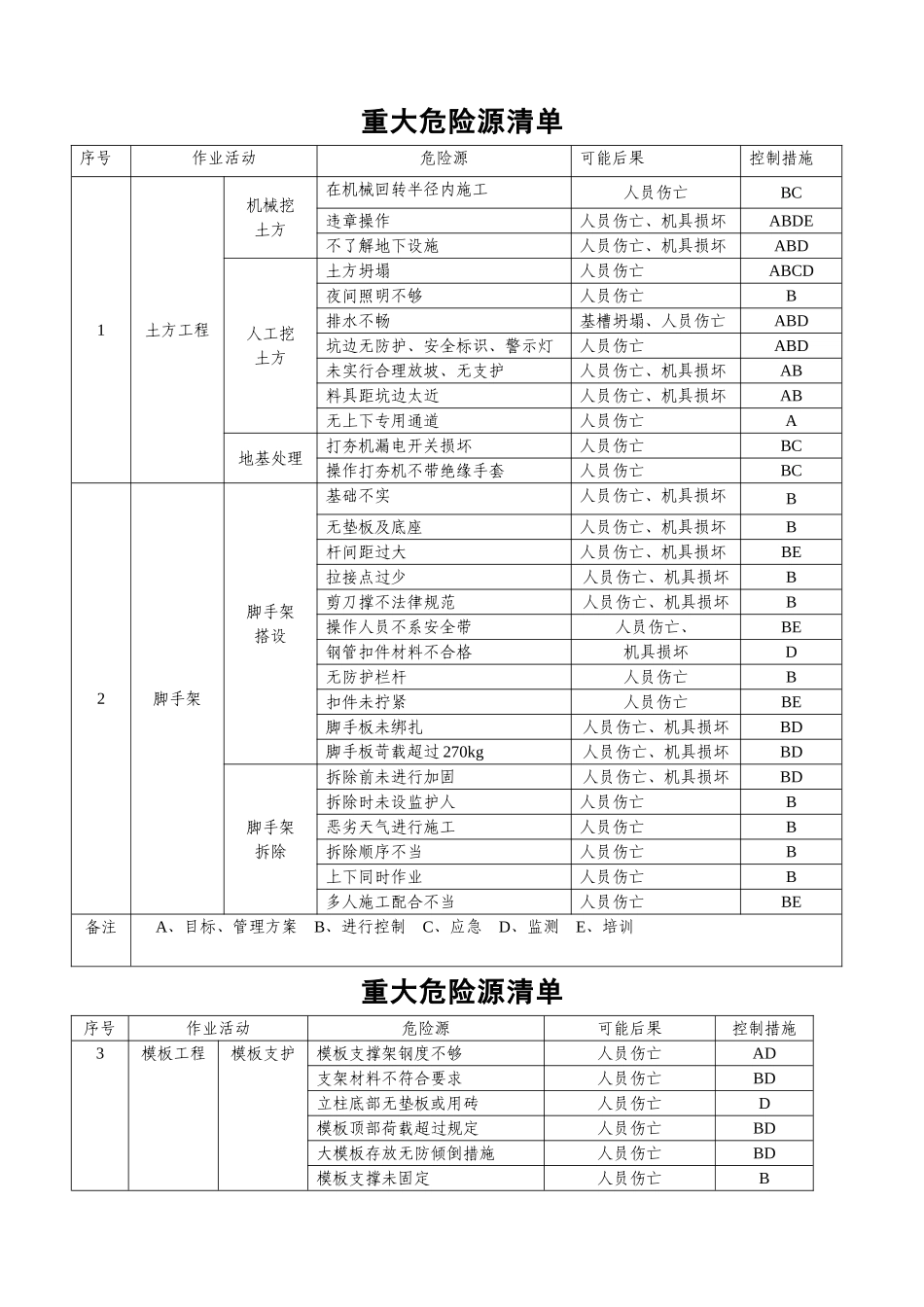
重大危险源清单序号作业活动危险源可能后果控制措施1土方工程机械挖土方在机械回转半径内施工人员伤亡BC违章操作人员伤亡、机具损坏ABDE不了解地下设施人员伤亡、机具损坏ABD人工挖土方土方坍塌人员伤亡ABCD夜间照明不够人员伤亡B排水不畅基槽坍塌、人员伤亡ABD坑边无防护、安全标识、警示灯人员伤亡ABD未实行合理放坡、无支护人员伤亡、机具损坏AB料具距坑边太近人员伤亡、机具损坏AB无上下专用通道人员伤亡A地基处理打夯机漏电开关损坏人员伤亡BC操作打夯机不带绝缘手套人员伤亡BC2脚手架脚手架搭设基础不实人员伤亡、机具损坏B无垫板及底座人员伤亡、机具损坏B杆间距过大人员伤亡、机具损坏BE拉接点过少人员伤亡、机具损坏B剪刀撑不法律规范人员伤亡、机具损坏B操作人员不系安全带人员伤亡、BE钢管扣件材料不合格机具损坏D无防护栏杆人员伤亡B扣件未拧紧人员伤亡BE脚手板未绑扎人员伤亡、机具损坏BD脚手板苛载超过 270kg人员伤亡、机具损坏BD脚手架拆除拆除前未进行加固人员伤亡、机具损坏BD拆除时未设监护人人员伤亡B恶劣天气进行施工人员伤亡B拆除顺序不当人员伤亡B上下同时作业人员伤亡B多人施工配合不当人员伤亡BE备注A、目标、管理方案 B、进行控制 C、应急 D、监测 E、培训重大危险源清单序号作业活动危险源可能后果控制措施3模板工程模板支护模板支撑架钢度不够人员伤亡AD支架材料不符合要求人员伤亡BD立柱底部无垫板或用砖人员伤亡D模板顶部荷载超过规定人员伤亡BD大模板存放无防倾倒措施人员伤亡BD模板支撑未固定人员伤亡B模板拆除拆除顺序不当人员伤亡AB拆除区域无警示线或无监护人人员伤亡B留有未拆除的悬空模板人员伤亡BD砼未达到强度提前拆模人员伤亡AD拆下的模板码放不整齐、过高人员伤亡B模板拆除高度超过 2m 以上,无防护措施人员伤亡AB4“三宝”“四宝"及临边防护 “三宝”材质不符合国家法律规范人员伤亡D不能正确使用“三宝"人员伤亡BDE“三宝”过期未进行检验人员伤亡D楼梯口无防护栏杆人员伤亡BD预留洞口无防护或防护不严人员伤亡BD通道口未搭设防扩棚人员伤亡BD防护棚不符合要求人员伤亡BD无防护栏杆或防护不严人员伤亡BD栏杆搭设不法律规范人员伤亡BD备注A、目标、管理方案 B、进行控制 C、应急 D、监测 E、培训重大危险源清单序号作业活动危险源可能后果控制措施5施工用电电器安装非电工接引设备线人员伤亡E刀闸、开关上下倒接人员伤亡DE外电防护未进行防护漏电伤人BD防护不严密漏电伤人BD接地、接零保护未...

1、当您付费下载文档后,您只拥有了使用权限,并不意味着购买了版权,文档只能用于自身使用,不得用于其他商业用途(如 [转卖]进行直接盈利或[编辑后售卖]进行间接盈利)。
2、本站所有内容均由合作方或网友上传,本站不对文档的完整性、权威性及其观点立场正确性做任何保证或承诺!文档内容仅供研究参考,付费前请自行鉴别。
3、如文档内容存在违规,或者侵犯商业秘密、侵犯著作权等,请点击“违规举报”。

碎片内容

建筑施工企业的重大危险源清单

您可能关注的文档

确认删除?
VIP
微信客服
  • 扫码咨询
会员Q群
  • 会员专属群点击这里加入QQ群
客服邮箱
回到顶部