电脑桌面
添加小米粒文库到电脑桌面
安装后可以在桌面快捷访问

建筑施工各项安全检查验收表格

建筑施工各项安全检查验收表格_第1页
1/25
建筑施工各项安全检查验收表格_第2页
2/25
建筑施工各项安全检查验收表格_第3页
3/25
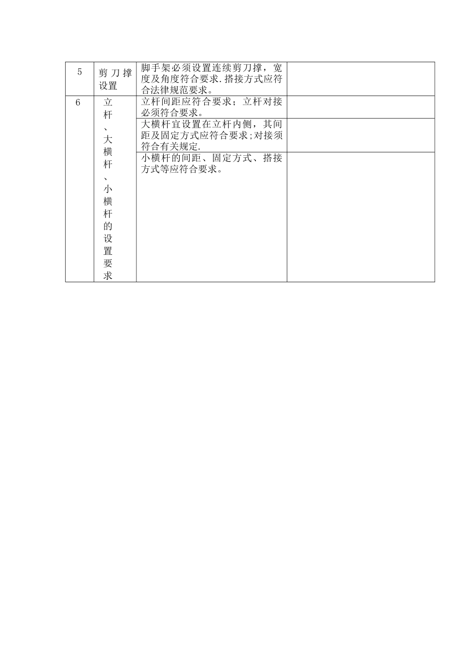
目 录一 . 落 地 ( 悬 挑 ) 脚 手 架 安 全 技 术 验 收 表二 . 工 具 式 脚 手 架 安 装 验 收 表三 . 基 坑 支 护 验 收 表四 . 施 工 现 场 临 时 用 电 验 收 表五 . 电 动 吊 篮 检 查 验 收 表六 . 施 工 机 械 安 装 验 收 表 ( 龙 门 架 及 井 字 架 物料 提 升 机 )七 . 施 工 机 具 安 装 验 收 表 ( 其 它 中 小 型 )八 . 建 筑 工 程 施 工 现 场 安 全 保 证 资 料 模 板 工 程拆 模 申 请 表九 . 建 筑 工 程 施 工 现 场 安 全 保 证 资 料 模 板 工 程验 收 表十 . 临 建 设 施 报 验 申 请 表十 一 . 工 具 式 卸 料 平 台 验 收 表十 二 . 基 坑 支 护 变 形 监 测 记 录 表十 三 . 模 板 工 程 安 全 技 术 要 求 和 验 收 表十 四 . 模 板 拆 除 申 请 审 批 表十 五 . 脚 手 架 拆 除 申 请 审 批 表十 六 . 物 料 提 升 机 ( 龙 门 架 , 井 字 架 ) 安 全 技术 要 求 和 验 收 表十 七 . 塔 吊 安 全 技 术 要 求 和 验 收 表十 八 . 平 刨 安 全 技 术 要 求 和 验 收 表十 九 . 圆 盘 锯 安 全 技 术 要 求 和 验 收 表二 十 . 钢 筋 机 械 安 全 技 术 要 求 和 验 收 表二 十 一 . 电 焊 机 安 全 技 术 要 求 和 验 收 表落 地 式 ( 悬 挑 ) 脚 手 架 搭 设 验 收 表落 地 式 ( 或 悬 挑 ) 脚 手 架 搭设 验 收 表编号工程名称总包单位作业队伍总包负责人验收部位搭设高度验收时间序号检 查项 目检 查 内 容验 收 结 果1施工方案符合 JGJ—130 法律规范要求悬挑式脚手架和高度 20 米以上的落地式脚手架搭设前必须编制安全 专 项 施 工 方 案 , 附 设 计 计 算书,审批手续齐全。搭设前需有技术交底。特别脚手架应有专家论证.2立杆基础脚手架基础必须平整坚实,有排水措 施 , 架 体 必 须 支 搭 在 底 座(托)或通长脚手板上。纵、横向扫地杆应符合要求。3钢管、扣件要求钢管、扣件有复试检测报告。应采纳外径 48-—51mm,壁厚 3-—3。5mm 的钢管.钢管无裂纹、弯曲、压扁、锈蚀.4架 体 与建 筑...

1、当您付费下载文档后,您只拥有了使用权限,并不意味着购买了版权,文档只能用于自身使用,不得用于其他商业用途(如 [转卖]进行直接盈利或[编辑后售卖]进行间接盈利)。
2、本站所有内容均由合作方或网友上传,本站不对文档的完整性、权威性及其观点立场正确性做任何保证或承诺!文档内容仅供研究参考,付费前请自行鉴别。
3、如文档内容存在违规,或者侵犯商业秘密、侵犯著作权等,请点击“违规举报”。

碎片内容

建筑施工各项安全检查验收表格

MY shop+ 关注
实名认证
内容提供者

欢迎挑选适合自己的材料。

确认删除?
VIP
微信客服
  • 扫码咨询
会员Q群
  • 会员专属群点击这里加入QQ群
客服邮箱
回到顶部