电脑桌面
添加小米粒文库到电脑桌面
安装后可以在桌面快捷访问

建筑施工安全管理主要标准规范

建筑施工安全管理主要标准规范_第1页
1/3
建筑施工安全管理主要标准规范_第2页
2/3
建筑施工安全管理主要标准规范_第3页
3/3
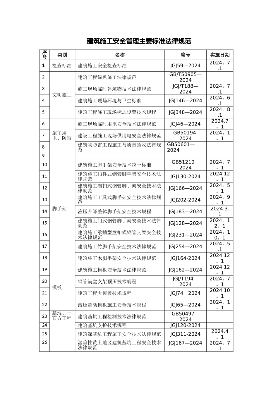
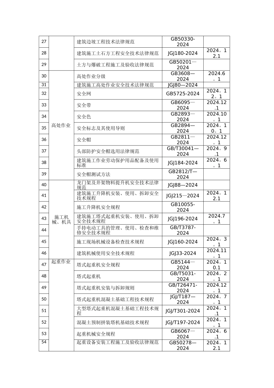
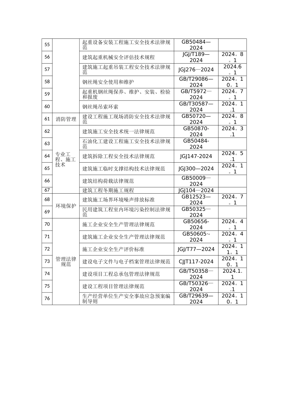
建筑施工安全管理主要标准法律规范序号类别名称编号实施日期1检查标准建筑施工安全检查标准JGJ59—20242024。7.12文明施工建筑工程绿色施工法律规范GB/T50905—20243施工现场临时建筑物技术法律规范JGJ/T188—20242024。7.14建筑施工现场环境与卫生标准JGJ146—20242024。6.15建筑工程施工现场标志设置技术规程JGJ348—20242024。8.16施工用电、防雷施工现场临时用电安全技术法律规范JGJ46—20242024.7。17建设工程施工现场供用电安全法律规范GB50194-20242024。1。18建筑物防雷工程施工与质量验收法律规范GB50601—20249脚手架10建筑施工脚手架安全技术统一标准GB51210—20242024。7。111建筑施工扣件式钢管脚手架安全技术法律规范JGJ130-20242024.12。112建筑施工碗扣式钢管脚手架安全技术法律规范JGJ166—20242024。5。113建筑施工工具式脚手架安全技术法律规范JGJ202-20242024。9。114液压升降整体脚手架安全技术规程JGJ183—20242024.3.115建筑施工门式钢管脚手架安全技术法律规范JGJ128—20242024。12。116建筑施工承插型盘扣式钢管支架安全技术法律规范JGJ231—20242024。10。117建筑施工竹脚手架安全技术法律规范JGJ254—20242024。5.118建筑施工木脚手架安全技术法律规范JGJ164-20242024.12。119模板建筑施工模板安全技术法律规范JGJ162—20242024.12。120钢管满堂支架预压技术规程JGJ/T194—20242024。7。121建筑工程大模板技术规程JGJ74—20242024.10。122液压滑动模板施工安全技术规程JGJ65—20242024。1。123基坑、土石方工程建筑基坑工程检测技术法律规范GB50497—202424建筑基坑支护技术规程JGJ120-202425建筑深基坑工程施工安全技术法律规范JGJ311-20242024.4。126湿陷性黄土地区建筑基坑工程安全技术法律规范JGJ167—20242024。7.127建筑边坡工程技术法律规范GB50330-202428建筑施工土石方工程安全技术法律规范JGJ180-20242024。12.129土方与爆破工程施工及验收法律规范GB50201—202430高处作业高处作业分级GB3608—20242024.6。131建筑施工高处作业安全技术法律规范JGJ80—202432安全网GB5725-20242024。12。133安全带GB6095—20242024.12.134安全色GB2893—20242024.10。135安全标志及其使用导则GB2894—20242024。10。136安全帽GB2811—20242024.12。137头部防护安全帽选用法律规范GB/T30041—20242024。9.138建筑施工作业劳动保护用品配备及使用标准JGJ184-20242024。6。139安全帽测试方法GB2812/T—202440施工机械、机具龙门...

1、当您付费下载文档后,您只拥有了使用权限,并不意味着购买了版权,文档只能用于自身使用,不得用于其他商业用途(如 [转卖]进行直接盈利或[编辑后售卖]进行间接盈利)。
2、本站所有内容均由合作方或网友上传,本站不对文档的完整性、权威性及其观点立场正确性做任何保证或承诺!文档内容仅供研究参考,付费前请自行鉴别。
3、如文档内容存在违规,或者侵犯商业秘密、侵犯著作权等,请点击“违规举报”。

碎片内容

建筑施工安全管理主要标准规范

确认删除?
VIP
微信客服
  • 扫码咨询
会员Q群
  • 会员专属群点击这里加入QQ群
客服邮箱
回到顶部