电脑桌面
添加小米粒文库到电脑桌面
安装后可以在桌面快捷访问

建设项目危险化学品建设项目安全设施竣工验收申请书

建设项目危险化学品建设项目安全设施竣工验收申请书_第1页
1/6
建设项目危险化学品建设项目安全设施竣工验收申请书_第2页
2/6
建设项目危险化学品建设项目安全设施竣工验收申请书_第3页
3/6
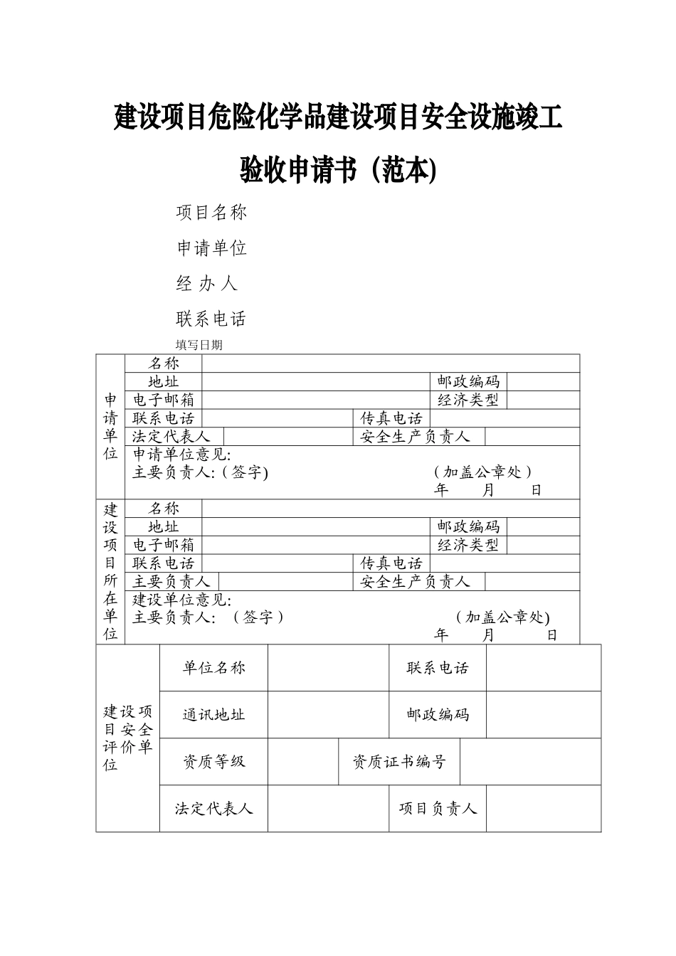
建设项目危险化学品建设项目安全设施竣工验收申请书(范本) 项目名称申请单位经 办 人联系电话填写日期申请单位名称地址邮政编码电子邮箱经济类型联系电话传真电话法定代表人安全生产负责人申请单位意见:主要负责人:(签字) (加盖公章处) 年 月 日建设项目所在单位名称地址邮政编码电子邮箱经济类型联系电话传真电话主要负责人安全生产负责人建设单位意见:主要负责人:(签字) (加盖公章处) 年 月 日建设项目安全评价单位单位名称联系电话通讯地址邮政编码资质等级资质证书编号法定代表人项目负责人建设项目施工单位(两个及以上施工单位的,均 应 填写)单位名称联系电话通讯地址邮政编码资质等级资质证书编号承担主要任务法定代表人项目负责人建设项目监理单位(两个及以上监理单位的,均应填写)单位名称联系电话通讯地址邮政编码资质等级资质证书编号承担主要任务法定代表人项目负责人建设项目基本概况:1、项目类型: 2、建设地址: 3、总投资 万元,其中,安全投资万元4、主要原辅材料: 5、主要产品(包括中间产品、副产品): 6、项目涉及重点监管的危险化学品: 7、项目涉及重点监管的危险化工工艺: 8、项目中构成重大危险源的主要装置(设施): 设计、施工变更情况:安全设施设计审查通过后,建设项目生产、储存区周边状况变化情况:建设项目试生产(使用)及安全设施投用情况:申请文件、材料清单(在“□”中用“√”勾选 ):□建设项目安全设施竣工验收申请书及文件;□各施工、监理单位编制的建设项目安全设施施工、监理情况报告;□建设项目安全验收评价报告;□建设单位关于建设项目试生产(使用)期间是否发生事故、实行的防范措施以及整改情况报告;□建设单位为从业人员缴纳工伤保险费的证明材料(复制件);□建设单位的危险化学品事故应急预案备案登记表(复制件);□生产、储存装置(设施)构成危险化学品重大危险源的建设项目,危险化学品重大危险源备案证明文件(复制件)。□根据规定不需办理建设项目安全条件审查、安全设施设计审查手续的,还应当提交工商行政管理部门颁发的企业营业执照或者企业名称预先核准通知书、投资主管部门出具的审批(核准、备案)文件、城乡规划主管部门出具的规划相关文件和各设计单位的设计资质证明文件(均为复制件)。危险化学品建设项目安全设施竣工验收申请书填写说明一、本申请书可以用钢笔、签字笔填写,字迹要清楚、工整;也可以用打印机打印四号字文本,但“负责人签...

1、当您付费下载文档后,您只拥有了使用权限,并不意味着购买了版权,文档只能用于自身使用,不得用于其他商业用途(如 [转卖]进行直接盈利或[编辑后售卖]进行间接盈利)。
2、本站所有内容均由合作方或网友上传,本站不对文档的完整性、权威性及其观点立场正确性做任何保证或承诺!文档内容仅供研究参考,付费前请自行鉴别。
3、如文档内容存在违规,或者侵犯商业秘密、侵犯著作权等,请点击“违规举报”。

碎片内容

建设项目危险化学品建设项目安全设施竣工验收申请书

您可能关注的文档

确认删除?
VIP
微信客服
  • 扫码咨询
会员Q群
  • 会员专属群点击这里加入QQ群
客服邮箱
回到顶部