电脑桌面
添加小米粒文库到电脑桌面
安装后可以在桌面快捷访问

悬挑式卸料平台作业重大危险源运行控制措施表

悬挑式卸料平台作业重大危险源运行控制措施表_第1页
1/3
悬挑式卸料平台作业重大危险源运行控制措施表_第2页
2/3
悬挑式卸料平台作业重大危险源运行控制措施表_第3页
3/3
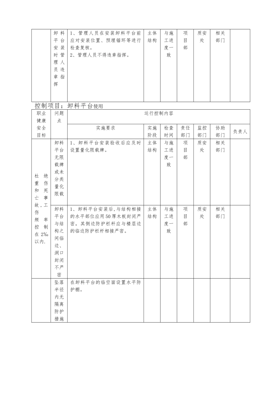
悬挑式卸料平台作业重大危险源运行控制措施表控制项目:卸料平台设计与制作职业健康安全目标问题点运行控制内容实施要求实施阶段检查时间责任部门监控部门协助部门负责人杜绝重伤和死亡事故 , 工伤频率控制在 2‰以内。卸 料平 台外 侧未 封闭1、卸料平台外侧应按临边防护的要求设置防护栏杆。2 、 防 护 栏 杆 的 材 质 应 符 合 要求。3 、 防 护 栏 杆 应 按 设 计 进 行 制作,且防护严密.主体结构与施工进度一致项目部质安处相关部门卸 料平 台与 结构 连接 位置 设置 不合理1、卸料平台与结构的连接位置应设置在结构柱、墙、梁、板上.2、卸料平台的挑梁与结构的连接应用锚环固定牢固.3、卸料平台挑梁的保护钢丝绳上部锚环应埋设在结构柱、墙、梁、板上。主体结构与施工进度一致项目部质安处相关部门控制项目:卸料平台首次安装职业健康安全目标问题点运行控制内容实施要求实施阶段检查时间责任部门监控部门协助部门负责人杜绝重伤和死亡事故 , 工伤频率控制在 2‰以内。卸 料平 台安 装前 未对 安装 人员 进行 安全 教育 和安 全技 术交底1、卸料平台首次安装前应对安装人员进行安全教育.2、卸料平台首次安装前应对安装人员进行安全技术交底。3、安装人员应严格按施工方案和操作堆程作业.主体结构与施工进度一致项目部质安处相关部门卸 料平 台安 装时 管理 人员 违章 指挥1、管理人员在安装卸料平台前应对安装位置、预埋锚环等进行检查复核。2、管理人员不得违章指挥。主体结构与施工进度一致项目部质安处相关部门控制项目:卸料平台使用职业健康安全目标问题点运行控制内容实施要求实施阶段检查时间责任部门监控部门协助部门负责人杜绝重伤和死亡事故 , 工伤频率控制在 2‰以内.卸料平台无限载牌或未分类量化限载1、卸料平台安装验收后应及时设置量化限载牌。主体结构与施工进度一致项目部质安处相关部门卸料平台与结构之间临边、洞口封闭不严密1、卸料平台安装后,与结构相接的水平部位应用 50 厚木板封闭严密,其侧边防护栏杆应与楼层边的临边防护栏杆相接严密。主体结构与施工进度一致项目部质安处相关部门坠落半径内无隔离防护措施在卸料平台的临空面设置水平防护棚。卸料平台未经验收投入使用卸料平台安装完成经验收合格后方可投入使用.控制项目:卸料平台拆除/安装职业健康安全目标问题点运行控制内容实施要求实施阶段检查时间责任部门监控部门协助部门负责人杜绝重...

1、当您付费下载文档后,您只拥有了使用权限,并不意味着购买了版权,文档只能用于自身使用,不得用于其他商业用途(如 [转卖]进行直接盈利或[编辑后售卖]进行间接盈利)。
2、本站所有内容均由合作方或网友上传,本站不对文档的完整性、权威性及其观点立场正确性做任何保证或承诺!文档内容仅供研究参考,付费前请自行鉴别。
3、如文档内容存在违规,或者侵犯商业秘密、侵犯著作权等,请点击“违规举报”。

碎片内容

悬挑式卸料平台作业重大危险源运行控制措施表

办公文档专营+ 关注
实名认证
内容提供者

大量办公文档,欢迎选择

确认删除?
VIP
微信客服
  • 扫码咨询
会员Q群
  • 会员专属群点击这里加入QQ群
客服邮箱
回到顶部