电脑桌面
添加小米粒文库到电脑桌面
安装后可以在桌面快捷访问

服装厂质量手册VIP专享

服装厂质量手册_第1页
1/61
服装厂质量手册_第2页
2/61
服装厂质量手册_第3页
3/61
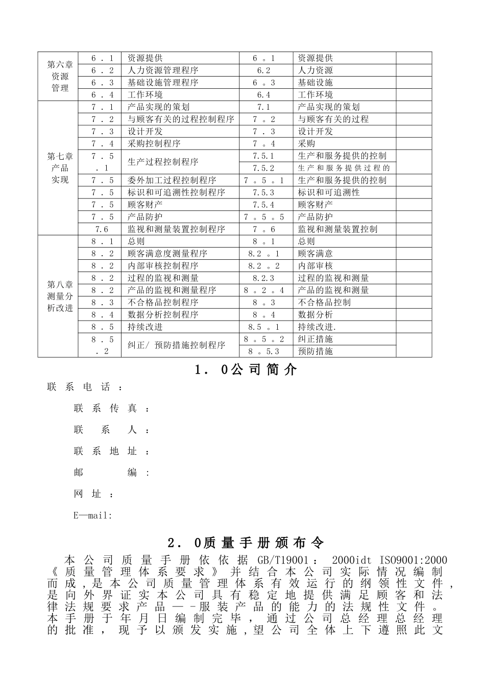
广 州 市 xxx 服 装 有 限 公 司质量手册( 包 含 所 有 程 序 文 件 )文 件 编 号 : AYL/QM—2024文 件 版 本 : A分 发 号 :2024 年 元 月 05 日 发 布2024 年 元 月 10 日 实 施编 制 / 日 期 :批 准 / 日 期 :目 录手册章节号内容标准章节号内容页码第一章1 .0公司简介第二章2 .0质量手册颁布令第三章3 .0质量手册管理说明第四章质量管理体系要求4 .1质量管理体系要求4 。1总要求4 。2 。1文件要求总则4 。2.2质量手册4 .2文件控制程序4 。2 。3文件控制4 .3记录控制程序4 。2.4记录控制第五章管理职责5 .0管理职责5 。1管理职责5.2以顾客为关注焦点5.4.2质量管理体系策划5 。5.2管理者代表5.5 。3内部沟通5 .1质量方针5.3质量方针5 .2质量目标5 。4.1质量目标5 .3组织结构图5 。5.1职责和权限5 .4职能分配表5 .5职责和权限5 .6管理评审5 。6管理评审第六章资源管理6 .1资源提供6 。1资源提供6 .2人力资源管理程序6.2人力资源6 .3基础设施管理程序6 。3基础设施6 .4工作环境6.4工作环境第七章产品实现7 .1产品实现的策划7.1产品实现的策划7 .2与顾客有关的过程控制程序7 。2与顾客有关的过程7 .3设计开发7 .3设计开发7 .4采购控制程序7 。4采购7 .5.1生产过程控制程序7.5.1生产和服务提供的控制7.5.2生 产 和 服 务 提 供 过 程 的确 认7 .5.2委外加工过程控制程序7 。5 。1生产和服务提供的控制7 .5.3标识和可追溯性控制程序7.5.3标识和可追溯性7 .5.4顾客财产7.5.4顾客财产7 .5.5产品防护7 。5 。5产品防护7.6监视和测量装置控制程序7 。6监视和测量装置控制第八章测量分析改进8 .1总则8 。1总则8 .2.1顾客满意度测量程序8.2 。1顾客满意8 .2.2内部审核控制程序8.2 。2内部审核8 .2.3过程的监视和测量8.2.3过程的监视和测量8 .2.4产品的监视和测量程序8 。2 。4产品的监视和测量8 .3不合格品控制程序8 。3不合格品控制8 .4数据分析控制程序8 。4数据分析8 .5.1持续改进8.5 。1持续改进.8 .5.2纠正/ 预防措施控制程序8 。5 。2纠正措施8 。5.3预防措施1 . 0 公 司 简 介联系电话: 联系传真: 联 系 人: 联系地址: 邮 编: 网址:E—mail: 2 . 0 质 量 手 册 颁 布 令本 公 司 质 量 手 册 依 依 据GB/...

1、当您付费下载文档后,您只拥有了使用权限,并不意味着购买了版权,文档只能用于自身使用,不得用于其他商业用途(如 [转卖]进行直接盈利或[编辑后售卖]进行间接盈利)。
2、本站所有内容均由合作方或网友上传,本站不对文档的完整性、权威性及其观点立场正确性做任何保证或承诺!文档内容仅供研究参考,付费前请自行鉴别。
3、如文档内容存在违规,或者侵犯商业秘密、侵犯著作权等,请点击“违规举报”。

碎片内容

服装厂质量手册

确认删除?
VIP
微信客服
  • 扫码咨询
会员Q群
  • 会员专属群点击这里加入QQ群
客服邮箱
回到顶部