电脑桌面
添加小米粒文库到电脑桌面
安装后可以在桌面快捷访问

桥梁工程危险源识别及措施

桥梁工程危险源识别及措施_第1页
1/29
桥梁工程危险源识别及措施_第2页
2/29
桥梁工程危险源识别及措施_第3页
3/29
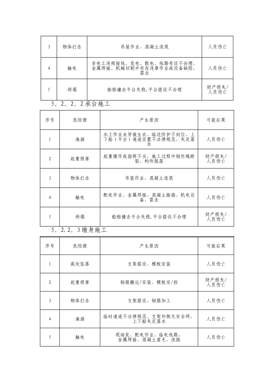
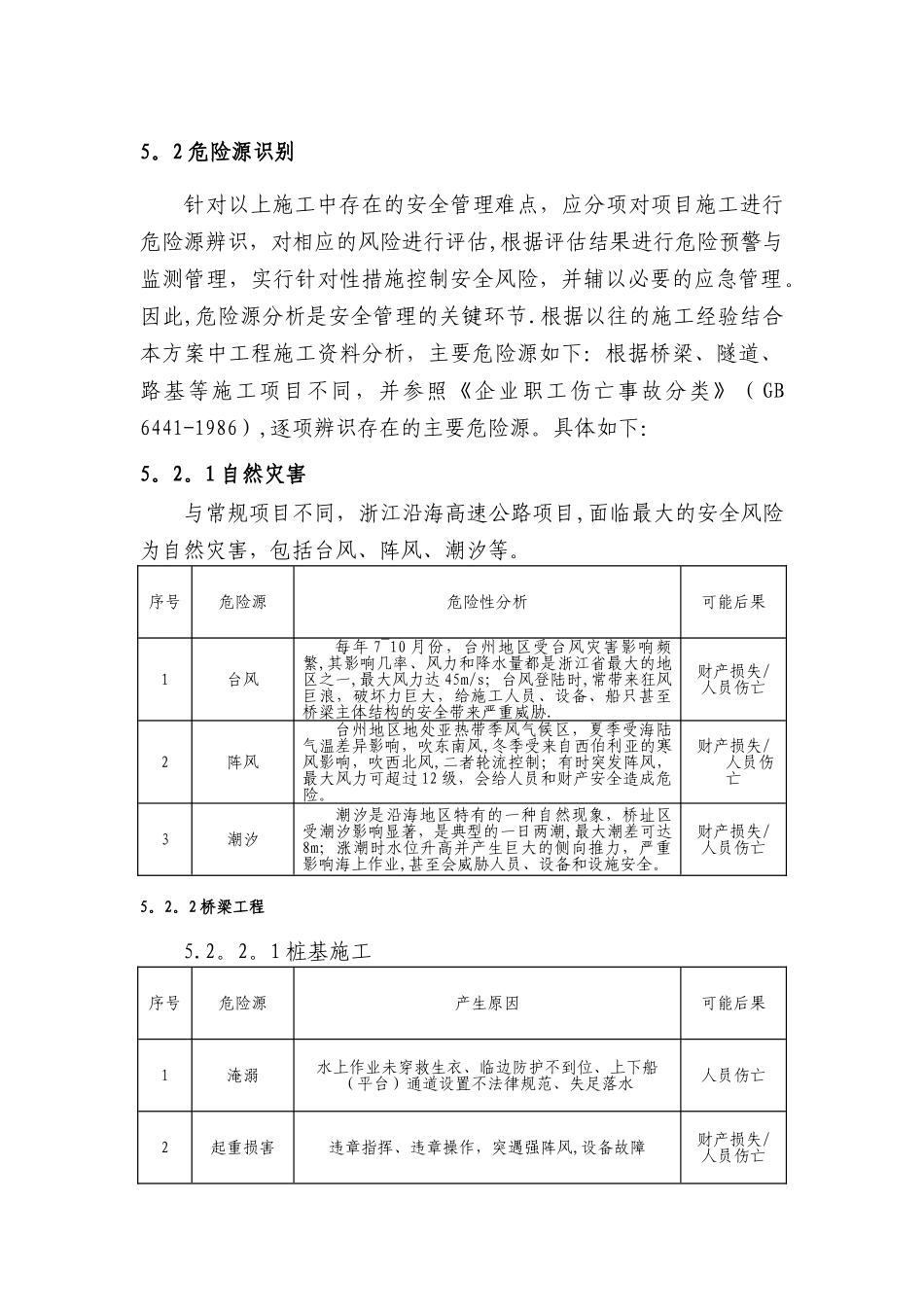
5。2 危险源识别针对以上施工中存在的安全管理难点,应分项对项目施工进行危险源辨识,对相应的风险进行评估,根据评估结果进行危险预警与监测管理,实行针对性措施控制安全风险,并辅以必要的应急管理。因此,危险源分析是安全管理的关键环节.根据以往的施工经验结合本方案中工程施工资料分析,主要危险源如下:根据桥梁、隧道、路基等施工项目不同,并参照《企业职工伤亡事故分类》( GB 6441-1986),逐项辨识存在的主要危险源。具体如下:5。2。1 自然灾害与常规项目不同,浙江沿海高速公路项目,面临最大的安全风险为自然灾害,包括台风、阵风、潮汐等。序号危险源危险性分析可能后果1台风每年 7~10 月份,台州地区受台风灾害影响频繁,其影响几率、风力和降水量都是浙江省最大的地区之一,最大风力达 45m/s;台风登陆时,常带来狂风巨浪,破坏力巨大,给施工人员、设备、船只甚至桥梁主体结构的安全带来严重威胁.财产损失/人员伤亡2阵风台州地区地处亚热带季风气候区,夏季受海陆气温差异影响,吹东南风,冬季受来自西伯利亚的寒风影响,吹西北风,二者轮流控制;有时突发阵风,最大风力可超过 12 级,会给人员和财产安全造成危险。财产损失/人员伤亡3潮汐潮汐是沿海地区特有的一种自然现象,桥址区受潮汐影响显著,是典型的一日两潮,最大潮差可达8m;涨潮时水位升高并产生巨大的侧向推力,严重影响海上作业,甚至会威胁人员、设备和设施安全。财产损失/人员伤亡5。2。2 桥梁工程5.2。2。1 桩基施工序号危险源产生原因可能后果1淹溺水上作业未穿救生衣、临边防护不到位、上下船(平台)通道设置不法律规范、失足落水人员伤亡2起重损害违章指挥、违章操作,突遇强阵风,设备故障财产损失/人员伤亡3物体打击吊装作业、混凝土浇筑人员伤亡4触电非电工违规接线,发电、配电、线路布设不合理,金属焊接、机械切割中存在违章作业或设备缺陷、雷击人员伤亡5坍塌船舶撞击平台失稳,平台搭设不合理财产损失/人员伤亡5。2。2。2 承台施工序号危险源产生原因可能后果1淹溺水上作业未穿救生衣、临边防护不到位、上下船(平台)通道设置不法律规范、失足落水人员伤亡2起重损害起重操作或指挥不当、施工过程中钢丝绳断裂、构件脱落财产损失/人员伤亡3物体打击吊装作业、混凝土浇筑人员伤亡4触电配电作业、金属焊接、混凝土振捣、机电设备、雷击人员伤亡5坍塌船舶撞击平台失稳,平台搭设不合理财产损失/人员伤亡5。2.2。3 墩身施工序号危险源产生原因可能后...

1、当您付费下载文档后,您只拥有了使用权限,并不意味着购买了版权,文档只能用于自身使用,不得用于其他商业用途(如 [转卖]进行直接盈利或[编辑后售卖]进行间接盈利)。
2、本站所有内容均由合作方或网友上传,本站不对文档的完整性、权威性及其观点立场正确性做任何保证或承诺!文档内容仅供研究参考,付费前请自行鉴别。
3、如文档内容存在违规,或者侵犯商业秘密、侵犯著作权等,请点击“违规举报”。

碎片内容

桥梁工程危险源识别及措施

您可能关注的文档

确认删除?
VIP
微信客服
  • 扫码咨询
会员Q群
  • 会员专属群点击这里加入QQ群
客服邮箱
回到顶部