电脑桌面
添加小米粒文库到电脑桌面
安装后可以在桌面快捷访问

桥梁工程施工技术交底

桥梁工程施工技术交底_第1页
1/28
桥梁工程施工技术交底_第2页
2/28
桥梁工程施工技术交底_第3页
3/28
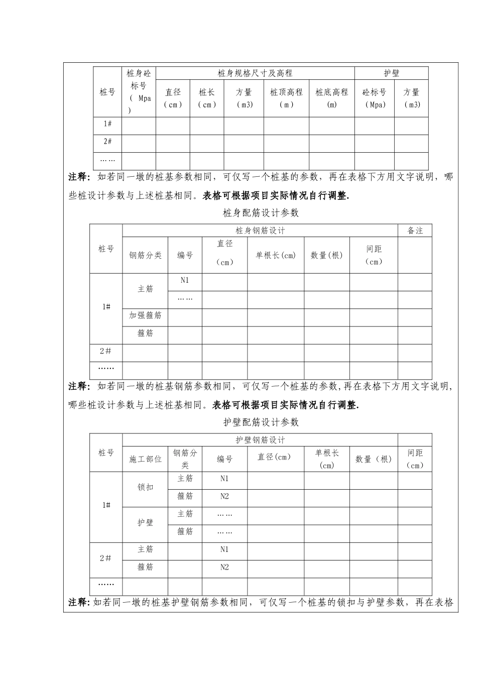
一、挖孔灌注桩施工技术交底 2二、钻孔灌注桩施工技术交底 4 三、承台(系梁)施工技术交底 6 四、墩柱施工技术交底 9 五、盖梁(台帽)施工技术交底 11 六、梁板预制施工技术交底 13 七、预应力张拉、注浆施工技术交底 16 八、梁板安装施工技术交底 18 九、墩梁法支架搭设施工技术交底 20 十、满堂支架搭设施工技术交底 22 十一、桥面铺装施工技术交底 24 十二、防撞护栏施工技术交底 26 一、挖孔灌注桩施工技术交底 交底编号:单位工程名称XX 桥交底里程具体的里程桩号交底部位XX 墩人工挖孔桩交底日期交底内容人工挖孔、护壁施工、爆破设计、钢筋制作及安装、砼灌注交底内容:一、交底依据写明交底引用的法律规范名称及版本,引用的图纸名称二、设计概况1、设计参数桩基设计参数桩号桩身砼标号( Mpa)桩身规格尺寸及高程护壁直径(cm)桩长(cm)方量(m3)桩顶高程(m)桩底高程(m)砼标号(Mpa)方量(m3)1#2#……注释:如若同一墩的桩基参数相同,可仅写一个桩基的参数,再在表格下方用文字说明,哪些桩设计参数与上述桩基相同。表格可根据项目实际情况自行调整.桩身配筋设计参数桩号桩身钢筋设计备注钢筋分类编号直径(cm)单根长(cm)数量(根)间距(cm)1#主筋N1……加强箍筋箍筋2#……注释:如若同一墩的桩基钢筋参数相同,可仅写一个桩基的参数,再在表格下方用文字说明,哪些桩设计参数与上述桩基相同。表格可根据项目实际情况自行调整.护壁配筋设计参数桩号护壁钢筋设计施工部位钢筋分类编号直径(cm)单根长(cm)数量(根)间距(cm)1#锁扣主筋N1箍筋N2护壁主筋……箍筋……2#主筋N1箍筋N2……注释:如若同一墩的桩基护壁钢筋参数相同,可仅写一个桩基的锁扣与护壁参数,再在表格下方用文字说明,哪些桩设计参数与上述桩基相同.表格可根据项目实际情况自行调整。2、地质水文情况根据地勘资料说明地面至桩底范围具体的地质、地面地形情况及周边水位对施工的影响。三、施工方法1、施工工艺绘制工艺流程图。2、施工准备简要说明施工前的场平、测量放样、施工人员及设备材料的准备情况。3、人工挖孔施工方法根据施工的先后顺序,简要说明锁扣施工、人工挖孔、石层的爆破设计、护壁施工、出渣方等施工的具体方法。4、钢筋笼加工与绑扎简要说明使用的具体型号钢筋的下料要求、搭接方法、搭接长度、绑扎方法。5、清孔简要说明清孔的要求,如沉渣厚度、积水处理等。6、钢筋笼运输及吊装简要说明是否分节运输、现场拼装,还...

1、当您付费下载文档后,您只拥有了使用权限,并不意味着购买了版权,文档只能用于自身使用,不得用于其他商业用途(如 [转卖]进行直接盈利或[编辑后售卖]进行间接盈利)。
2、本站所有内容均由合作方或网友上传,本站不对文档的完整性、权威性及其观点立场正确性做任何保证或承诺!文档内容仅供研究参考,付费前请自行鉴别。
3、如文档内容存在违规,或者侵犯商业秘密、侵犯著作权等,请点击“违规举报”。

碎片内容

桥梁工程施工技术交底

您可能关注的文档

确认删除?
VIP
微信客服
  • 扫码咨询
会员Q群
  • 会员专属群点击这里加入QQ群
客服邮箱
回到顶部