电脑桌面
添加小米粒文库到电脑桌面
安装后可以在桌面快捷访问

桥梁工程计算书(钢筋混凝土T型梁桥设计)

桥梁工程计算书(钢筋混凝土T型梁桥设计)_第1页
1/14
桥梁工程计算书(钢筋混凝土T型梁桥设计)_第2页
2/14
桥梁工程计算书(钢筋混凝土T型梁桥设计)_第3页
3/14
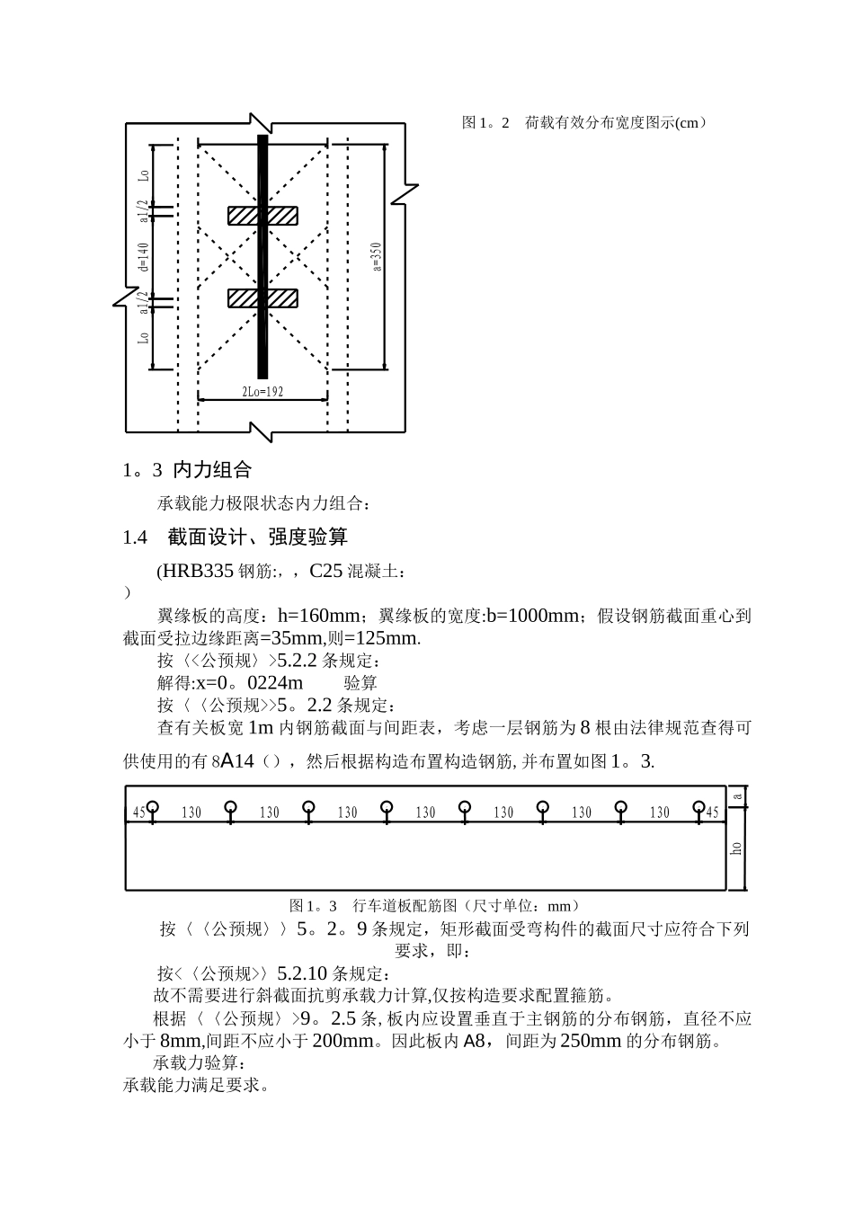
钢筋混凝土 T 型梁桥设计计算书1 行车道板内力计算1.1 恒载产生的内力以纵向 1 米宽的板条进行计算如图 1.1 所示.图 1.1 铰接悬臂板计算图示(单位:cm)沥青混凝土面层:= 0。02×1.0×21= 0.42C25 号混凝土垫层:=0。06×1。0×24=1.44T 形翼缘板自重:=合计:g==++=0。42+1.44+3。25=5。11每米宽板条的恒载内力:弯距:剪力:1.2 荷载产生的内力按铰接板计算行车道板的有效宽度如图 1.2 所示)。由<<桥规〉>得=0.2m,=0。6m。桥面铺装厚度为 8cm,则有:=+2H=0.2+2×0。08=0.36m=+2H=0。6+2×0.08=0.76m荷载对于悬臂板的有效分布宽度为:=+d+2=0。36+1.4+1.90=3。66m冲击系数采纳 1+=1.3,作用为每米宽板条上的弯矩为: 作用于每米宽板条上的剪力为:图 1。2 荷载有效分布宽度图示(cm)1。3 内力组合承载能力极限状态内力组合:1.4 截面设计、强度验算(HRB335 钢筋:,,C25 混凝土:)翼缘板的高度:h=160mm;翼缘板的宽度:b=1000mm;假设钢筋截面重心到截面受拉边缘距离=35mm,则=125mm.按〈<公预规〉>5.2.2 条规定:解得:x=0。0224m 验算按〈〈公预规>>5。2.2 条规定:查有关板宽 1m 内钢筋截面与间距表,考虑一层钢筋为 8 根由法律规范查得可供使用的有 8A14(),然后根据构造布置构造钢筋,并布置如图 1。3.图 1。3 行车道板配筋图(尺寸单位:mm)按〈〈公预规〉〉5。2。9 条规定,矩形截面受弯构件的截面尺寸应符合下列要求,即:按<〈公预规>〉5.2.10 条规定:故不需要进行斜截面抗剪承载力计算,仅按构造要求配置箍筋。根据〈〈公预规〉>9。2.5 条,板内应设置垂直于主钢筋的分布钢筋,直径不应小于 8mm,间距不应小于 200mm。因此板内 A8,间距为 250mm 的分布钢筋。承载力验算: 承载能力满足要求。2 主梁内力计算根据以上所述梁跨结构纵、横截面的布置,并通过活载作用下的梁桥荷载横向分布计算,可分别求得个主梁控制截面(一般取跨中、四分点和支点截面)的恒载和最大活载内力,然后再进行内力组合。2.1恒载产生的主梁内力2.1.1第一期恒载主梁:边横隔梁:中横隔梁:边主梁第一期恒载集度为:中主梁第一期恒载集度为:2。1。2 第二期恒载桥面铺装:栏杆和人行道:主梁的第二期恒载集度为:2。1.3 最终恒载作用于边主梁的全部恒载集度 g 为:KN/m作用于中主梁的全部恒载集度为:KN/m2.1.4 永久作用效应主梁弯距和剪力计算公式:;.边主梁恒载内力如下表 2.1 所示:表 2.1 ①号主梁和②号主...

1、当您付费下载文档后,您只拥有了使用权限,并不意味着购买了版权,文档只能用于自身使用,不得用于其他商业用途(如 [转卖]进行直接盈利或[编辑后售卖]进行间接盈利)。
2、本站所有内容均由合作方或网友上传,本站不对文档的完整性、权威性及其观点立场正确性做任何保证或承诺!文档内容仅供研究参考,付费前请自行鉴别。
3、如文档内容存在违规,或者侵犯商业秘密、侵犯著作权等,请点击“违规举报”。

碎片内容

桥梁工程计算书(钢筋混凝土T型梁桥设计)

确认删除?
VIP
微信客服
  • 扫码咨询
会员Q群
  • 会员专属群点击这里加入QQ群
客服邮箱
回到顶部