电脑桌面
添加小米粒文库到电脑桌面
安装后可以在桌面快捷访问

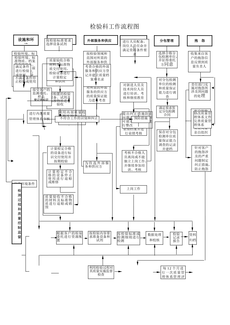
检验科工作流程图

检验科工作流程图_第1页
1/2
检验科工作流程图_第2页
2/2
检验科工作流程图检验科工作流程图设施和环境检验设备试剂外部服务和供应人员管理分包管理抱 怨检验环境、标准物质、档案等存放地水、电、温度、湿度条件检验环境、标准物质、档案等存放地水、电、温度、湿度条件监控,并进行记录满足条件进行检验或使用,并进行设施和环境的维护不满足条件停止检验或使用完善环境条件检测过程和质量控制监督按检验标准要求选择设备试剂 新购置的检验设备、试剂及标准物质进行验收需新购置的编制采购计划并选定外部服务和供应质量验收合格材料及标准物质交付使用,检验设备进行计量检定计量检定合格的设备进行标识交付使用并按期校验计 量 检 定 不 合格 的 设 备 停 止使 用 进 行 退 赔或维修质量验收不合格的材料及标准物质进行退赔或销毁按检验领域和范围对所需的外部服务和供应方进行调研对所需的外部服务的供应方的质量保证能力进行考查考查合格的外部服务和供应方登记并建立质量档案和名录为 待 选 外 部 服务和供应方进行人员配备,岗位人员任命并满足资历条件要求对新进人员及技术岗位人员进行培训、考核和继续教育考核合格人员猎取资格证书建立人员技术业绩档案并进行业绩考核考核不合格人员离岗或不能独立上岗工作,并继续参加培训、考核上岗工作选择合格分包检测单位,并征得委托方同意对分包检测单位的检测和质量保证能力进行调查满足要求签定分包检测合同保存对分包检测单位质量保证能力调查的记录并建档收集来自客户的抱怨信息反馈到质量负责人责任部门实施对抱怨所涉及到问题的处理客户的抱怨涉及的问题严重时,质量负责人要亲自组织处理针对客户的抱怨涉及的严重问题制定纠正措施,防止抱怨再次发生进行内部质量管理体系审核利用内部质量校核和实验室间比对进行验证利用检验过程对其质量实施监督检查提出纠正措施防止问题再次发生并对可能造成的影响进行整改每 12 个月进行一次质量管理体系管理评修改质量管理体系文件完善质量管理体系接受客户的监测委托、样品登记并标识根据客户的检验委托进行资源配置按检验内容要求准备设备和试剂按检验标准或检测细则进行检测数据处理和校核检验记录报告资料归档不符合工作的识别和纠正预防措施

1、当您付费下载文档后,您只拥有了使用权限,并不意味着购买了版权,文档只能用于自身使用,不得用于其他商业用途(如 [转卖]进行直接盈利或[编辑后售卖]进行间接盈利)。
2、本站所有内容均由合作方或网友上传,本站不对文档的完整性、权威性及其观点立场正确性做任何保证或承诺!文档内容仅供研究参考,付费前请自行鉴别。
3、如文档内容存在违规,或者侵犯商业秘密、侵犯著作权等,请点击“违规举报”。

碎片内容

检验科工作流程图

您可能关注的文档

确认删除?
VIP
微信客服
  • 扫码咨询
会员Q群
  • 会员专属群点击这里加入QQ群
客服邮箱
回到顶部