电脑桌面
添加小米粒文库到电脑桌面
安装后可以在桌面快捷访问

水利工程分部分项划分表VIP专享

水利工程分部分项划分表_第1页
1/5
水利工程分部分项划分表_第2页
2/5
水利工程分部分项划分表_第3页
3/5
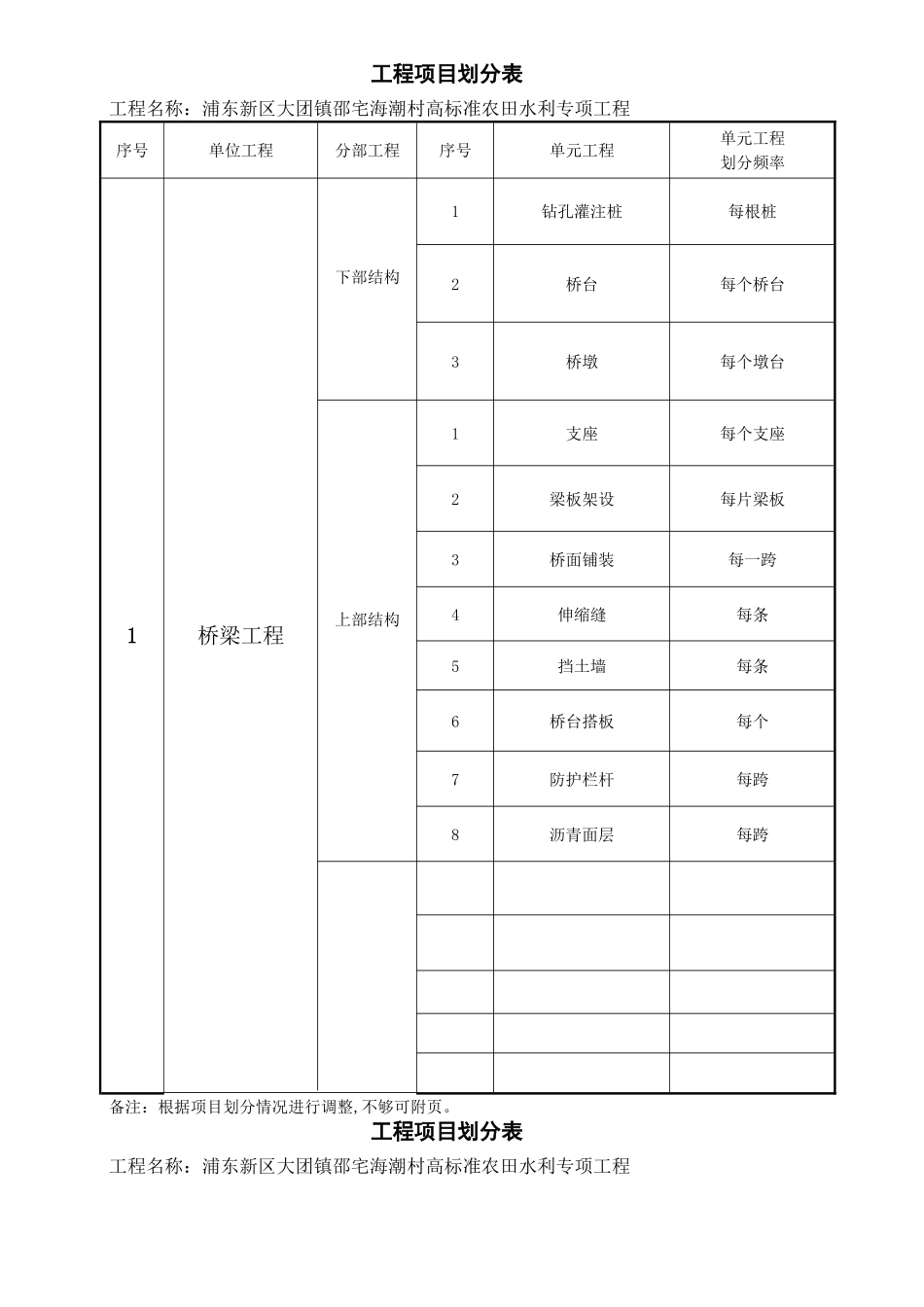
工程项目划分表工程名称:浦东新区大团镇邵宅海潮村高标准农田水利专项工程序号单位工程分部工程序号单元工程单元工程划分频率1桥梁工程下部结构1钻孔灌注桩每根桩2桥台每个桥台3桥墩每个墩台上部结构1支座每个支座2梁板架设每片梁板3桥面铺装每一跨4伸缩缝每条5挡土墙每条6桥台搭板每个7防护栏杆每跨8沥青面层每跨备注:根据项目划分情况进行调整,不够可附页。工程项目划分表工程名称:浦东新区大团镇邵宅海潮村高标准农田水利专项工程序号单位工程分部工程序号单元工程单元工程划分频率2泵站系统进水池1基坑开挖每个2进水池垫层每个3进水池钢筋砼底板每个4进水池钢筋砼挡墙每个出水池1基础开挖每个2打方桩每一根3出水池垫层每个4出水池钢筋砼底板每个5出水池钢筋砼挡墙每个水泵机室及泵房1基坑开挖每个2泵室垫层每个3泵室钢筋砼底板每一个4泵室钢筋砼挡墙每个5预制方桩每一根6泵房垫层每个7泵房钢筋砼基础每个8泵房圈梁钢筋砼每个9泵房天沟钢筋砼每个10泵房屋面钢筋砼每个11拦污格栅制作与安装每个12泵房接地与避雷设施每个13机电设备与安装每个备注:根据项目划分情况进行调整,不够可附页。工程项目划分表工程名称:浦东新区大团镇邵宅海潮村高标准农田水利专项工程序号单位工程分部工程序号单元工程单元工程划分频率3灌溉系统PE 管埋管1沟槽开挖每 200 米2粗砂回填每 200 米3对接热熔每 200 米4管道铺设每 200 米5回填土每 200 米出水口1沟槽开挖每个出水口2碎石垫层每个出水口3素砼底板每个出水口4出水口砌筑每个出水口5回填土每个出水口闸阀井及窨井1沟槽开挖每个闸阀井或窨井2碎石垫层每个闸阀井或窨井3钢筋砼底板每个闸阀井或窨井4闸阀井砌筑每个闸阀井或窨井5中粗砂垫层每个闸阀井或窨井6回填每个闸阀井或窨井7砌筑每个闸阀井或窨井倒虹吸1管道铺设每个倒虹吸2对接热熔每个倒虹吸1土地整平每一个2土地回填每一个备注:根据项目划分情况进行调整,不够可附页。工程项目划分表工程名称:浦东新区大团镇邵宅海潮村高标准农田水利专项工程序号单位工程分部工程序号单元工程单元工程划分频率4交通系统主干路及支路1素土回填100 米2砾石砂垫层100 米3素砼路基100 米4路缘石铺设100 米5沥青面层100 米6道渣垫层100 米7碎石垫层100 米8素砼面层100 米田埂路1碎石垫层100 米2道渣垫层100 米3素砼面层100 米防汛通道1碎石垫层100 米2素砼路基100 米3路缘石铺设100 米4水泥砂浆100 米5透水砖铺设100 米箱涵工程1钢筋砼挡...

1、当您付费下载文档后,您只拥有了使用权限,并不意味着购买了版权,文档只能用于自身使用,不得用于其他商业用途(如 [转卖]进行直接盈利或[编辑后售卖]进行间接盈利)。
2、本站所有内容均由合作方或网友上传,本站不对文档的完整性、权威性及其观点立场正确性做任何保证或承诺!文档内容仅供研究参考,付费前请自行鉴别。
3、如文档内容存在违规,或者侵犯商业秘密、侵犯著作权等,请点击“违规举报”。

碎片内容

水利工程分部分项划分表

确认删除?
VIP
微信客服
  • 扫码咨询
会员Q群
  • 会员专属群点击这里加入QQ群
客服邮箱
回到顶部