电脑桌面
添加小米粒文库到电脑桌面
安装后可以在桌面快捷访问

水塘施工组织设计

水塘施工组织设计_第1页
1/19
水塘施工组织设计_第2页
2/19
水塘施工组织设计_第3页
3/19
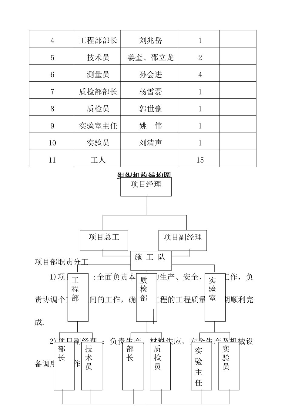
青岛滨海公路南段一期工程第三合同段(水(虾)塘路段)施工技术方案内蒙古自治区公路工程局青岛滨海公路南段一期工程第三合同段项目经理部2008 年 5 月 13 日水(虾)塘路段施工组织设计一、施工概况我合同段共有水(虾)塘 15 处,主要工程量:清淤 20880 立方,换填碎石土 21477 立方,针对本合同段水(虾)塘的具体情况,因工程需要对水(虾)塘进行处理,根据法律规范要求,在听取施工、技术人员意见的基础上,特编制此施工组织设计。二、施工准备1、组织机构设置及人员分工本分项工程在总体施工组织设计中属于重点工程,本工程能否按时完工,直接关系到总体施工组织的顺利实施,因此我部在人员设置上非常重视,成立了以项目经理王瑞为领导小组的机构组织,具体人员如下: 参 加 施 工 人 员 表序号职位姓名人数备注1项目经理王瑞12项目副经理张云光13项目总工尚颖涛14工程部部长刘兆岳15技术员姜奎、邵立龙26测量员孙会进47质检部部长杨雪磊18质检员郭世豪19实验室主任姚 伟110实验员刘清声111工人15组织机构结构图项目部职责分工1)项目经理 :全面负责本工程的生产、安全、质量工作,负责协调个方面之间的工作,确保本工程的工程质量,按期顺利完成.2)项目副经理 :负责生产、材料供应、安全生产及机械设备调度等工作。项目副经理项目总工工程部质检部实验室部长部长实验主任技术员质检员实验员项目经理施 工 队3)项目总工:全面负责本工程的工程技术、计划、质量检验、试验等工作,通过工程、质检部门对本工程的施工进行技术管理和质量管理等。4)工程部:负责组织施工队伍,优化施工队人员、机械等其它生产资源的配置,优质高效的组织施工。加强施工工艺控制,并对施工过程中各工序的质量进行控制,确保施工质量满足设计法律规范要求.专业测量小组,负责本工程测量定线、施工放样及施工测量控制工作。5)质检部:负责质量检测、监控工作,确保质量保证体系的正常运转,保证本工程的工程质量。6)中心试验室 :负责本工程材料的质量检验、土工试验等各项施工项目的检测工作,确保各项指标满足设计及法律规范要求。7)施工队:依据试验段的计划安排,施工图纸及技术、质量的要求组织施工,对施工进度、质量、安全等各项内容直接负责。2、机械配备1、根据本工程特点拟配备以下机械,能够满足工程的全部需要。2、已经组织好专业施工队伍,并在项目部工程部的指导下完成了技术交底和专业培训工作。3、各种实验数据已经完成并得到监...

1、当您付费下载文档后,您只拥有了使用权限,并不意味着购买了版权,文档只能用于自身使用,不得用于其他商业用途(如 [转卖]进行直接盈利或[编辑后售卖]进行间接盈利)。
2、本站所有内容均由合作方或网友上传,本站不对文档的完整性、权威性及其观点立场正确性做任何保证或承诺!文档内容仅供研究参考,付费前请自行鉴别。
3、如文档内容存在违规,或者侵犯商业秘密、侵犯著作权等,请点击“违规举报”。

碎片内容

水塘施工组织设计

确认删除?
VIP
微信客服
  • 扫码咨询
会员Q群
  • 会员专属群点击这里加入QQ群
客服邮箱
回到顶部