电脑桌面
添加小米粒文库到电脑桌面
安装后可以在桌面快捷访问

水电站课程设计计算说明书

水电站课程设计计算说明书_第1页
1/10
水电站课程设计计算说明书_第2页
2/10
水电站课程设计计算说明书_第3页
3/10
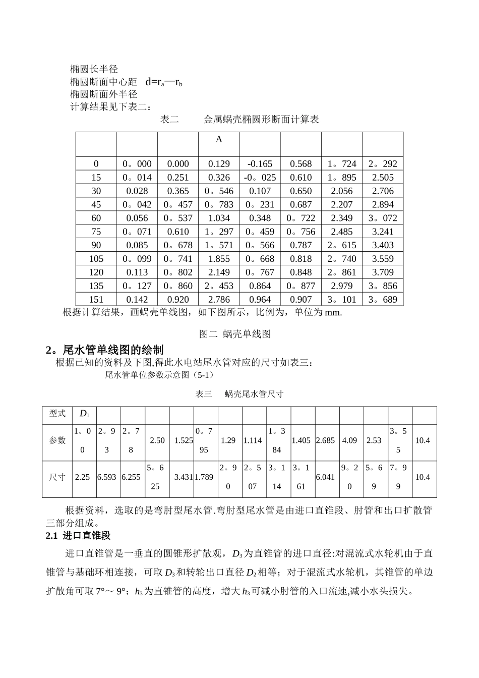
水电站厂房设计说明书(MY 水电站)1.绘制蜗壳单线图1。1 蜗壳的型式水轮机的设计头头 Hp=46.2m〉40m,水轮机的型式为 HL220—LJ-225,可知本水电站采纳混流式水轮机,转轮型号为 220,立轴,金属蜗壳,标称直径 D1=225cm=2。25m。1。2 蜗壳主要参数的选择[1]金属蜗壳为圆断面,由于其过流量较小,蜗壳的外形尺寸对水电站厂房的尺寸和造价影响不大,因此为了获得良好的水力性能一般采纳= 340°~350°。本设计采纳 = 345°,通过计算得出通过蜗壳进口断面的流量 Qc,计算如下:①单机容量:,选取发电机效率为=0.96,这样可求得水轮机的额定出力:②设计水头:Hp=Hr=46。2m,D1=2.25m 由此查表得:= 0.91水轮机以额定出力工作时的最大单位流量:③水轮机最大引用流量:④蜗壳进口断面流量:根据《水力机械》第二版中图 4—30 可查得设计水头为 46.2m<60m 时蜗壳断面平均流速为 Vc=5.6 m/s。由附表 5 可查得:座环外直径 Da=3850mm,内直径 Db=3250mm,;座环外半径ra=1925mm,座环内半径 rb=1625mm。座环示意图如图一所示:1。3 蜗壳的水力计算1。3.1 对于蜗壳进口断面 断面的面积: 断面的半径:从轴中心线到蜗壳外缘的半径:1.3。2 对于中间任一断面座环尺寸 (mm)比 例 : 1 :100设为从蜗壳鼻端起算至计算面 i 处的包角,则该断面处,, 其中:,,。 表一 金属蜗壳圆形断面计算表00001.925151。5920.2840.3012。527303。1830。5680。4252。776454。7750.8530。5212.967606。3671。1370。6023。128757.9581.4210.6733。270909.5501.7050.7373。39910511.1421。9900。7963.51712012.7332。2740.8513。62713514。3252.5580.9033。73015015。9172.8420。9513.82816517.5083。1260.9983.92118019.1003.4111.0424。00919520。6923.6951。0854。09521022。2833.9791。1264.17622523.8754.2631。1654。25524025.4674.5481。2034。33225527.0584。8321。2404。40627028。6505。1161.2764.47828530.2425.4001.3114.54830031.8335。6851.3454.61631533。4255.9691.3794.68233035.0176.2531。4114.74734536.6086.5371.4434.8111.3.3 蜗壳断面为椭圆形的计算对于中间任一断面(依据《水力机械》以及《水电站机电设计手册》(水力机械)),当圆形断面半径时,蜗壳的圆形断面就不能与座环蝶形边相切这时就改成椭圆形断面。则由椭圆断面过渡到圆形断面时的临界角计算如下:当时, 如上图所示,由《水电站动力设备设计手册》查得:...

1、当您付费下载文档后,您只拥有了使用权限,并不意味着购买了版权,文档只能用于自身使用,不得用于其他商业用途(如 [转卖]进行直接盈利或[编辑后售卖]进行间接盈利)。
2、本站所有内容均由合作方或网友上传,本站不对文档的完整性、权威性及其观点立场正确性做任何保证或承诺!文档内容仅供研究参考,付费前请自行鉴别。
3、如文档内容存在违规,或者侵犯商业秘密、侵犯著作权等,请点击“违规举报”。

碎片内容

水电站课程设计计算说明书

您可能关注的文档

确认删除?
VIP
微信客服
  • 扫码咨询
会员Q群
  • 会员专属群点击这里加入QQ群
客服邮箱
回到顶部