电脑桌面
添加小米粒文库到电脑桌面
安装后可以在桌面快捷访问

消防安全设备检查记录表

消防安全设备检查记录表_第1页
1/2
消防安全设备检查记录表_第2页
2/2
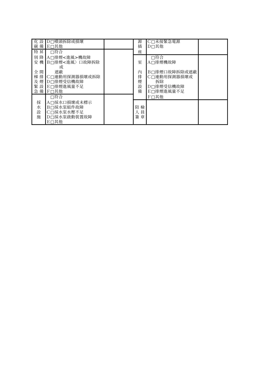
消防安全設備檢查記錄表場所名稱地址電話檢查負姓名出生日期 年月日身分證字號時間責人戶藉地址建築物使用執照:建築物總樓層 地上 層 / 地下 層公司商 統一編號:營業事業登記證:檢查樓層面積㎡ 號名稱檢查單位地址電話檢查人員姓名□ˇ在打 者為本場所知設備□ □□□□滅火器自動撒水設備海龍自動滅火設備火警自動警報設備出口標示燈□□□□□自動滅火器水霧減火設備二氧化碳滅火設備緊急廣播設備避難方向指示燈(標)□□□□□□室內消防栓泡沬滅火設備乾粉自動滅火設備緊急照明設備避難器具燈採水設施□ □□□ □緊急電源緊急電源插座室內排煙設備特別安全梯、緊急昇降機間排煙設備其他項別 項目檢查不符內容項別 項目檢查不符內容滅 □ 符合火 □ 符合□A藥劑過期警□A受信機故障或損壞火□B配件損壞自□B探測器拆除或損壞□C數量不足動□C探測器被油漆或脫落器□D壓力不足警□D手動報警機故障□ E其他報□E報警標示燈故障 □ 符合設□F火警警鈴故障室□A泵浦組件故障備□ G其他內□B箱內裝備不足或損壞緊 □ 符合外□C消防栓箱被遮蓋急□A故障或拆除消□D水壓不足廣□B無法緊急廣播防□E送水口損壞播□C音量不足栓□F未設送水口標示字樣設□D未設鋼質導線管□G底器故障備□ E其他□H其他緊 □ 符合 □符合急□ A故障自□A泵浦組件故障照□ B拆除動□B撒水頭損壞或拆除明□C擅設分路開關撒□C撒水淨空間不足設□ D其他水□D查驗管拆除備設□E送水口損壞出 □ 符合備□F未設送水口標示字樣口□ A故障□G自動警報逆止閥損壞標□ B拆除□H其他示□C未設於安全門上方自 符合燈□ D其他動□A泵浦組件故障泡□B壓力錶損壞避示 □ 符合沬□C泡沬頭損壞或拆除難燈□ A故障滅□D自動警報逆止閥損壞方︵□ B拆除火□E感知撒水頭損壞或拆除向標□ C脫落設□F泡沬頭放水障礙指︶□ D其他備□G其他 □符合避 名 □符合自□A泵浦組件故障難 稱□A故障或拆除動□B自動警報逆止閥損壞器 :□B開口封閉水□C水霧頭損壞或拆除具 □C遮蔽形成使用障礙霧□D水霧頭放水障礙□D標示脫落或拆除滅□E感知撒水頭損壞或拆除□E其他火□F送水口損壞緊 □符合設□G未設送水口標示字樣急□A未設自動切換裝置備□H其他電□B自動切換裝置故障自 海 □符合源□C其他動 龍□A啟動裝置故障緊 □符合二 滅□B控制燈故障急□A標示脫落氧 火...

1、当您付费下载文档后,您只拥有了使用权限,并不意味着购买了版权,文档只能用于自身使用,不得用于其他商业用途(如 [转卖]进行直接盈利或[编辑后售卖]进行间接盈利)。
2、本站所有内容均由合作方或网友上传,本站不对文档的完整性、权威性及其观点立场正确性做任何保证或承诺!文档内容仅供研究参考,付费前请自行鉴别。
3、如文档内容存在违规,或者侵犯商业秘密、侵犯著作权等,请点击“违规举报”。

碎片内容

消防安全设备检查记录表

一二三四传媒+ 关注
实名认证
内容提供者

大量资料供您选择,没有合适的可以联系小二。

确认删除?
VIP
微信客服
  • 扫码咨询
会员Q群
  • 会员专属群点击这里加入QQ群
客服邮箱
回到顶部