电脑桌面
添加小米粒文库到电脑桌面
安装后可以在桌面快捷访问

消防工程施工图图形符号大全

消防工程施工图图形符号大全_第1页
1/3
消防工程施工图图形符号大全_第2页
2/3
消防工程施工图图形符号大全_第3页
3/3
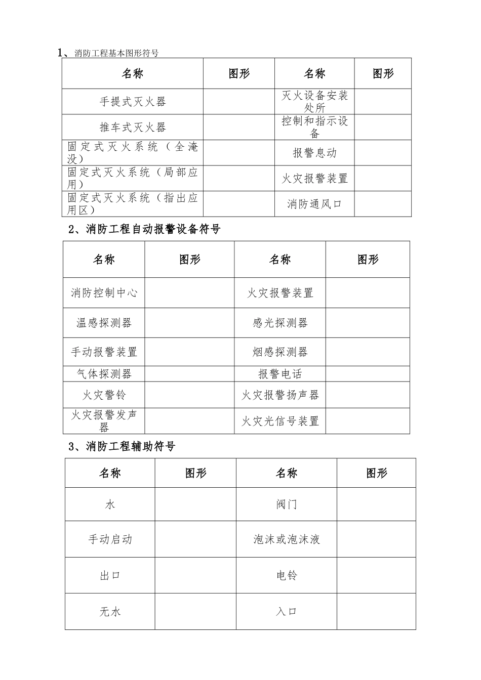
1、消防工程基本图形符号名称图形名称图形手提式灭火器灭火设备安装处所推车式灭火器控制和指示设备固 定 式 灭 火 系 统 ( 全 淹没)报警息动固定式灭火系统(局部应用)火灾报警装置固定式灭火系统(指出应用区)消防通风口2、消防工程自动报警设备符号名称图形名称图形消防控制中心火灾报警装置温感探测器感光探测器手动报警装置烟感探测器气体探测器报警电话火灾警铃火灾报警扬声器火灾报警发声器火灾光信号装置3、消防工程辅助符号名称图形名称图形水阀门手动启动泡沫或泡沫液出口电铃无水入口发声器BC 类干粉热扬声器ABC 类干粉烟电话卤代烷火焰光信号二氧化碳易爆气体4、消防工程灭火设备安装处符号名称图形名称图形二氧化碳瓶站ABC 干粉罐泡沫罐站BC 干粉灭火罐站消防泵站5、消防工程灭火器符号名称图形名称图形清水灭火器卤代烷灭火器推车式 ABC 类干粉灭火器泡沫灭火器二氧化碳灭火器推车式卤代烷灭火器BC 类干粉灭火器推车式泡沫灭火器水桶ABC 类干粉灭火器推车式 BC 类干粉灭火器沙桶6、消防工程固定灭火器系统符号名称图形名称图形水灭火系统(全淹没)ABC 类干粉灭火系统手动控制灭火系统泡沫灭火系统(全淹没)卤代烷灭火系统BC 类干粉灭火系统二氧化碳灭火系统7、消防管路及配件符号名称图形名称图形干式立管消防水管线干式立管消防水罐(池)干式立管泡沫混合液管线报警阀干式立管消火栓开式喷头干式立管消防泵闭式喷头干式立管泡沫比例混合器水泵结合器湿式立管泡沫产生器泡沫混合器立管泡沫液管

1、当您付费下载文档后,您只拥有了使用权限,并不意味着购买了版权,文档只能用于自身使用,不得用于其他商业用途(如 [转卖]进行直接盈利或[编辑后售卖]进行间接盈利)。
2、本站所有内容均由合作方或网友上传,本站不对文档的完整性、权威性及其观点立场正确性做任何保证或承诺!文档内容仅供研究参考,付费前请自行鉴别。
3、如文档内容存在违规,或者侵犯商业秘密、侵犯著作权等,请点击“违规举报”。

碎片内容

消防工程施工图图形符号大全

确认删除?
VIP
微信客服
  • 扫码咨询
会员Q群
  • 会员专属群点击这里加入QQ群
客服邮箱
回到顶部