电脑桌面
添加小米粒文库到电脑桌面
安装后可以在桌面快捷访问

消防设施及电气设施检测方案

消防设施及电气设施检测方案_第1页
1/34
消防设施及电气设施检测方案_第2页
2/34
消防设施及电气设施检测方案_第3页
3/34
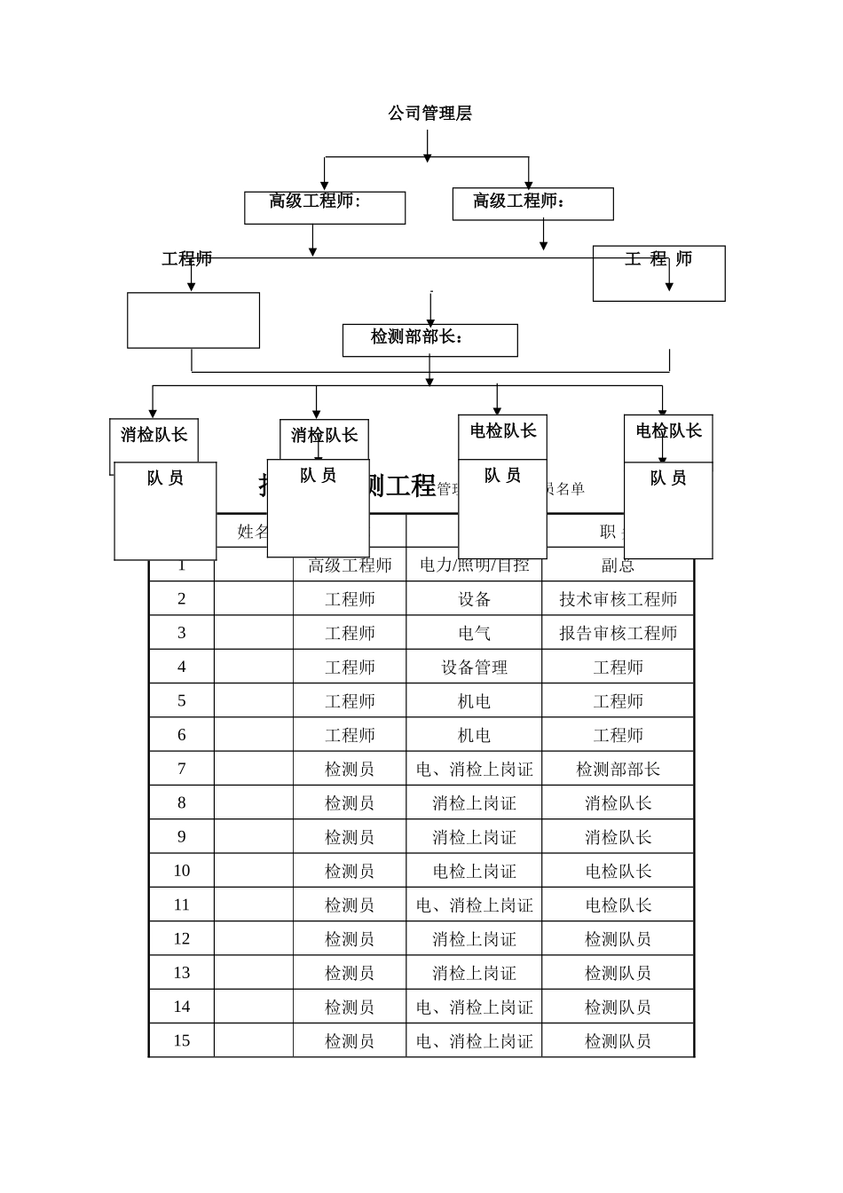
XXXXXXXX 有限责任公司建筑消防设施检测方案二 OO 九年三月二十日检 测 仪 器 设 备 表序号机械或设备名称型号规格数量国 别 产 地使用状况备注1红外热电视DL-500E2 台浙江大立科技有限公司良好2红外热像仪DL—700A2 台浙江大立科技有限公司良好3红外测温仪ST806 台美国良好4超声波侦测器PCU700-AT2 台美国福禄克公司良好5接地电阻测试仪C.A.64122 台法国 CHAUVIN ARNOUX良好6谐波分析仪41B2 台美国福禄克公司良好7数字式交、直流钳形表DM605612 台台湾良好8真有效值钳形电流表F3182 台美国福禄克公司良好9接地电阻摇测仪EC2P132 台杭州良好10漏电保护器测试仪M9004 台杭州良好11可燃气体检测仪SP-1122 台北京科力恒良好12数码摄像机DCR-TRVDE2 台日本索尼良好13数码照像机S602Z6 台日本富士良好14照度计LX—1012 台台湾路昌电子公司良好15电子温湿度表DWS508C102 台北京市严光仪器有限公司良好16风速仪AM-42012 台台湾路昌电子公司良好17微压机DP1000—111B2 台上海贵谷仪表设备有限公司良好18火灾模拟发生装置加烟测试仪CAY-035 台北京国安火灾探测器专业清洗厂良好19火灾模拟发生装置加温测试仪CAY—043 台北京国安火灾探测器专业清洗厂良好20消火栓系统试水检测装置SSG-14 个天津安科电器消防安全检测有限公司良好21对讲机VX—160U15 台株式会社威泰克斯良好组 织 机 构 框 图 公司管理层高级工程师: 高级工程师: 工程师 工 程 师检测部部长: 拟派本检测工程管理以及检测人员名单序号姓名职 称专业职 务1高级工程师电力/照明/自控副总2工程师设备技术审核工程师3工程师电气报告审核工程师4工程师设备管理工程师5工程师机电工程师6工程师机电工程师7检测员电、消检上岗证检测部部长8检测员消检上岗证消检队长9检测员消检上岗证消检队长10检测员电检上岗证电检队长11检测员电、消检上岗证电检队长12检测员消检上岗证检测队员13检测员消检上岗证检测队员14检测员电、消检上岗证检测队员15检测员电、消检上岗证检测队员消检队长消检队长电检队长队 员队 员电检队长队 员队 员16检测员电、消检上岗证检测队员17检测员电、消检上岗证检测队员18检测员电、消检上岗证检测队员19检测员消检上岗证检测队员20检测员消检上岗证检测队员21检测员消检上岗证检测队员22检测员电检上岗证检测队员23检测报告员注:总共投入本检测工程技术人员 23 人,其中高级工程师 1 人,工程师 5 人;技工或...

1、当您付费下载文档后,您只拥有了使用权限,并不意味着购买了版权,文档只能用于自身使用,不得用于其他商业用途(如 [转卖]进行直接盈利或[编辑后售卖]进行间接盈利)。
2、本站所有内容均由合作方或网友上传,本站不对文档的完整性、权威性及其观点立场正确性做任何保证或承诺!文档内容仅供研究参考,付费前请自行鉴别。
3、如文档内容存在违规,或者侵犯商业秘密、侵犯著作权等,请点击“违规举报”。

碎片内容

消防设施及电气设施检测方案

您可能关注的文档

确认删除?
VIP
微信客服
  • 扫码咨询
会员Q群
  • 会员专属群点击这里加入QQ群
客服邮箱
回到顶部