电脑桌面
添加小米粒文库到电脑桌面
安装后可以在桌面快捷访问

烟花爆竹企业标准化重大危险源辨识表

烟花爆竹企业标准化重大危险源辨识表_第1页
1/3
烟花爆竹企业标准化重大危险源辨识表_第2页
2/3
烟花爆竹企业标准化重大危险源辨识表_第3页
3/3
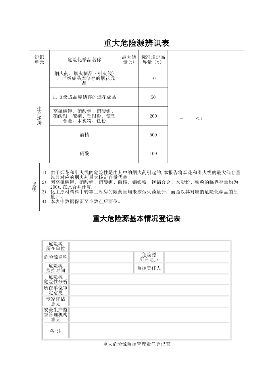
重大危险源辨识表辨识单元危险化学品名称最大储量(t)标准规定临界量(t)生产场所烟火药、烟火制品(引火线)1。1-2级成品库储存的烟花成品10= <11。3 级成品库储存的烟花成品50高氯酸钾、硝酸钾、硝酸钡、硝酸银、硫磺、铝银粉、镁铝合金、木炭粉、钛粉200酒精500硝酸100说明1) 由于烟花和引火线的危险性是由其中的烟火药引起的,本报告将烟花和引火线的最大储存量以其对应的烟火药最大核定存量代替。2) 因高氯酸钾、硝酸钾、硝酸钡、硫磺、铝银粉、镁铝合金、木炭粉、钛粉的临界存量均为200t,在此合并计算.3) 化工原材料料中转等工库房的限药量均未按烟火药量计,而是以其对应的危险化学品的质量计。4) 本表中数据保留至小数点后两位。重大危险源基本情况登记表危险源 所在单位 危险源名称 危险源 所在地点 危险源 监控时间 监控责任人 危险源 危险性分析 所在单位审定意见 专家评估 意见 安全生产监督管理机构意见 备 注 重大危险源监控管理责任登记表 危险源 所在单位名称 危险源名称 所在地点 危险等级 触发条件 预测事故类型 预测事故后果 危险源基本情况或者近况 主要监控管理措施要求或者建议 需要说明 的问题 责任单位 监控检查人 部门负责人 直接监管责任人 班组级名称 岗位级名称 厂级单位 主要管理单位 直接监督机构 重大危险源备案登记XXX 安全生产监督管理局:我公司现具有烟花生产线一条,根据设计计算,各工房、库房的药量总和达到 3000 公斤(含烟火药、黑火药、各种化工原材料),根据《关于开展重大危险源监督管理工作的指导意见》(国家安全生产监督管理局安监管协调安[2024]56 号),烟火剂、烟花爆竹生产中生产、使用黑火药、烟火药等达到或超过 0.5t 的设施或场所则构成重大危险源;库区(库)储存中储存黑火药、烟火药量达到或超过 5t 的库房则构成重大危险源.故我公司生产区域已构成重大危险源。根据国家有关规定和要求,现将公司生产储存区构成的重大危险源登记建档,并报当地安全生产监督管理局备案。我公司将对重大危险源的重点部位重点监控、评价和检测,确保重大危险源在安全状态下运行.年 月 日事故应急救援预案联系电话及备案登记指挥部成员通讯电话联系表职务姓名电话总指挥副总指挥副总指挥成员成员成员成员成员成员成员成员成员外联单位联系电话表紧急事件外部资源报警电话联系电话到达时间火灾、爆炸11940 分钟40 分钟30 分钟人员受伤12040 分钟12040 分钟12050 分钟人员中毒12040 分钟公共治安11040 分钟 11030 分钟

1、当您付费下载文档后,您只拥有了使用权限,并不意味着购买了版权,文档只能用于自身使用,不得用于其他商业用途(如 [转卖]进行直接盈利或[编辑后售卖]进行间接盈利)。
2、本站所有内容均由合作方或网友上传,本站不对文档的完整性、权威性及其观点立场正确性做任何保证或承诺!文档内容仅供研究参考,付费前请自行鉴别。
3、如文档内容存在违规,或者侵犯商业秘密、侵犯著作权等,请点击“违规举报”。

碎片内容

烟花爆竹企业标准化重大危险源辨识表

不二商店+ 关注
实名认证
内容提供者

我是你的不二选择

确认删除?
VIP
微信客服
  • 扫码咨询
会员Q群
  • 会员专属群点击这里加入QQ群
客服邮箱
回到顶部