电脑桌面
添加小米粒文库到电脑桌面
安装后可以在桌面快捷访问

燃气管道施工方案

燃气管道施工方案_第1页
1/14
燃气管道施工方案_第2页
2/14
燃气管道施工方案_第3页
3/14
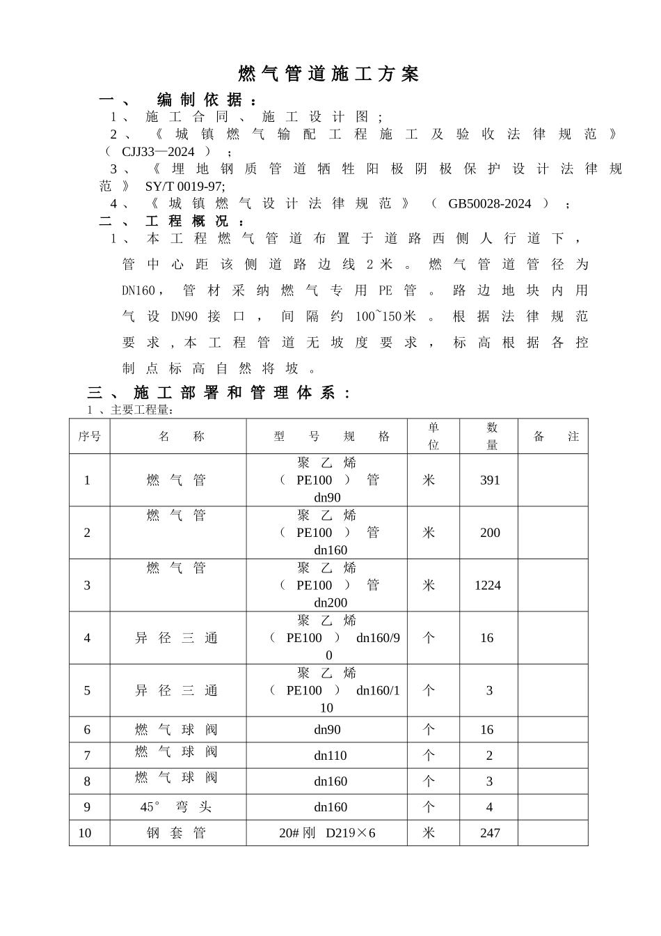
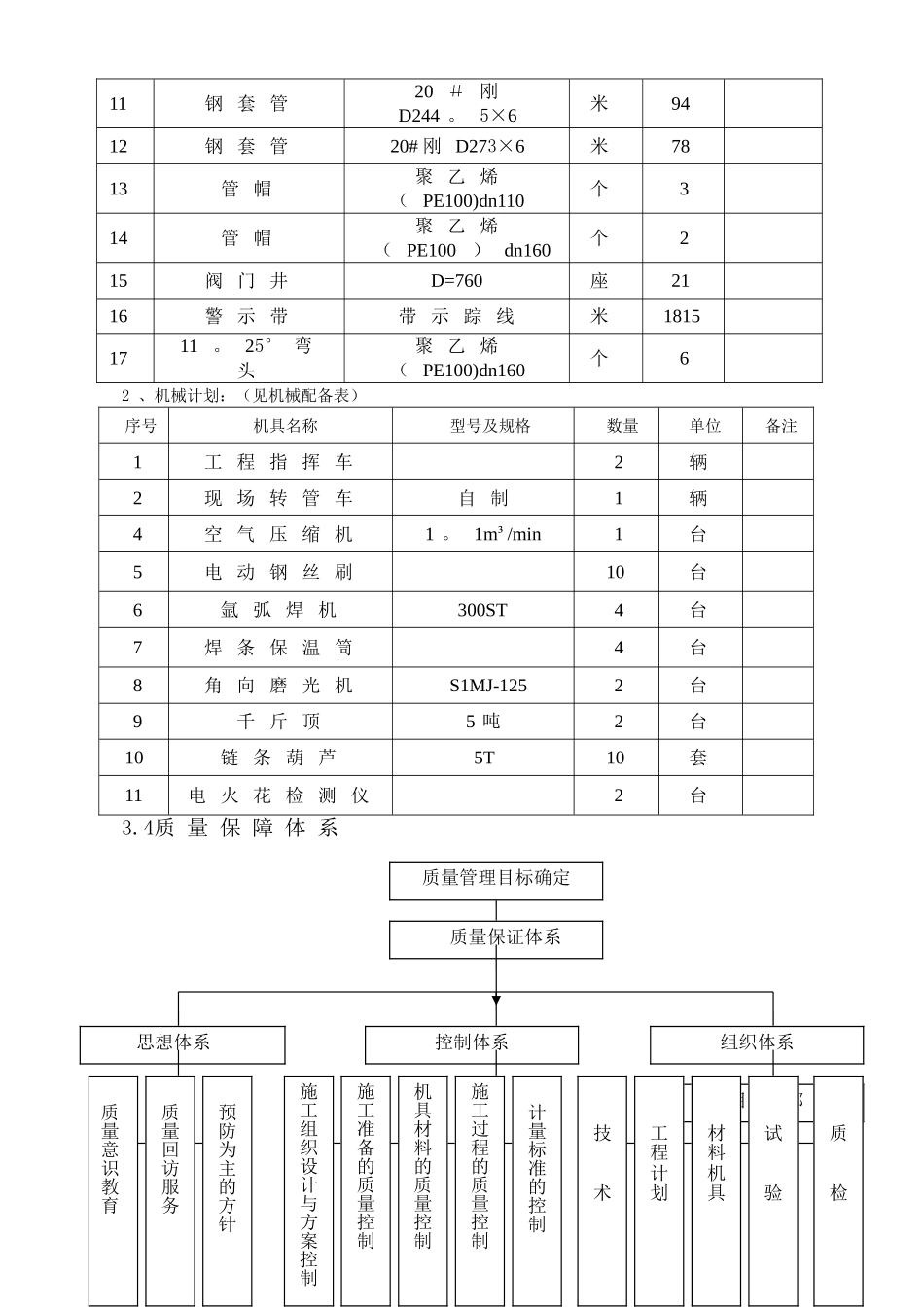
燃 气 管 道 施 工 方 案一 、编 制 依 据 :1 、 施 工 合 同 、 施 工 设 计 图 ;2 、《城镇燃气输配工程施工及验收法律规范》( CJJ33—2024 ) ;3 、《埋地钢质管道牺牲阳极阴极保护设计法律规范 》 SY/T 0019-97;4 、 《 城 镇 燃 气 设 计 法 律 规 范 》 ( GB50028-2024 ) ;二 、 工 程 概 况 :1 、 本 工 程 燃 气 管 道 布 置 于 道 路 西 侧 人 行 道 下 ,管中心距该侧道路边线2 米。燃气管道管径为DN160 ,管材采纳燃气专用PE管。路边地块内用气设DN90 接口,间隔约100~150米。根据法律规范要求, 本工程管道无坡度要求,标高根据各控制 点 标 高 自 然 将 坡 。三 、 施 工 部 署 和 管 理 体 系 :1 、主要工程量:序号名 称型 号 规 格单 位数 量备 注1燃 气 管聚 乙 烯( PE100) 管dn90米3912燃 气 管聚 乙 烯( PE100) 管dn160米2003燃 气 管聚 乙 烯( PE100) 管dn200米12244异 径 三 通聚 乙 烯( PE100) dn160/90个165异 径 三 通聚 乙 烯( PE100) dn160/110个36燃 气 球 阀dn90个167燃 气 球 阀dn110个28燃 气 球 阀dn160个3945° 弯 头dn160个410钢 套 管20# 刚 D219×6米24711钢 套 管20 # 刚D244 。 5×6米9412钢 套 管20# 刚 D273×6米7813管 帽聚 乙 烯( PE100)dn110个314管 帽聚 乙 烯( PE100) dn160个215阀 门 井D=760座2116警 示 带带 示 踪 线米18151711 。 25° 弯头聚 乙 烯( PE100)dn160个62 、机械计划:(见机械配备表)序号机具名称型号及规格数量单位备注1工 程 指 挥 车2辆2现 场 转 管 车自 制1辆4空 气 压 缩 机1 。 1m³/min1台5电 动 钢 丝 刷10台6氩 弧 焊 机300ST4台7焊 条 保 温 筒4台8角 向 磨 光 机S1MJ-1252台9千 斤 顶5 吨2台10链 条 葫 芦5T10套11电 火 花 检 测 仪2台3.4质 量 保 障 体 系质量管理目标确定质量保证体系组织体系控制体系思想体系项目经理部质 检试 验材 料 机 具工 程 计 划 技 术计量标准的控制质量意识教育质量回访服务预防为主的方针施工组织设计与方案控制施工准备的质量控制机具材料的质量控制施工过程的质量控制3.5安 全 保 障 体 系 : 施 工 前 进 行 安 全 技 术 交 底四 、...

1、当您付费下载文档后,您只拥有了使用权限,并不意味着购买了版权,文档只能用于自身使用,不得用于其他商业用途(如 [转卖]进行直接盈利或[编辑后售卖]进行间接盈利)。
2、本站所有内容均由合作方或网友上传,本站不对文档的完整性、权威性及其观点立场正确性做任何保证或承诺!文档内容仅供研究参考,付费前请自行鉴别。
3、如文档内容存在违规,或者侵犯商业秘密、侵犯著作权等,请点击“违规举报”。

碎片内容

燃气管道施工方案

您可能关注的文档

确认删除?
VIP
微信客服
  • 扫码咨询
会员Q群
  • 会员专属群点击这里加入QQ群
客服邮箱
回到顶部