电脑桌面
添加小米粒文库到电脑桌面
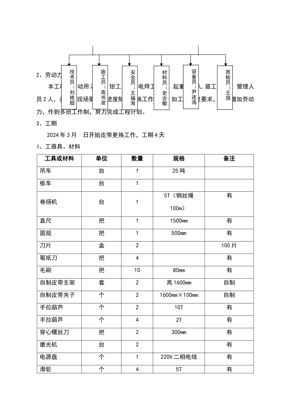
安装后可以在桌面快捷访问

燃煤发电C3皮带更换方案

燃煤发电C3皮带更换方案_第1页
1/10
燃煤发电C3皮带更换方案_第2页
2/10
燃煤发电C3皮带更换方案_第3页
3/10
日照钢铁有限公司30 万燃煤发电燃料系统 C3 皮带更换施工组织方案编 制: 高书波 审 核: 施保林 河北荣威安装工程有限公司 2024 年 3 月 9 日一、概况30 万燃煤发电机组现阶段已经投产运行 2 年,燃料输煤系统 C3 输煤皮带磨损严重,为防止输煤皮带进一步损坏造成严重后果,确保输煤系统安全稳定运行。C3 输煤皮带进行更换,皮带规格 1400*6(+),总长度约计 650 米.二、编制依据1、《机械设备安装工程施工及验收通用法律规范》(GB50231-98)。2、《连续输送设备安装工程施工及验收法律规范》(GB50270-98)。3、《输煤系统设备说明书》4、《输煤检修规程》5、《国家电力安全工作规程》(热力机械部分)6、现场实地勘察.三、组织机构及工期1、组织机构项目经理:施保林现场主管:王福海技术负责人:高书波2、劳动力配备本工程估计动用 22 人,钳工 3 人,电焊工 4 人,起重工 2 人,普工 11 人,管理人员 2 人,并根据现场要求与进度随时调换工作人员。如工程进度要求,临时增加劳动力,作到多班工作制,努力完成工程计划。3、工期2024 年 3 月 日开始皮带更换工作,工期 4 天4、工器具、材料工具或材料单位数量规格备注吊车台125 吨板车台1卷扬机台15T(钢丝绳100m)有直尺把11500mm有圆规把1500mm有刀片盒2100 片笔纸刀把4有毛刷把1080mm有自制皮带支架套2高 1600mm自制自制皮带夹子个21600mm×100mm自制手拉葫芦个210T有手拉葫芦个42T有穿心螺丝刀把2300mm有磨光机台2有电源盘个1220V 二相电线有滑轮个45T有技术员:刘艳超施工员:高书波安全员:王福海材料员:史会敏质检员:王旗设备员:尹连海U 型环个610T有电焊机台1有气割套1有皮带支架组1自制活口扳手把若干有梅花扳手把1024mm—32mm有手锤把1有胶浆千克20胶板千克202mm有胶板千克205mm有橡胶手套双4有木板张21220mm×1900mm有汽油升20#97有对讲机台4有硫化机套11600mm×1600mm有四、更换方案1、工器具、材料准备:、现场照明设施到位、现场电动葫芦维修、修护,达到灵活好用。、准备好自制专用工具,工器具等并摆放整齐。、卷扬机固定牢固,满足现场需要。、皮带支架现场确认到位。、硫化机、硫化所属工器具到位确认到位。、芯胶、面胶、胶浆及清洗剂等材料到位。2.检修步骤2。 1 施工前安全措施:施工前对工作人员进行安全交底,对现场危险源进行辨识,学习 SJP 卡,并进行签字确认。 C3 皮带机头、机尾电机停电,并在低压室挂禁止操...

1、当您付费下载文档后,您只拥有了使用权限,并不意味着购买了版权,文档只能用于自身使用,不得用于其他商业用途(如 [转卖]进行直接盈利或[编辑后售卖]进行间接盈利)。
2、本站所有内容均由合作方或网友上传,本站不对文档的完整性、权威性及其观点立场正确性做任何保证或承诺!文档内容仅供研究参考,付费前请自行鉴别。
3、如文档内容存在违规,或者侵犯商业秘密、侵犯著作权等,请点击“违规举报”。

碎片内容

燃煤发电C3皮带更换方案

范哲铺+ 关注
实名认证
内容提供者

想你所想,急你所急,你需要的都在店铺里可以找到。

确认删除?
VIP
微信客服
  • 扫码咨询
会员Q群
  • 会员专属群点击这里加入QQ群
客服邮箱
回到顶部