电脑桌面
添加小米粒文库到电脑桌面
安装后可以在桌面快捷访问

班前会议记录表

班前会议记录表_第1页
1/1
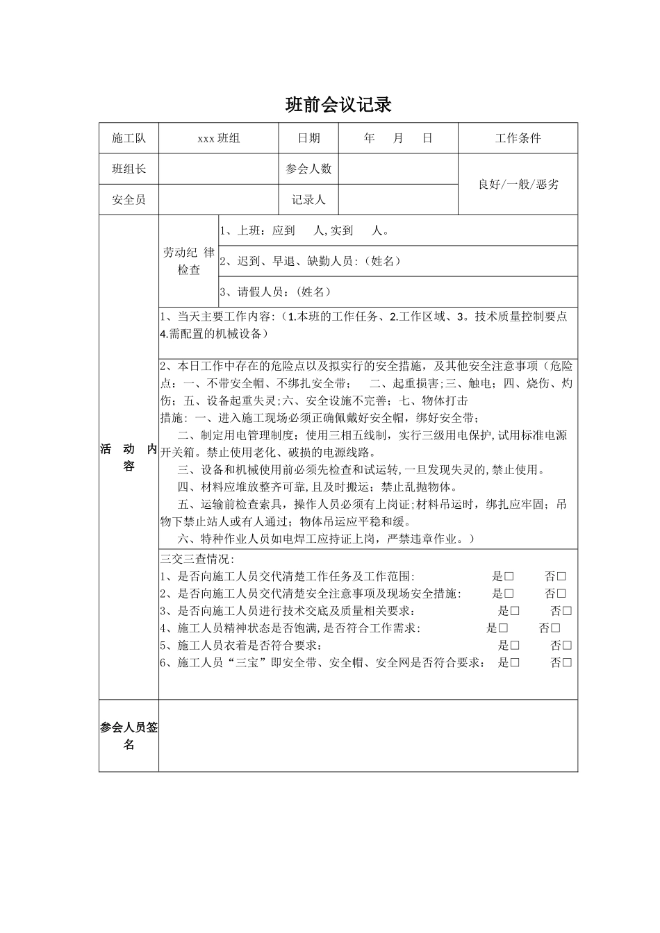
班前会议记录施工队xxx 班组日期年 月 日工作条件班组长参会人数良好/一般/恶劣安全员记录人活 动 内 容劳动纪 律检查1、上班:应到 人,实到 人。2、迟到、早退、缺勤人员:(姓名)3、请假人员:(姓名)1、当天主要工作内容:(1.本班的工作任务、2.工作区域、3。技术质量控制要点 4.需配置的机械设备) 2、本日工作中存在的危险点以及拟实行的安全措施,及其他安全注意事项(危险点:一、不带安全帽、不绑扎安全带; 二、起重损害;三、触电;四、烧伤、灼伤;五、设备起重失灵;六、安全设施不完善;七、物体打击措施: 一、进入施工现场必须正确佩戴好安全帽,绑好安全带; 二、制定用电管理制度;使用三相五线制,实行三级用电保护,试用标准电源开关箱。禁止使用老化、破损的电源线路。 三、设备和机械使用前必须先检查和试运转,一旦发现失灵的,禁止使用。 四、材料应堆放整齐可靠,且及时搬运;禁止乱抛物体。 五、运输前检查索具,操作人员必须有上岗证;材料吊运时,绑扎应牢固;吊物下禁止站人或有人通过;物体吊运应平稳和缓。 六、特种作业人员如电焊工应持证上岗,严禁违章作业。) 三交三查情况:1、是否向施工人员交代清楚工作任务及工作范围: 是□ 否□2、是否向施工人员交代清楚安全注意事项及现场安全措施: 是□ 否□3、是否向施工人员进行技术交底及质量相关要求: 是□ 否□4、施工人员精神状态是否饱满,是否符合工作需求: 是□ 否□5、施工人员衣着是否符合要求: 是□ 否□6、施工人员“三宝”即安全带、安全帽、安全网是否符合要求: 是□ 否□参会人员签名

1、当您付费下载文档后,您只拥有了使用权限,并不意味着购买了版权,文档只能用于自身使用,不得用于其他商业用途(如 [转卖]进行直接盈利或[编辑后售卖]进行间接盈利)。
2、本站所有内容均由合作方或网友上传,本站不对文档的完整性、权威性及其观点立场正确性做任何保证或承诺!文档内容仅供研究参考,付费前请自行鉴别。
3、如文档内容存在违规,或者侵犯商业秘密、侵犯著作权等,请点击“违规举报”。

碎片内容

班前会议记录表

您可能关注的文档

范哲铺+ 关注
实名认证
内容提供者

想你所想,急你所急,你需要的都在店铺里可以找到。

确认删除?
VIP
微信客服
  • 扫码咨询
会员Q群
  • 会员专属群点击这里加入QQ群
客服邮箱
回到顶部