电脑桌面
添加小米粒文库到电脑桌面
安装后可以在桌面快捷访问

生产领料流程

生产领料流程_第1页
1/2
生产领料流程_第2页
2/2
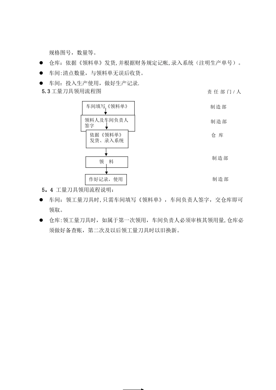
生产领料管理流程1 目的 为保证车间生产均衡、有序,使车间、仓库储存物料数据得到有效记录和追溯。2 适用范围 适用于公司制造部车间原材料、工具量具刀具、辅料等物料的领料操作流程。3 职责4.1 制造部:原材料领料的申请;工具量具刀具的申请审核.4.2 PMC 部:生产计划单的下达,原材料领取的审核。4.3 仓库:物料的准备,发放,单据的审核、录入。5 工作程序5.1 原材料领用流程图 5.2 原材料领用流程说明:PMC 计划:下达《生产计划单》,仓库及车间都应有此单.仓库:根据《生产计划单》的要求备料,备料完成后通知生产领料。车间:根据《生产计划单》及仓库通知填写《领料单》,《领料单》由领料人签字车间负责人审核,PMC 计划确认.在《领料单》上必须注明物料编号,物料名称,生产计划单的下达按单按要求备料责 任 部 门 / 人PMC 计 划 部 仓 库 OK订单下达订单实施订单生产跟踪订单生产跟踪制 造 部 仓 库 车间根据生产需求填写《领料单》领料人及车间负责人签字 PMC 计划确认依据《领料单》发货、录入系统NO领 料作好记录,生产制 造 部 PMC 计划部 制 造 部 制 造 部 规格图号,数量等。仓库:依据《领料单》发货,并根据财务规定记帐,录入系统(注明生产单号)。车间:清点数量,与领料单无误后收货。车间:投入生产使用,做好生产记录. 5.3 工量刀具领用流程图 5。4 工量刀具领用流程说明:车间:领工量刀具时,只需车间填写《领料单》,车间负责人签字,交仓库即可领取。仓库:领工量刀具时,如属于第一次领用,车间负责人必须审核其领用量,仓库必须做好备查账,第二次及以后领工量刀具时以旧换新。仓 库 制 造 部 车间填写《领料单》领料人及车间负责人签字依据《领料单》发货、录入系统领 料作好记录,使用制 造 部 制 造 部 制 造 部 责 任 部 门 / 人

1、当您付费下载文档后,您只拥有了使用权限,并不意味着购买了版权,文档只能用于自身使用,不得用于其他商业用途(如 [转卖]进行直接盈利或[编辑后售卖]进行间接盈利)。
2、本站所有内容均由合作方或网友上传,本站不对文档的完整性、权威性及其观点立场正确性做任何保证或承诺!文档内容仅供研究参考,付费前请自行鉴别。
3、如文档内容存在违规,或者侵犯商业秘密、侵犯著作权等,请点击“违规举报”。

碎片内容

生产领料流程

确认删除?
VIP
微信客服
  • 扫码咨询
会员Q群
  • 会员专属群点击这里加入QQ群
客服邮箱
回到顶部