电脑桌面
添加小米粒文库到电脑桌面
安装后可以在桌面快捷访问

电气安装工程单位、分部、分项、检验批划分

电气安装工程单位、分部、分项、检验批划分_第1页
1/20
电气安装工程单位、分部、分项、检验批划分_第2页
2/20
电气安装工程单位、分部、分项、检验批划分_第3页
3/20
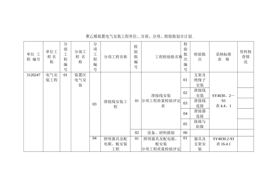
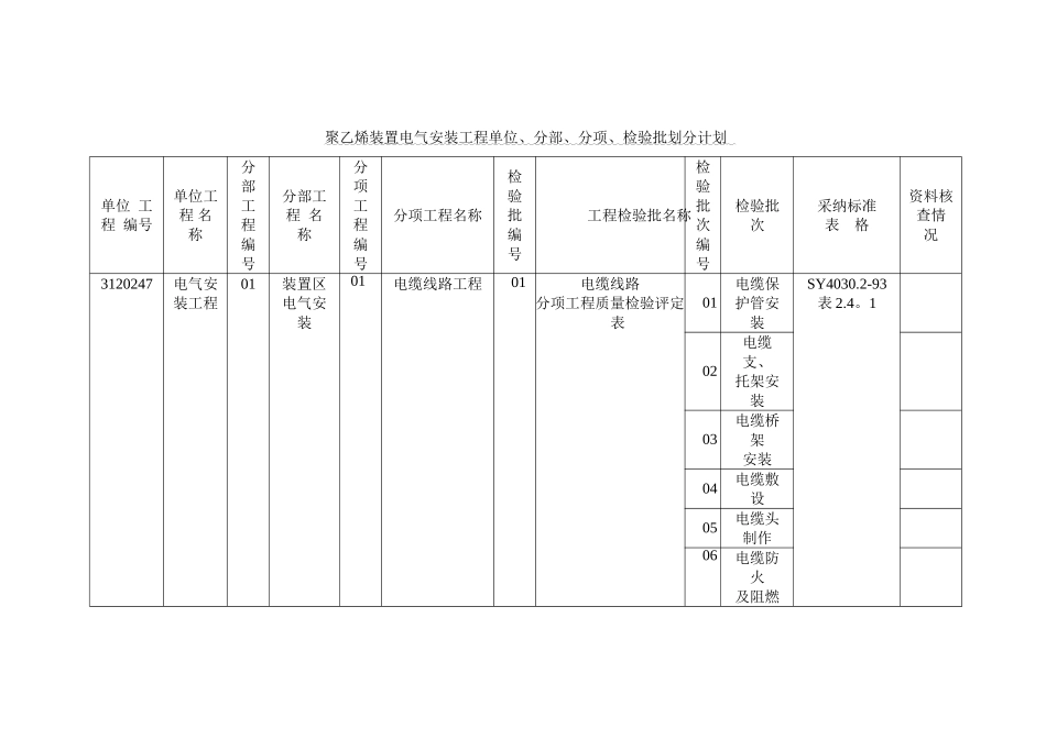
聚乙烯装置电气安装工程单位、分部、分项、检验批划分计划 单位 工程 编号单位工程 名 称分部工程编号分部工程 名 称分项工程 编号分项工程名称检验批 编号工程检验批名称检验批次 编号检验批次采纳标准 表 格资料核查情 况3120247电气安装工程01装置区电气安装01电缆线路工程01电缆线路分项工程质量检验评定表01电缆保护管安装SY4030.2-93表 2.4。102电缆支、托架安装03电缆桥架安装04电缆敷设05电缆头制作06电缆防火及阻燃聚乙烯装置电气安装工程单位、分部、分项、检验批划分计划 单位 工程 编号单位工程 名 称分部工程编号分部工程 名 称分项工程 编号分项工程名称检验批 编号工程检验批名称检验批次 编号检验批次采纳标准 表 格资料核查情 况02设备、材料报验02管配线工程01管配线分项工程质量检验评定表01管敷设SY4030.2—93表 3.4。102盒箱安装03管路保护04爆炸\火灾危险环境配管05接地与防腐02设备、材料报验聚乙烯装置电气安装工程单位、分部、分项、检验批划分计划 单位 工程 编号单位工程 名 称分部工程编号分部工程 名 称分项工程 编号分项工程名称检验批 编号工程检验批名称检验批次 编号检验批次采纳标准 表 格资料核查情 况3120247电气安装工程01装置区电气安装03滑接线安装工程01滑接线安装分项工程质量检验评定表01支架及绝缘子安装SY4030。2—93表 4.4。102滑接线安装03滑接线连接04滑接器连接05接地与防腐02设备、材料报验0604照明器具及配电箱、板安装工程01照明器具及配电箱、板安装分项工程质量检验评定01器具及支架安装SY4030.2-93表 16.4.1聚乙烯装置电气安装工程单位、分部、分项、检验批划分计划 单位 工程 编号单位工程 名 称分部工程编号分部工程 名 称分项工程 编号分项工程名称检验批 编号工程检验批名称检验批次 编号检验批次采纳标准 表 格资料核查情 况表02灯具、开关、插座安装03配电箱、板安装04导线连接02设备、材料报验05电动机的电气检查和接线01 电动机的电气检查和接线分项工程质量检验评定表01电动机安装SY4030.2-93表 17.3。102刷架、刷握及电刷安装聚乙烯装置电气安装工程单位、分部、分项、检验批划分计划 单位 工程 编号单位工程 名 称分部工程编号分部工程 名 称分项工程 编号分项工程名称检验批 编号工程检验批名称检验批次 编号检验批次采纳标准 表 格资料核查情 况03电源线连接与接地防腐02设备、材料报验3120247电气安...

1、当您付费下载文档后,您只拥有了使用权限,并不意味着购买了版权,文档只能用于自身使用,不得用于其他商业用途(如 [转卖]进行直接盈利或[编辑后售卖]进行间接盈利)。
2、本站所有内容均由合作方或网友上传,本站不对文档的完整性、权威性及其观点立场正确性做任何保证或承诺!文档内容仅供研究参考,付费前请自行鉴别。
3、如文档内容存在违规,或者侵犯商业秘密、侵犯著作权等,请点击“违规举报”。

碎片内容

电气安装工程单位、分部、分项、检验批划分

确认删除?
VIP
微信客服
  • 扫码咨询
会员Q群
  • 会员专属群点击这里加入QQ群
客服邮箱
回到顶部