电脑桌面
添加小米粒文库到电脑桌面
安装后可以在桌面快捷访问

电气柜验收测试检验表

电气柜验收测试检验表_第1页
1/8
电气柜验收测试检验表_第2页
2/8
电气柜验收测试检验表_第3页
3/8
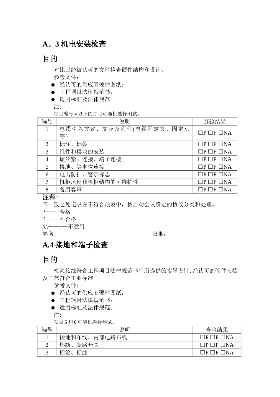
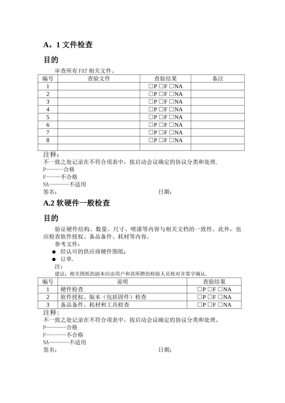
A。1 文件检查目的审查所有 FAT 相关文件。编号查验文件查验结果备注1□P □F □NA2□P □F □NA3□P □F □NA4□P □F □NA5□P □F □NA6□P □F □NA7□P □F □NA8□P □F □NA注释:不一致之处记录在不符合项表中,按启动会议确定的协议分类和处理.P——--合格F---—不合格NA-———不适用签名: 日期:A.2 软硬件一般检查目的验证硬件结构、数量、尺寸、喷漆等内容与相关文档的一致性。此外,也应检查软件授权、备品备件、耗材等内容。参考文件:● 经认可的供应商硬件图纸;● 订单.注:建议:相关图纸的副本应由用户和其所聘的检验人员核对并签字确认.编号说明查验结果1硬件检查□P □F □NA2软件授权、版本(包括固件)检查□P □F □NA3备品备件、耗材和工具检查□P □F □NA注释:不一致之处记录在不符合项表中,按启动会议确定的协议分类和处理。P———-合格F—-——不合格NA———-不适用签名: 日期:A。3 机电安装检查目的对比已经被认可的文件检查硬件结构和设计。参考文件:● 经认可的供应商硬件图纸;● 工程项目法律规范书;● 适用标准及法律规范。注:项目编号 4 以下的项目可随机选择测试。编号说明查验结果1电缆引入方式、支座及附件(电缆固定夹、固定头等)□P □F □NA2标注、标签□P □F □NA3组件和模块的安装□P □F □NA4螺丝紧固连接、端子连接□P □F □NA5接地、等电位连接□P □F □NA6电击防护、警示标志□P □F □NA7机柜风扇和机柜结构的可维护性□P □F □NA8备用容量□P □F □NA注释:不一致之处记录在不符合项表中,按启动会议确定的协议分类和处理。P-—--合格F--—-不合格NA——-—不适用签名: 日期:A.4 接地和端子检查目的检验接线符合工程项目法律规范书中所提供的指导方针,经认可的硬件文档及工艺符合工业标准。参考文件:● 经认可的供应商硬件图纸;● 工程项目法律规范书;● 适用标准及法律规范。注:项目 5 和 6 可随机选择测试。编号说明查验结果1接地和布线、内部电路布线□P □F □NA2熔断、断路开关□P □F □NA3标签、标注□P □F □NA4线缆、颜色、横截面、电压、防爆等级等的划分□P □F □NA5线缆弯曲检查□P □F □NA6人工线缆弯曲、拉紧试验□P □F □NA7线缆管道负荷□P □F □NA8I/O 至端子的接线及连接标注□P □F □NA9系统线缆插头方向□P □F □NA10系统电压绝缘测试□P □F □NA注释:不一...

1、当您付费下载文档后,您只拥有了使用权限,并不意味着购买了版权,文档只能用于自身使用,不得用于其他商业用途(如 [转卖]进行直接盈利或[编辑后售卖]进行间接盈利)。
2、本站所有内容均由合作方或网友上传,本站不对文档的完整性、权威性及其观点立场正确性做任何保证或承诺!文档内容仅供研究参考,付费前请自行鉴别。
3、如文档内容存在违规,或者侵犯商业秘密、侵犯著作权等,请点击“违规举报”。

碎片内容

电气柜验收测试检验表

确认删除?
VIP
微信客服
  • 扫码咨询
会员Q群
  • 会员专属群点击这里加入QQ群
客服邮箱
回到顶部