电脑桌面
添加小米粒文库到电脑桌面
安装后可以在桌面快捷访问

电缆井隐蔽工程检查验收记录

电缆井隐蔽工程检查验收记录_第1页
1/6
电缆井隐蔽工程检查验收记录_第2页
2/6
电缆井隐蔽工程检查验收记录_第3页
3/6
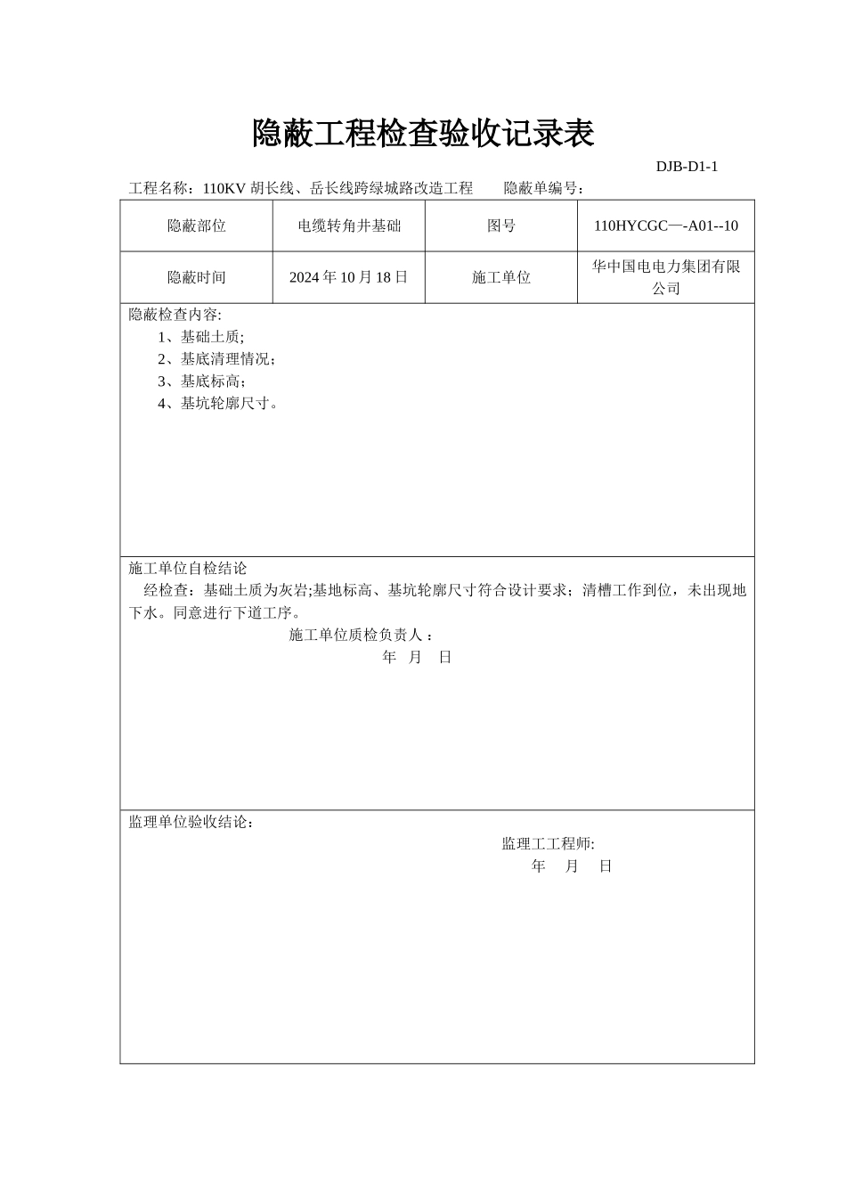
隐蔽工程检查验收记录表DJB-D1-1工程名称:110KV 胡长线、岳长线跨绿城路改造工程 隐蔽单编号: 隐蔽部位电缆转角井基础图号110HYCGC—-A01--10隐蔽时间2024 年 10 月 18 日施工单位华中国电电力集团有限公司隐蔽检查内容: 1、基础土质; 2、基底清理情况; 3、基底标高; 4、基坑轮廓尺寸。施工单位自检结论 经检查:基础土质为灰岩;基地标高、基坑轮廓尺寸符合设计要求;清槽工作到位,未出现地下水。同意进行下道工序。 施工单位质检负责人 : 年 月 日监理单位验收结论:监理工工程师:年 月 日隐蔽工程检查验收记录表DJB-D1—2工程名称:110KV 胡长线、岳长线跨绿城路改造工程 隐蔽单编号: 隐蔽部位电缆转角井钢筋图号110HYCGC—-A01—-10隐蔽时间2024 年 10 月 20 日施工单位华中国电电力集团有限公司隐蔽检查内容: 1、原材料的产品质量; 2、钢筋的品种、级别、规格; 3、钢筋的配筋数量、位置、间距; 4、钢筋的绑扎、安装情况; 5、保护层厚度。施工单位自检结论 经检查:钢筋有质量证明书,复试合格,外观均无腐蚀、无污染、均以清理洁净;钢筋的品种、级别、规格,配筋数量、位置、间距均符合设计要求;钢筋的绑扎质量牢固,无漏扣现象;保护层深度符合要求。 施工单位质检负责人 : 年 月 日监理单位验收结论:监理工工程师:年 月 日D隐蔽工程检查验收记录表DJB-D1-3工程名称:110KV 胡长线、岳长线跨绿城路改造工程 隐蔽单编号: 隐蔽部位电缆转角井混凝土图号110HYCGC—-A01--10隐蔽时间2024 年 10 月 22 日施工单位华中国电电力集团有限公司隐蔽检查内容: 1、混凝土原材料; 2、混凝土配合比; 3、混凝土原材料计量、搅拌、运输、浇筑、振捣; 4、混凝土养护; 5、混凝土设计强度; 6、标高、几何尺寸 7、表面平整度、垂直度。施工单位自检结论 经检查:混凝土原材料有复检实验报告、质量符合要求;混凝土有配合比有试配报告;混凝土原材料计量、搅拌、运输、浇筑、振捣符合施工设计要求;混凝土养护符合施工设计要求;混凝土设计强度为 C25,施工时留有试块,有试压报告;基础标高、几何尺寸符合设计要求;表面平整度、垂直度符合施工设计验收法律规范. 施工单位质检负责人 : 年 月 日监理单位验收结论:监理工工程师:年 月 日隐蔽工程检查验收记录表DJB—D1—4工程名称:110KV 胡长线、岳长线跨绿城路改造工程 隐蔽单编号: 隐蔽部位钢管塔基础图号110HYCGC-—A01—-04隐...

1、当您付费下载文档后,您只拥有了使用权限,并不意味着购买了版权,文档只能用于自身使用,不得用于其他商业用途(如 [转卖]进行直接盈利或[编辑后售卖]进行间接盈利)。
2、本站所有内容均由合作方或网友上传,本站不对文档的完整性、权威性及其观点立场正确性做任何保证或承诺!文档内容仅供研究参考,付费前请自行鉴别。
3、如文档内容存在违规,或者侵犯商业秘密、侵犯著作权等,请点击“违规举报”。

碎片内容

电缆井隐蔽工程检查验收记录

确认删除?
VIP
微信客服
  • 扫码咨询
会员Q群
  • 会员专属群点击这里加入QQ群
客服邮箱
回到顶部