电脑桌面
添加小米粒文库到电脑桌面
安装后可以在桌面快捷访问

监控工程验收资料

监控工程验收资料_第1页
1/19
监控工程验收资料_第2页
2/19
监控工程验收资料_第3页
3/19
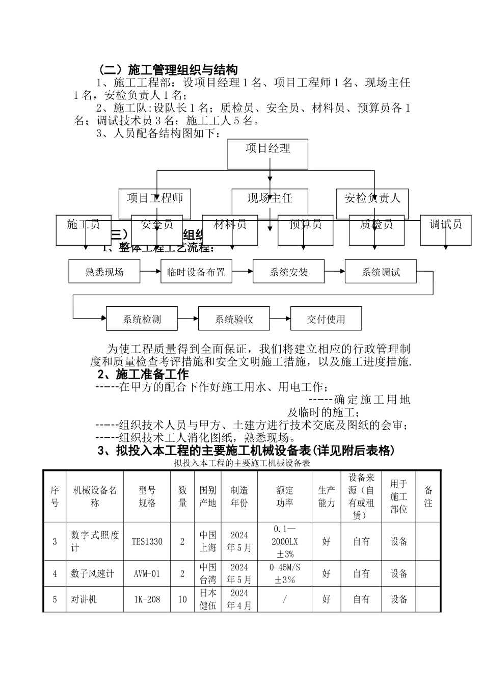
武汉市三丰畜牧科技有限公司关于电视监控系统项目竣工验收申请报告工程完成情况武汉市三丰畜牧科技有限公司电视监控系统项目由武汉市江夏区灵众电脑于 2024 年 11 月 12 日开工建设, 2024年 11 月 18 日 全 面 竣 工 , 历 时 7 天 , 工 程 总 投 资 金 额¥:68950.00 元.根据批准的设计(方案)已完成了主要工程,即:线路及监控设备安装并调试。二、验收条件检查结果依据国家的有关规定,该工程按设计要求已完成了主要工程施工任务.工程投资使用合理,竣工资料已准备齐全,工程质量合格,已具备正式验收条件。三、项目竣工验收申请 根据工程完成情况和上级主管部门的相关要求,现申请区财政局及畜牧局建设项目竣工验收工作领导小组对武汉市三丰畜牧科技有限公司电视监控系统项目尽快组织竣工验收工作。特此报告申请单位名称(盖章)年 月 日实施方案:一、概述 我公司在仔细研阅设计图纸及施工依据文件基础上,充分了解建设方的要求和意见,依据相关设计及施工验收法律规范,编制出本施工组织方案。编制本施工组织方案的目的,是为组织工程施工提供纲领性技术文件,指导工程建设全过程的施工管理。(一)施工组织方案编制依据1、我公司设计的安全技术防范工程施工图2、《安全防范工程程序和要求》(GA/T75—94)3 、 《 民 用 建 筑 闭 路 监 视 电 视 系 统 工 程 技 术 法 律 规 范 》(GB50198—94)4、《安全防范系统验收规则》(GA308-2001)5、《安装工程分项施工工艺手册》第一卷(1992 年版).6、《安装工程分项施工工艺手册》第二卷(1992 年版)。7、其它国际、国内相应的设备制造、系统设计、安装施工、验收法律规范、质量检验评定标准。 (二)工程概况及规模该工程由武汉市江夏区灵众电脑承建,施施工场地点位于乌龙泉新农村与新生活交界处的武汉市三丰畜牧科技有限公司厂区内各猪舍、门防、仓库、药房、上猪台等各个地区安装高分辨率摄像头及在制高点和大门安装 30 倍变焦索尼机芯球形探头(三)施工现场概况及需解决的问题 1、工程土建方应预留预埋孔洞,保证其质量符合要求。 2、工现场封闭条件较好,但因多种工程和工程队交叉作业,安装到位器材易丢失和损坏.3、现场管理及施工配合水电及材料二次搬运垂直运输等工作均必须与甲方协商,才可以得到保障.(四)施工指导思想及目标 1、以科学管理方法及严格管理制度为基础,精心组织、精心施工,选配高素养的工程管理人...

1、当您付费下载文档后,您只拥有了使用权限,并不意味着购买了版权,文档只能用于自身使用,不得用于其他商业用途(如 [转卖]进行直接盈利或[编辑后售卖]进行间接盈利)。
2、本站所有内容均由合作方或网友上传,本站不对文档的完整性、权威性及其观点立场正确性做任何保证或承诺!文档内容仅供研究参考,付费前请自行鉴别。
3、如文档内容存在违规,或者侵犯商业秘密、侵犯著作权等,请点击“违规举报”。

碎片内容

监控工程验收资料

您可能关注的文档

一二三四传媒+ 关注
实名认证
内容提供者

大量资料供您选择,没有合适的可以联系小二。

确认删除?
VIP
微信客服
  • 扫码咨询
会员Q群
  • 会员专属群点击这里加入QQ群
客服邮箱
回到顶部