电脑桌面
添加小米粒文库到电脑桌面
安装后可以在桌面快捷访问

空调冷却冷冻水管道系统详细施工方案VIP专享

空调冷却冷冻水管道系统详细施工方案_第1页
1/11
空调冷却冷冻水管道系统详细施工方案_第2页
2/11
空调冷却冷冻水管道系统详细施工方案_第3页
3/11
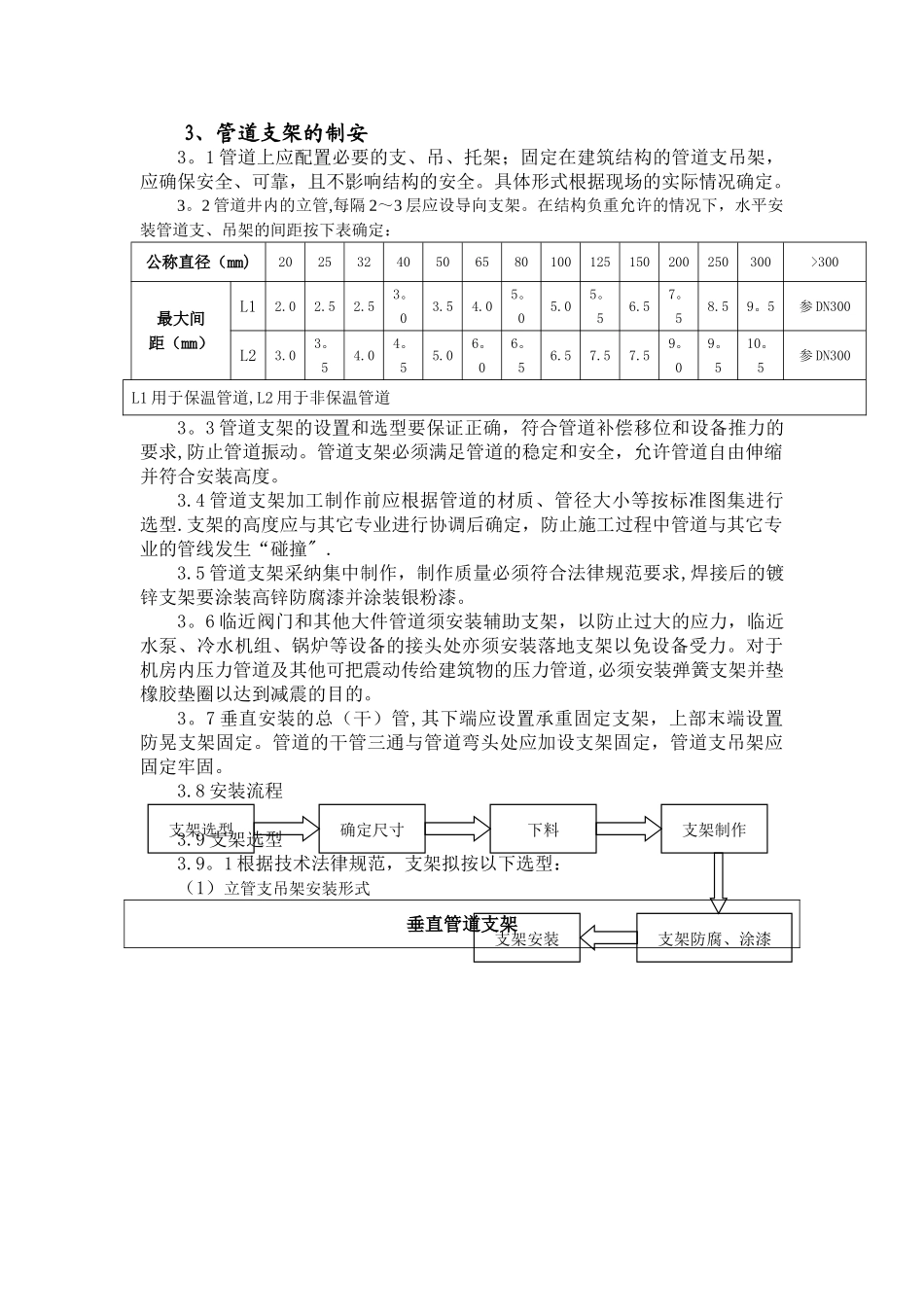
空调冷却冷冻水管道系统详细施工方案1、管道安装流程2、管道安装设计要求2。1 空调水系统中管道系统的最低点,应配置 DN25 泄水管并安装同口径闸阀.管道系统的最高点应配置 E121 型自动排气阀,口径为 DN20 并配同口径闸阀.2。2 每台水泵的进水管上应安装闸阀或碟阀,压力表和 Y 型过滤器,出水管上应安装缓闭式止回阀,闸阀或碟阀,压力表及后带护套的角型水银温度计,另外,与水泵相连接的进出水管上还应安装减震软接头。2.3 所有阀门的位置,应设置在便于操作与维修的部位,主管上、下部的阀门,务必安装在平顶下和地面上便于操作维修处.2。4 安装调节阀,碟阀等调节配件时,应注意将操作手柄配置在便于操作的部位。2。5 空调及热水系统管道上的调节阀,管径小于等于 DN40 采纳截止阀或球阀;管径大于 DN40 的采纳蝶阀。2.6 空调水系统管道上须设置必要的支、托、吊架,具体形式由安装单位根据现场实际情况确定,做法参见国标 05R417—1。2.7 管道的支、吊、托架应设置于保温层的外部,在穿过支、吊、托架处,应镶以垫木。2.8 空调水系统管道对于长度超过 40m 的直管段,要加装波纹补偿伸缩器。每隔 40m 设置一个.波纹补偿伸缩器为轴向内压式波纹补偿器.2。9 冷水管道在穿越墙身和楼板时,保温层不应间断,在墙体或楼板的两侧应设置夹板,中间空间以玻璃棉填充。2。10 空调水管道穿过防火墙时,在管道穿过处固定管道,并用防火材料填充.2。11 穿越沉降或变形缝处的水管应设置金属软管连接。2.12 空调立管穿楼板时,应设套管。安装在楼板内的套管,其顶部应高出装饰地面 20mm;安装在卫生间及厨房内的套管,其顶部应高出装饰地面 50mm,底部应与楼板底面相平;套管与管道之间缝隙应用阻燃密实材料和防水油膏填实,端面光滑。2。13 管道穿钢筋混凝土墙和楼板、梁时,应根据图中所注管道标高、位置配合土建工种预留孔洞或预埋套管;管道穿地下室外墙时、水池壁时,应预埋刚性防水套管。2.14 除地下一层车库部分管道明装外,所有管道暗装设于吊顶内.2.15 空调及热水供回水支管以 0。003 的向下坡度坡向立管(主干管除外),且最高点设自动排气阀,最低点设泄水装置。并同时在立管顶部旁通设置手动排气阀。2.16 冷凝水管最小以 0.01 的下降坡度坡向凝水立管.2.17 管道支架或管卡应固定在楼板上或承重结构上。2。18 水泵房内采纳减震吊架.2.20 钢管水平安装支架间距,按《建筑给水排水及采暖工程施工质量验收法律规...

1、当您付费下载文档后,您只拥有了使用权限,并不意味着购买了版权,文档只能用于自身使用,不得用于其他商业用途(如 [转卖]进行直接盈利或[编辑后售卖]进行间接盈利)。
2、本站所有内容均由合作方或网友上传,本站不对文档的完整性、权威性及其观点立场正确性做任何保证或承诺!文档内容仅供研究参考,付费前请自行鉴别。
3、如文档内容存在违规,或者侵犯商业秘密、侵犯著作权等,请点击“违规举报”。

碎片内容

空调冷却冷冻水管道系统详细施工方案

确认删除?
VIP
微信客服
  • 扫码咨询
会员Q群
  • 会员专属群点击这里加入QQ群
客服邮箱
回到顶部