电脑桌面
添加小米粒文库到电脑桌面
安装后可以在桌面快捷访问

筏板混凝土浇筑技术交底

筏板混凝土浇筑技术交底_第1页
1/3
筏板混凝土浇筑技术交底_第2页
2/3
筏板混凝土浇筑技术交底_第3页
3/3
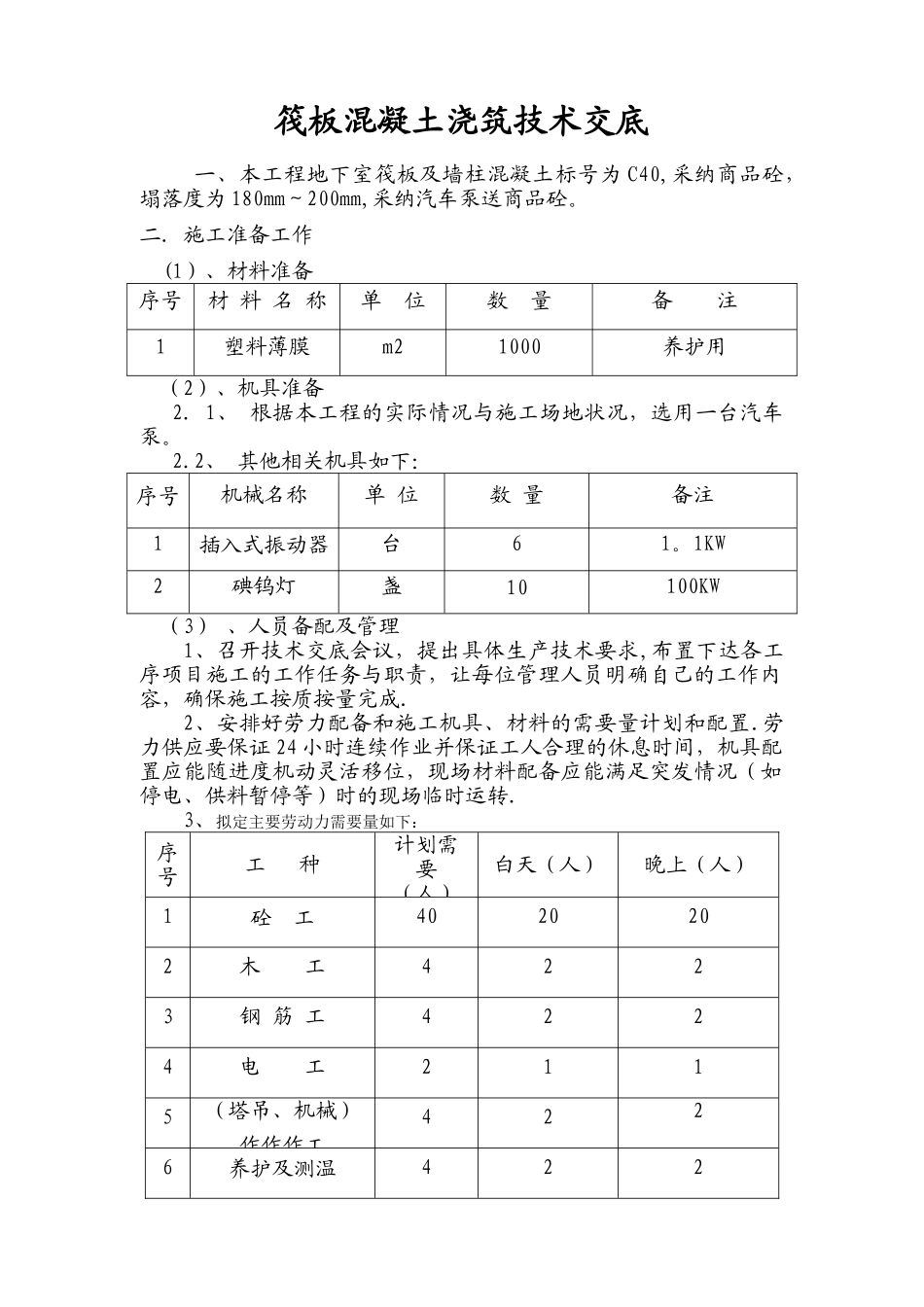
筏板混凝土浇筑技术交底一、本工程地下室筏板及墙柱混凝土标号为 C40,采纳商品砼,塌落度为 180mm~200mm,采纳汽车泵送商品砼。二.施工准备工作(1)、材料准备序号材 料 名 称单 位数 量备 注1塑料薄膜m21000养护用(2)、机具准备2. 1、 根据本工程的实际情况与施工场地状况,选用一台汽车泵。2.2、 其他相关机具如下:序号机械名称单 位数 量备注1插入式振动器台61。1KW2碘钨灯盏10100KW(3) 、人员备配及管理1、召开技术交底会议,提出具体生产技术要求,布置下达各工序项目施工的工作任务与职责,让每位管理人员明确自己的工作内容,确保施工按质按量完成.2、安排好劳力配备和施工机具、材料的需要量计划和配置.劳力供应要保证 24 小时连续作业并保证工人合理的休息时间,机具配置应能随进度机动灵活移位,现场材料配备应能满足突发情况(如停电、供料暂停等)时的现场临时运转.3、拟定主要劳动力需要量如下:序号工 种计划需要(人)白天(人)晚上(人)1砼 工4020202木 工4223钢 筋 工4224电 工2115(塔吊、机械)作作作工4226养护及测温42 2(3)、施工布署本工程属于大体积混凝土,浇筑将采纳汽车泵,按顺序浇筑混凝土.先浇筑电梯井,电梯井基坑浇筑分成三个阶段:首先,先均匀浇筑到电梯井筏板顶面;其次待其初凝前再从电梯井四周均匀分层浇筑至筏板底;最后待其初凝前连同筏板一起浇筑至筏板顶。混凝土浇筑采纳斜面分层的布料方法,即“一个坡度、分层浇筑、循序渐进、一次到顶”,配 6 台插入式振动器。三、大体积砼的施工1、施工顺序混凝土连续浇筑,如因突发情况必须间歇的,间歇时间尽量缩短,并在下层前期混凝土初凝之前能继续浇筑。2、砼施工工艺(1)浇筑方式①、商品砼到场后,应同监理用漏斗复测塌落度是否符合要求。②、采纳沿筏板长边方向,从短边开始浇筑。采纳“斜面分层,薄层浇筑,循环整体推动”的方法进行。③、为减缓升温过快,利用浇筑面散热,每次浇筑的厚度约为400mm,斜面分层按 1:6 斜面考虑.④、在各层砼浇筑过程中,采纳“一个坡度,薄层浇筑,及时振捣,一次到顶”的方法,在保证筏板的连续浇筑。避开出现施工冷缝的前提下,尽可能增大了砼的散热面,有利于早期砼水化热的散发。 ⑤、防止集水坑及电梯井模板上浮措施:用48 钢管放在模板上口,钢管间距 800mm,然后在钢管上铺一层 50×100mm 方木,在方木上放塔吊标准节,集水坑放一个塔吊标准节,电梯井放两个塔吊标准节。⑥、砼自由...

1、当您付费下载文档后,您只拥有了使用权限,并不意味着购买了版权,文档只能用于自身使用,不得用于其他商业用途(如 [转卖]进行直接盈利或[编辑后售卖]进行间接盈利)。
2、本站所有内容均由合作方或网友上传,本站不对文档的完整性、权威性及其观点立场正确性做任何保证或承诺!文档内容仅供研究参考,付费前请自行鉴别。
3、如文档内容存在违规,或者侵犯商业秘密、侵犯著作权等,请点击“违规举报”。

碎片内容

筏板混凝土浇筑技术交底

阳光书坊+ 关注
实名认证
内容提供者

阳光书坊,传播未来

确认删除?
VIP
微信客服
  • 扫码咨询
会员Q群
  • 会员专属群点击这里加入QQ群
客服邮箱
回到顶部