电脑桌面
添加小米粒文库到电脑桌面
安装后可以在桌面快捷访问

绿色文明施工示范工地检查表

绿色文明施工示范工地检查表_第1页
1/6
绿色文明施工示范工地检查表_第2页
2/6
绿色文明施工示范工地检查表_第3页
3/6
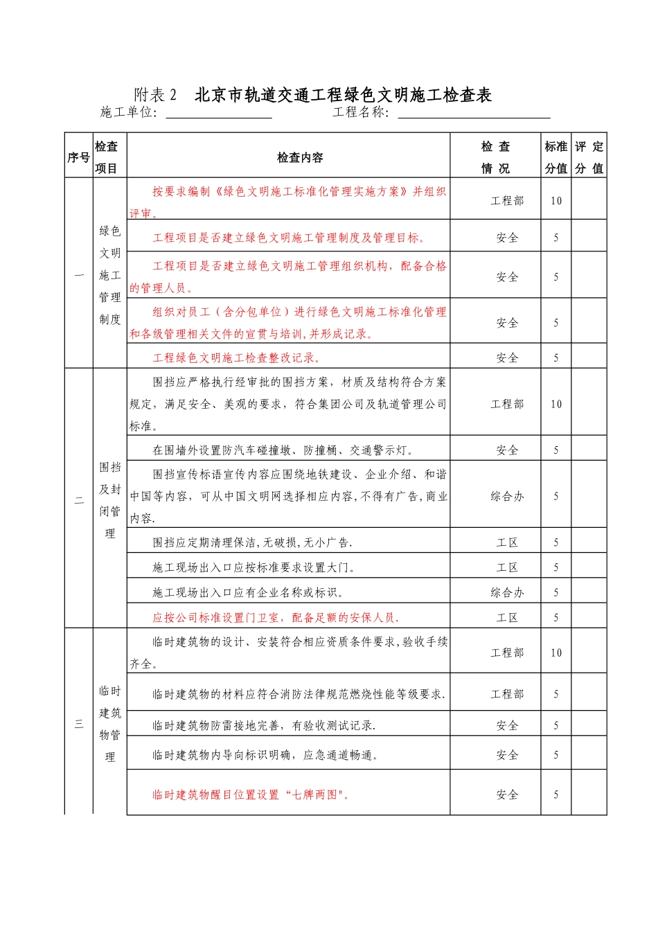
附表 1:北京轨道交通工程绿色文明施工示范施工场地申报表工程名称工程地点总包单位建设单位工程规模工程工法结构类型施工部位/已完成工作量总包项目经理联系电话申报联系人联系电话本人代表申报单位已经确定上述申报内容属实。总包项目负责人:(签字) 总包单位签章 年 月 日序号首 次 考 核评定结果集团总公司意见:负责人: (单位签章)年 月 日项目管理中心审查意见:负责人: (单位签章)年 月 日1绿色文明施工管理制度2围挡及封闭管理3临时建筑物管理4消防管理5生活设施6施工现场管理7环保及扬尘治理8安全保卫9标段绿色文明施工示范施工场地创建规划10总评分文明施工监察部审核意见:负责人: (单位签章)年 月 日公司主管领导审核意见:负责人: (单位签章)年 月 日附表 2 北京市轨道交通工程绿色文明施工检查表施工单位: 工程名称: 序号检查项目检查内容检 查情 况标准分值评 定分 值一绿色文明施工管理制度按要求编制《绿色文明施工标准化管理实施方案》并组织评审。工程部10工程项目是否建立绿色文明施工管理制度及管理目标。安全5工程项目是否建立绿色文明施工管理组织机构,配备合格的管理人员。安全5组织对员工(含分包单位)进行绿色文明施工标准化管理和各级管理相关文件的宣贯与培训,并形成记录。安全5工程绿色文明施工检查整改记录。安全5二围挡及封闭管理围挡应严格执行经审批的围挡方案,材质及结构符合方案规定,满足安全、美观的要求,符合集团公司及轨道管理公司标准。工程部10在围墙外设置防汽车碰撞墩、防撞桶、交通警示灯。安全5围挡宣传标语宣传内容应围绕地铁建设、企业介绍、和谐中国等内容,可从中国文明网选择相应内容,不得有广告,商业内容.综合办5围挡应定期清理保洁,无破损,无小广告.工区5施工现场出入口应按标准要求设置大门。工区5施工现场出入口应有企业名称或标识。综合办5应按公司标准设置门卫室,配备足额的安保人员.工区5三临时建筑物管理临时建筑物的设计、安装符合相应资质条件要求,验收手续齐全。工程部10临时建筑物的材料应符合消防法律规范燃烧性能等级要求.工程部5临时建筑物防雷接地完善,有验收测试记录.安全5临时建筑物内导向标识明确,应急通道畅通。安全5临时建筑物醒目位置设置“七牌两图"。安全5四消防管理建立消防安全管理制度(包括消防安全教育与培训制度,可燃及易燃易爆危险品管理制度, 用火、用电、用气管理制度,消防安全检查制度,应急预案演练制度)...

1、当您付费下载文档后,您只拥有了使用权限,并不意味着购买了版权,文档只能用于自身使用,不得用于其他商业用途(如 [转卖]进行直接盈利或[编辑后售卖]进行间接盈利)。
2、本站所有内容均由合作方或网友上传,本站不对文档的完整性、权威性及其观点立场正确性做任何保证或承诺!文档内容仅供研究参考,付费前请自行鉴别。
3、如文档内容存在违规,或者侵犯商业秘密、侵犯著作权等,请点击“违规举报”。

碎片内容

绿色文明施工示范工地检查表

雏圣文化+ 关注
实名认证
内容提供者

欢迎光临,大量办公文档供您挑选。

确认删除?
VIP
微信客服
  • 扫码咨询
会员Q群
  • 会员专属群点击这里加入QQ群
客服邮箱
回到顶部