电脑桌面
添加小米粒文库到电脑桌面
安装后可以在桌面快捷访问

脚手架安全检查记录表VIP专享

脚手架安全检查记录表_第1页
1/6
脚手架安全检查记录表_第2页
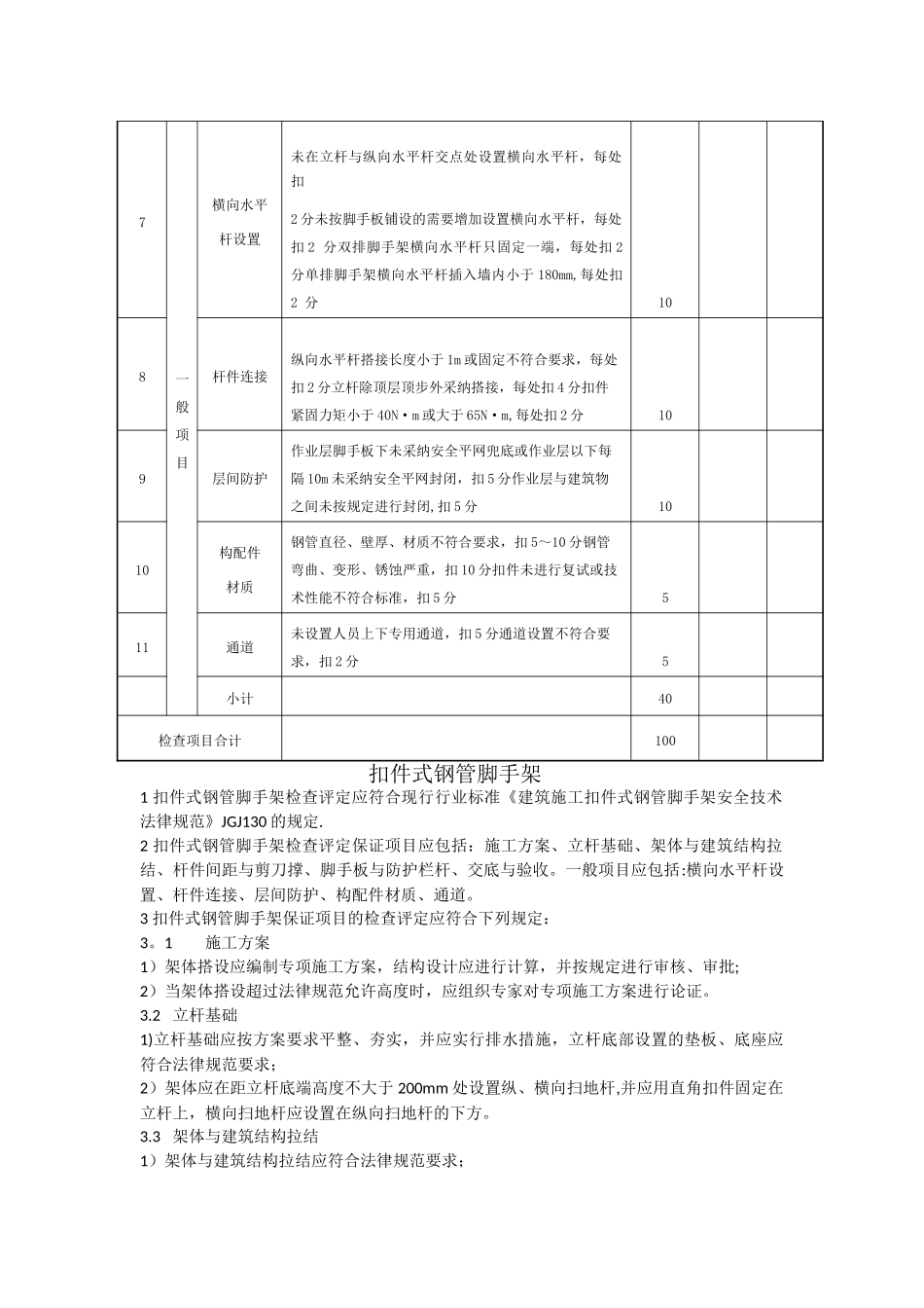
2/6
脚手架安全检查记录表_第3页
3/6
扣件式脚手架检查评分表序号检查项目扣分标准应得分数扣减分数实得分数1保证项目施工方案架体搭设未编制专项施工方案或未按规定审核、审批,扣 10 分架体结构设计未进行设计计算,扣 10 分架体搭设超过法律规范允许高度,专项施工方案未按规定组织专家论证,扣10 分102立杆基础立杆基础不平、不实、不符合专项施工方案要求,扣 5~10 分立杆底部缺少底座、垫板或垫板的规格不符合法律规范要求,每处扣 2~5 分未按法律规范要求设置纵、横向扫地杆,扣 5~10 分扫地杆的设置和固定不符合法律规范要求,扣 5分未实行排水措施,扣 8 分103架体与建筑结构拉结架体与建筑结构拉结方式或间距不符合法律规范要求,每处扣 2 分架体底层第一步纵向水平杆处未按规定设置连墙件或未采纳其他可靠措施固定,每处扣 2 分搭设高度超过 24m 的双排脚手架,未采纳刚性连墙件与建筑结构可靠连接,扣 10分104杆件间距与剪刀撑立杆、纵向水平杆、横向水平杆间距超过设计或法律规范要求,每处扣 2 分未按规定设置纵向剪刀撑或横向斜撑,每处扣5 分剪刀撑未沿脚手架高度连续设置或角度不符合法律规范要求,扣 5 分剪刀撑斜杆的接长或剪刀撑斜杆与架体杆件固定不符合法律规范要求,每处扣 2 分105脚手板与防护栏杆脚手板未满铺或铺设不牢、不稳,扣 5~10 分脚手板规格或材质不符合法律规范要求,扣 5~10 分每有一处探头板,扣2 分架体外侧未设置密目式安全网封闭或网间连接不严,扣5~10 分作业层防护栏杆不符合法律规范要求,扣 5 分作业层未设置高度不小于 180mm 的挡脚板,扣 3 分106交底与验收架体搭设前未进行交底或交底未有文字记录,扣 5~10 分架体分段搭设、分段使用未进行分段验收,扣 5 分架体搭设完毕未办理验收手续,扣 10 分验收内容未进行量化,或未经责任人签字确认,扣 5 分10小计60序号检查项目扣分标准应得分数扣减分数实得分数7一般项目横向水平杆设置未在立杆与纵向水平杆交点处设置横向水平杆,每处扣2 分未按脚手板铺设的需要增加设置横向水平杆,每处扣 2 分双排脚手架横向水平杆只固定一端,每处扣 2分单排脚手架横向水平杆插入墙内小于 180mm,每处扣2 分108杆件连接纵向水平杆搭接长度小于 1m 或固定不符合要求,每处扣 2 分立杆除顶层顶步外采纳搭接,每处扣 4 分扣件紧固力矩小于 40N·m 或大于 65N·m,每处扣 2 分109层间防护作业层脚手板下未采纳安全平网兜底或作业层以下每隔...

1、当您付费下载文档后,您只拥有了使用权限,并不意味着购买了版权,文档只能用于自身使用,不得用于其他商业用途(如 [转卖]进行直接盈利或[编辑后售卖]进行间接盈利)。
2、本站所有内容均由合作方或网友上传,本站不对文档的完整性、权威性及其观点立场正确性做任何保证或承诺!文档内容仅供研究参考,付费前请自行鉴别。
3、如文档内容存在违规,或者侵犯商业秘密、侵犯著作权等,请点击“违规举报”。

碎片内容

脚手架安全检查记录表

确认删除?
VIP
微信客服
  • 扫码咨询
会员Q群
  • 会员专属群点击这里加入QQ群
客服邮箱
回到顶部