电脑桌面
添加小米粒文库到电脑桌面
安装后可以在桌面快捷访问

天然气管道施工资料

天然气管道施工资料_第1页
1/12
天然气管道施工资料_第2页
2/12
天然气管道施工资料_第3页
3/12
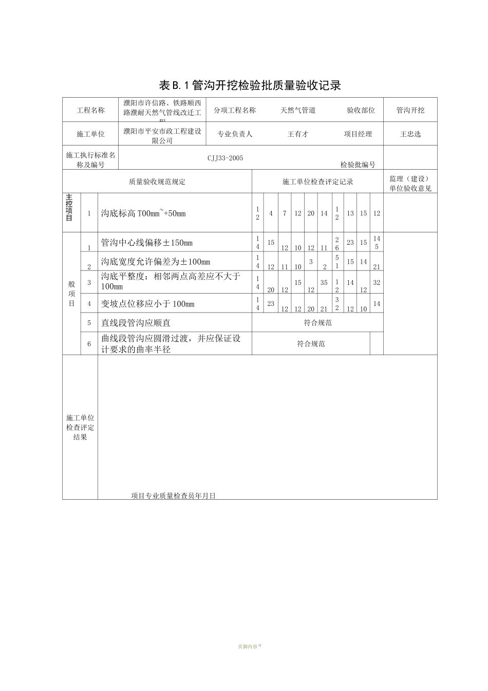
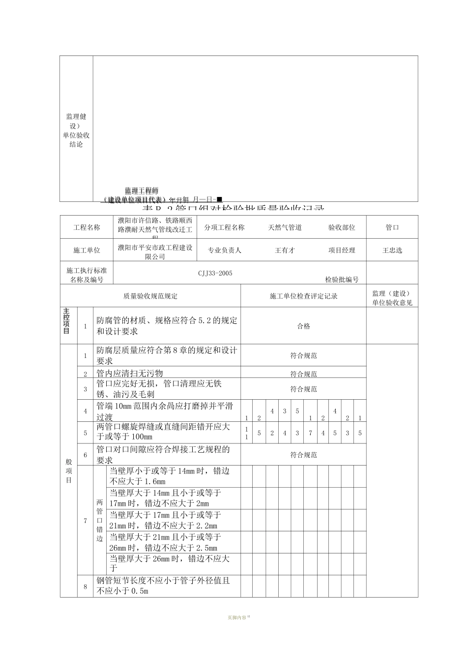
页脚内容 12表 B.1 管沟开挖检验批质量验收记录工程名称濮阳市许信路、铁路顺西路濮耐天然气管线改迁工程分项工程名称天然气管道验收部位管沟开挖施工单位濮阳市平安市政工程建设限公司专业负责人王有才项目经理王忠选施工执行标准名称及编号CJJ33-2005检验批编号质量验收规范规定施工单位检查评定记录监理(建设)单位验收意见主控项目1沟底标高 T00mm~+50mm124712201412131512般项目1管沟中心线偏移±150mm1415121012112623151452沟底宽度允许偏差为±100mm1412111032511514213沟底平整度:相邻两点高差应不大于100mm142012151235121412324变坡点位移应小于 100mm142312122021321210145直线段管沟应顺直符合规范6曲线段管沟应圆滑过渡,并应保证设计要求的曲率半径符合规范施工单位检查评定结果项目专业质量检查员年月日监理健设)单位验收结论监理工程师(建设单位项目代表)年月日页脚内容 12监理工程师(建设单位项目代表)…—年 _ 月—日 - ■ 表 B.2 管口组对检验批质量验收记录工程名称濮阳市许信路、铁路顺西路濮耐天然气管线改迁工程分项工程名称天然气管道验收部位管口施工单位濮阳市平安市政工程建设限公司专业负责人王有才项目经理王忠选施工执行标准名称及编号CJJ33-2005检验批编号质量验收规范规定施工单位检查评定记录监理(建设)单位验收意见主控项目1防腐管的材质、规格应符合 5.2 的规定和设计要求合格般项目1防腐层质量应符合第 8 章的规定和设计要求符合规范2管内应清扫无污物符合规范3管口应完好无损,管口清理应无铁锈、油污及毛刺符合规范4管端 10mm 范围内余咼应打磨掉并平滑过渡12435124215两管口螺旋焊缝或直缝间距错开应大于或等于 100mm115243745356管口对口间隙应符合焊接工艺规程的要求符合规范7两管口错边当壁厚小于或等于 14mm 时,错边不应大于 1.6mm当壁厚大于 14mm 且小于或等于17mm 时,错边不应大于 2mm当壁厚大于 17mm 且小于或等于21mm 时,错边不应大于 2.2mm当壁厚大于 21mm 且小于或等于26mm 时,错边不应大于 2.5mm当壁厚大于 26mm 时,错边不应大于3mm8钢管短节长度不应小于管子外径值且不应小于 0.5m页脚内容 12表 B.3 管道焊接检验批质量验收记录工程名称濮阳市许信路、铁路顺西路濮耐天然气管线改迁工程分项工程名称天然气管道验收部位焊缝施工单位濮阳市平安市政工程建设限公司专业负责人王有才项目经理王忠选施工执行标准名称及编号CJJ33-2005检验...

1、当您付费下载文档后,您只拥有了使用权限,并不意味着购买了版权,文档只能用于自身使用,不得用于其他商业用途(如 [转卖]进行直接盈利或[编辑后售卖]进行间接盈利)。
2、本站所有内容均由合作方或网友上传,本站不对文档的完整性、权威性及其观点立场正确性做任何保证或承诺!文档内容仅供研究参考,付费前请自行鉴别。
3、如文档内容存在违规,或者侵犯商业秘密、侵犯著作权等,请点击“违规举报”。

碎片内容

天然气管道施工资料

确认删除?
VIP
微信客服
  • 扫码咨询
会员Q群
  • 会员专属群点击这里加入QQ群
客服邮箱
回到顶部